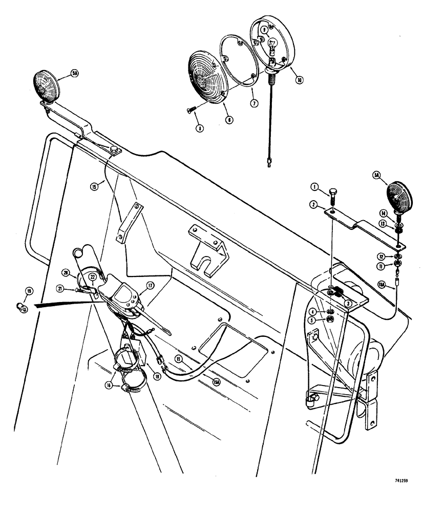
Запчасти Case W20 (263A) - TURN SIGNALS AND FLASHER LIGHTS USED ON MODELS WITHOUT CAB TRACTOR S.N. 9115403 AND AFTER (04) - ELECTRICAL SYSTEMS

Схема запчастей Case W20 - (263A) - TURN SIGNALS AND FLASHER LIGHTS USED ON MODELS WITHOUT CAB TRACTOR S.N. 9115403 AND AFTER (04) - ELECTRICAL SYSTEMS
13
5a
18
15
15a
11
15a
4
6
7
3
9
17
16
2
5
14
5a
20
12
15
8
1
21
22
19
10
FIT
1:1
100%

Артикул

Название

Примечание

Количество

1

13-824

BOLT,Hex, 1/2" - 13 x 1-1/2", Gr 5, Full Thd

2шт.

2

L48046

SPARE PART signals

2шт.

3

51200330

CLAMP

tube

2шт.

4

92-8

LOCK WASHER,1/2"

2шт.

5

25-108

NUT,1/2"-13, G5

Hex

2шт.

5a

L43738

INTERIOR LIGHT

flasher, double face, Includes Ref: 6-14

2шт.

L32214

LENS

KIT - light, flasher, Includes Ref: 6-8

2шт.

6

NSS

NOT SOLD SEPARAT

LENS - light, flasher

1шт.

7

NSS

NOT SOLD SEPARAT

GASKET - lens

1шт.

8

NSS

NOT SOLD SEPARAT

SCREW - special

3шт.

9

L32257

BULB

flasher light

1шт.

10

NSS

NOT SOLD SEPARAT

BODY - light flasher (Double face)

1шт.

11

129-125

NUT,1/2"-20, G5

1шт.

12

192-23

LOCK WASHER,1/2"

1шт.

13

L32256

WASHER

rubber

1шт.

14

195-106

WASHER,1/2"

standard wrot (Zinc plated)

1шт.

15

L17325

WIRE green, LH

1шт.

15

L17326

WIRE HARNESS

ASSEMBLY - red, R.H.

1шт.

16

214-258

HOSE CLAMP,#28, 1.31" - 2.25", Type F Worm

Flasher switch

2шт.

L59394

SIGNAL

ASSEMBLY - turn and flasher kit, Includes Ref: 17-22

1шт.

17

NSS

NOT SOLD SEPARAT

SWITCH - turn signal

1шт.

18

L32657

FLASHER UNIT

FLASHER - signal

1шт.

19

A14928

BULB

directional indicator (24 volt)

1шт.

20

L32658

STRAP

mounting signal

1шт.

L32659

KIT

HARDWARE - mounting, turn signal, Includes Ref: 21, 22

1шт.

21

169-148

SCREW,Sl Fil Hd, #8 - 32 x 1"

flat head machine (# 8 - 32 NC x 1")

2шт.

22

NSS

NOT SOLD SEPARAT

CLIP - strap mounting

2шт.

Выбрано товаров: 27