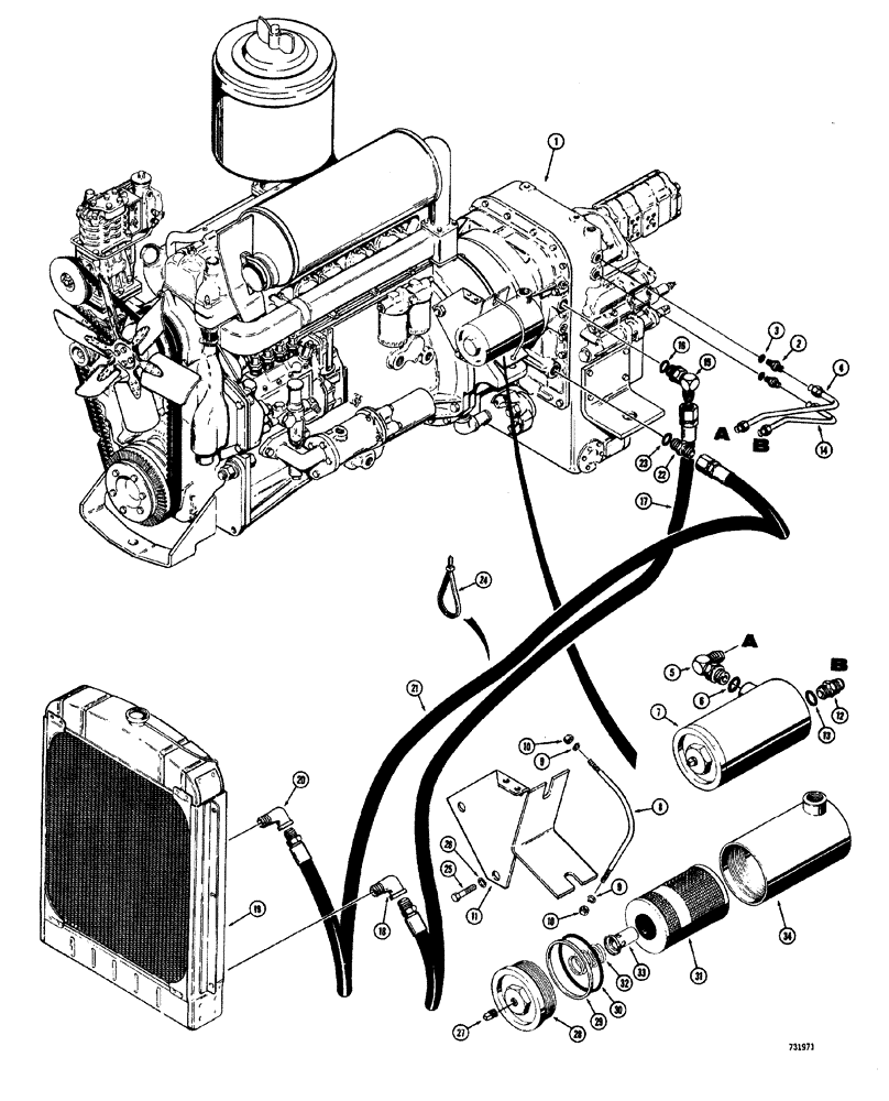
Запчасти Case W20 (128) - TRANSMISSION HYDRAULIC SYSTEM HORIZONTALLY MOUNTED TRANSMISSION OIL FILTER (06) - POWER TRAIN

Схема запчастей Case W20 - (128) - TRANSMISSION HYDRAULIC SYSTEM HORIZONTALLY MOUNTED TRANSMISSION OIL FILTER (06) - POWER TRAIN
29
20
26
9
31
17
25
34
11
12
10
8
6
23
21
7
32
9
1
3
15
27
2
30
24
22
5
19
18
4
10
13
14
16
28
33
FIT
1:1
100%

Артикул

Название

Примечание

Количество

1

L52101

TRANSMISSION

ASSEMBLY - complete, See parts list Figures: 98-124, transmission S.N. 35042 thru 51827

1шт.

1

L55661

TRANSMISSION

ASSEMBLY - complete, See parts list Figures: 98-124, transmission S.N. 51828 and after

1шт.

8

218-5064

HYD CONNECTOR,1-1/16" - 12 Male JIC x 1-1/16" - 12 Male ORB

Male straight

2шт.

8

2l8-5008

SEAL - ""Oring

1шт.

4

L52974

TUBE

supply, transmission to oil filter

1шт.

5

218-5108

ELBOW,90 Degree Elbow, 1-1/16" - 12 Male JIC x 1-1/16" - 12 Male ORB

Adjustable male, Incl. Ref: 6

1шт.

6

218-5008

O-RING,0.116" Thk x 0.924" ID, -912, Cl 6, 90 Duro

1шт.

7

L47141

NO LONGER SERVICED

FILTER ASSEMBLY - transmission oil (See parts list below)

1шт.

8

L52433

CLAMP

BOLT - ""U"" (Filter mounting)

1шт.

9

92-6

LOCK WASHER,3/8"

2шт.

10

25-106

NUT,3/8"-16, G5

hex (3/8"" - 16 NC)

2шт.

11

L52967

BRACKET

filter mounting

1шт.

12

218-5064

HYD CONNECTOR,1-1/16" - 12 Male JIC x 1-1/16" - 12 Male ORB

Male, straight, Incl. Ref: 13

1шт.

13

218-5008

O-RING,0.116" Thk x 0.924" ID, -912, Cl 6, 90 Duro

1шт.

14

L52978

TUBE

return, oil, Serial Range: filter-transmission

1шт.

15

218-5108

ELBOW,90 Degree Elbow, 1-1/16" - 12 Male JIC x 1-1/16" - 12 Male ORB

Adjustable, male, Incl. Ref: 16

1шт.

16

218-5008

O-RING,0.116" Thk x 0.924" ID, -912, Cl 6, 90 Duro

1шт.

17

L48529

HOSE

SPARE PART transmission to radiator (68" long)

1шт.

18

221-415

ELBOW,90 Degree, 3/4"-14, NPT

Street

1шт.

19

L46068

RADIATOR

engine and transmission cooling (See Figure: 40 for related parts)

1шт.

20

221-415

ELBOW,90 Degree, 3/4"-14, NPT

Street

1шт.

21

L51050

HOSE

radiator to transmission (78" long)

1шт.

22

218-5064

HYD CONNECTOR,1-1/16" - 12 Male JIC x 1-1/16" - 12 Male ORB

Male, straight, Incl. Ref: 23

1шт.

23

218-5008

O-RING,0.116" Thk x 0.924" ID, -912, Cl 6, 90 Duro

1шт.

24

L18331

CABLE TIE,375.9mm L, Nylon, Black

CABLE STRAP WIRE tie - cooler hose

1шт.

25

13-1028

BOLT,Hex, 5/8" - 11 x 1-3/4", Gr 5, Full Thd

Bracket mounting

2шт.

28

92-10

LOCK WASHER,5/8"

2шт.

L47141

NO LONGER SERVICED

FILTER ASSEMBLY - transmission oil, Includes Ref: 27-31

1шт.

27

221-1011

DRAIN PLUG,Sq Hd, 1/8"-27 NPTF

pipe, square head (1/8 ' NPT)

1шт.

28

A60765

CAP

filter

1шт.

A61234

HYDRAULIC OIL FILTER

ELEMENT REPLACEMENT KIT - transmission oil filter, Includes Ref: 29, 30

1шт.

29

G32176

BACK-UP RING,101.22mm ID x 107.32mm OD x 1.4mm Thk

Cap seal

1шт.

30

A27507

O-RING,0.139" Thk x 3.984" ID, -242, Cl 5, 75 Duro

cap

1шт.

31

NSS

NOT SOLD SEPARAT

ELEMENT - filter

1шт.

32

D31212

SPRING

retaining, relief valve

1шт.

33

D37207

VALVE

relief

1шт.

34

A60767

BODY

filter

1шт.

Выбрано товаров: 37