Запчасти Case W20 (138) - L47472 FRONT AXLE DRIVE SHAFT (AXLE END), L47724 DRIVE SHAFT SUPPORT BEARING (06) - POWER TRAIN

Схема запчастей Case W20 - (138) - L47472 FRONT AXLE DRIVE SHAFT (AXLE END), L47724 DRIVE SHAFT SUPPORT BEARING (06) - POWER TRAIN
17
3
12
5
19
13
6
14
2
16
15
10
9
7
4
18
8
1
11
FIT
1:1
100%

Артикул

Название

Примечание

Количество

L52726

SPARE PART ASSEMBLY - drive, front axle (Tractor Sn 9109527 thru 9115301 Also 9H5334 and 9115335), Includes Ref: 1-5

1шт.

L58852

SPARE PART ASSEMBLY - drive, front axle (Tractor Sn 9115302 and after except 9115334 and 9115335), Includes Ref: 1-5

1шт.

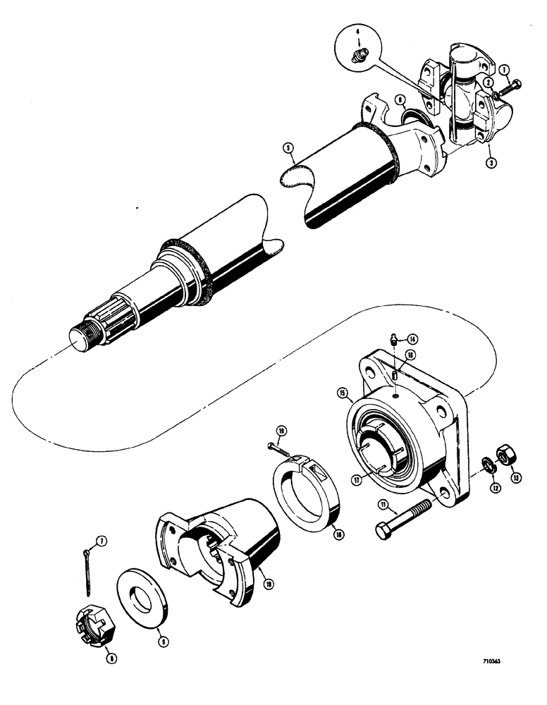
1

L31781

BOLT

special, spider and bearing to drive shaft yoke and front axle flange

8шт.

2

192-161

LOCK WASHER,3/8"

8шт.

L41776

SPIDER AND BEARING ASSEMBLY - drive shaft

1шт.

3

NSS

NOT SOLD SEPARAT

SPIDER AND BEARING - drive shaft

1шт.

4

219-1

LUBE NIPPLE,1/8" - 27 NPTF

straight (1/8 NPT)

1шт.

5

L33628

TUBE

AND YOKE - L47472 drive shaft (When stock is exhausted, order L35211 tube and yoke assy, for s

1шт.

5

L35211

YOKE

UNIVERSAL JOINT YOKE AND TUBE - L52726 drive shaft, Includes Ref: 6-9

1шт.

6

L36066

SHAFT

TUBE AND YOKE - L58852 drive shaft, Includes Ref: 6-9

1шт.

6

41-20

PLUG,Exp, 1 1/4"

expansion (1-1/41 )

1шт.

7

132-59

PIN

cotter, 1/8' dia x 2-1/2

1шт.

8

L33629

SPECIAL NUT

hex., slotted (Special)

1шт.

9

D28266

WASHER

plain (Special)

1шт.

10

L48916

YOKE

UNIVERSAL JOINT YOKE front drive shaft to center drive shaft

1шт.

11

13-928

BOLT,Hex, 9/16" - 12 x 1-3/4", Gr 5

HHCS - 9/16"" - 12 NC x 1-3/4"", L47724 Drive Shaft Support Bearing

4шт.

12

92-9

BEARING WASHER,9/16"

L47724 Drive Shaft Support Bearing

4шт.

13

25-109

NUT,9/16"-12, G5

hex. (9/16"" - 12 NC), L47724 Drive Shaft Support Bearing

4шт.

L47724

HOUSING, BEARING,2" ID x 4.5625" OD x 2.21875"

SUPPORT ASSEMBLY - front drive shaft, L47724 Drive Shaft Support Bearing, Includes Ref: 14-19

1шт.

14

219-1

LUBE NIPPLE,1/8" - 27 NPTF

straight (1/8 NPT), L47724 Drive Shaft Support Bearing

1шт.

15

NSS

NOT SOLD SEPARAT

HOUSING - bearing, L47724 Drive Shaft Support Bearing

1шт.

16

L33788

AXLE PIN

lock, 1/4' dia, L47724 Drive Shaft Support Bearing

1шт.

L33787

KIT

epair, bearing and collar, L47724 Drive Shaft Support Bearing, Includes Ref: 17-19

1шт.

17

NSS

NOT SOLD SEPARAT

BEARING AND SEAL ASSY - center bearing, L47724 Drive Shaft Support Bearing

1шт.

18

L33789

COLLAR

bearing, L47724 Drive Shaft Support Bearing

1шт.

19

61-48

HEX SOC SCREW,1/4"-20 x 1/2"

cap - hex socket head (1/4 - 20 NC x 1 ), L47724 Drive Shaft Support Bearing

1шт.

Выбрано товаров: 26