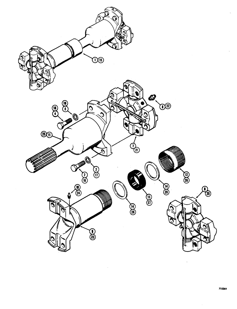
Запчасти Case W20 (140) - L47132 FRONT AXLE DRIVE SHAFT (TRANSMISSION END), L47133 REAR AXLE DRIVE SHAFT (06) - POWER TRAIN

Схема запчастей Case W20 - (140) - L47132 FRONT AXLE DRIVE SHAFT (TRANSMISSION END), L47133 REAR AXLE DRIVE SHAFT (06) - POWER TRAIN
19
14
8
12
1
27
24
6
3
25
9
13
22
26
14
5
23
16
10
11
28
28
17
2
15
4
7
21
20
18
FIT
1:1
100%

Артикул

Название

Примечание

Количество

1

L47132

SHAFT

ASSEMBLY - drive, front (Transmission end), Includes Ref: 2-14

1шт.

2

A17302

SCREW,Hex, 3/8" - 24 x 1", Gr 8

special, spider and bearing to drive shaft yokes

8шт.

3

192-161

LOCK WASHER,3/8"

8шт.

4

L31781

BOLT

special, spider and bearing to front drive shaft yoke and transmission

8шт.

5

192-161

LOCK WASHER,3/8"

16шт.

6

L32423

KIT

SPIDER AND BEARING ASSEMBLY - drive shaft, Includes Ref: 7, 8

2шт.

7

NSS

NOT SOLD SEPARAT

SPIDER AND BEARING - drive shaft

1шт.

8

219-1

LUBE NIPPLE,1/8" - 27 NPTF

straight (1/8 ' NPT)

1шт.

9

L33623

YOKE

UNIVERSAL JOINT YOKE AND TUBE - drive shaft

1шт.

10

219-1

LUBE NIPPLE,1/8" - 27 NPTF

straight (1/8 NPT)

1шт.

11

L33625

YOKE

UNIVERSAL JOINT YOKE splined end

1шт.

L33624

CAP

KIT - dust, drive shaft, Includes Ref: 12-14

1шт.

12

NSS

NOT SOLD SEPARAT

CAP - dust, drive shaft

1шт.

13

L31778

WASHER

felt (When stock is exhausted, order L33948 washer for service)

1шт.

13

L33948

WASHER

felt

1шт.

14

L33627

WASHER

SPARE PART metal, felt retaining

2шт.

15

L47133

SHAFT

ASSEMBLY - drive, rear axle, L47133 Rear Axle Drive Shaft, Includes Ref: 16-28

1шт.

16

A17302

SCREW,Hex, 3/8" - 24 x 1", Gr 8

special, spider and bearing to drive shaft yokes, L47133 Rear Axle Drive Shaft

8шт.

17

192-161

LOCK WASHER,3/8"

L47133 Rear axle drive shaft

8шт.

18

L31781

BOLT

special spider and bearing transmission and rear axle, L47133 Rear Axle Drive Shaft

8шт.

19

192-161

LOCK WASHER,3/8"

L47133 Rear axle drive shaft

16шт.

20

L32423

KIT

SPIDER AND BEARING ASSEMBLY - drive shaft, L47133 Rear Axle Drive Shaft, Includes Ref: 21, 22

2шт.

21

NSS

NOT SOLD SEPARAT

SPIDER AND BEARING - drive shaft, L47133 Rear Axle Drive Shaft

1шт.

22

219-1

LUBE NIPPLE,1/8" - 27 NPTF

straight 1/8"" NPT, L47133 Rear Axle Drive Shaft

1шт.

23

L32424

TUBE

AND YOKE - drive shaft, L47133 Rear Axle Drive Shaft

1шт.

24

219-1

LUBE NIPPLE,1/8" - 27 NPTF

straight (1/8 NPT), L47133 Rear Axle Drive Shaft

1шт.

25

L33630

YOKE

SPARE PART splined end, L47133 Rear Axle Drive Shaft

1шт.

L32425

CAP

KIT - dust, drive shaft, L47133 Rear Axle Drive Shaft, Includes Ref: 26-28

1шт.

26

NSS

NOT SOLD SEPARAT

CAP - dust drive shaft, L47133 Rear Axle Drive Shaft

1шт.

27

L31778

WASHER

felt (When stock is exhausted, order L33948 washer for service), L47133 Rear Axle Drive Shaft

1шт.

27

L33948

WASHER

felt, L47133 Rear Axle Drive Shaft

1шт.

28

L31779

WASHER

metal, felt retaining, L47133 Rear Axle Drive Shaft

2шт.

Выбрано товаров: 32