Запчасти Case W20 (210) - FRONT AXLE DRIVE SHAFT, (AXLE END) (06) - POWER TRAIN

Схема запчастей Case W20 - (210) - FRONT AXLE DRIVE SHAFT, (AXLE END) (06) - POWER TRAIN
FIT
1:1
100%

Артикул

Название

Примечание

Количество

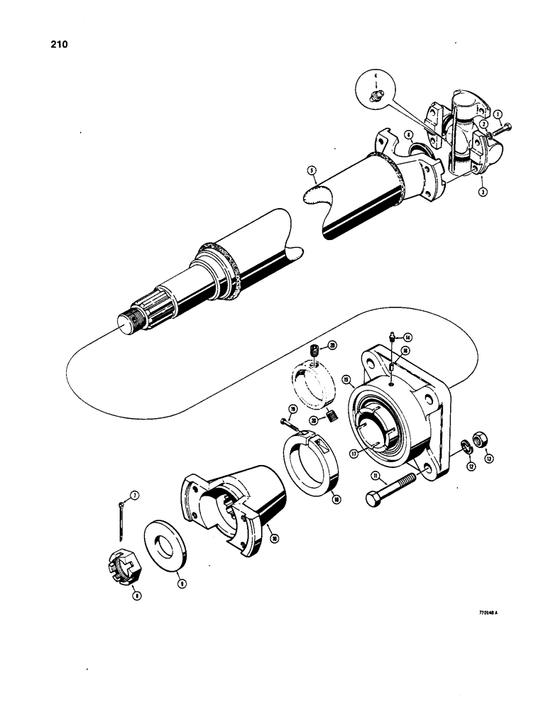
L73834

SHAFT

DRIVE SHAFT ASSEMBLY - W20B only, ref 5 is 31-5/8" (803 mm) long, Includes: Ref. 1 - 9

1шт.

L58852

DRIVE SHAFT ASSEMBLY - W18 and W20 only, ref 5 is 31-1/2" (800 mm) long, Includes: Ref. 1 - 9

1шт.

L79452

SHAFT

DRIVE SHAFT ASSEMBLY - W18 and W20 only, ref 5 is 31" (787 mm) long, Includes: Ref. 1 - 9

1шт.

1

28-632

BOLT,Hex, 3/8" - 24 x 2", Gr 8

- hex head, 3/8" - 24 NF x 2"

8шт.

2

192-161

LOCK WASHER,3/8"

WASHER, LOCK, 3/8"

8шт.

L31776

SPIDER

SPIDER AND BEARING ASSEMBLY - drive shaft, Includes: Ref. 3 & 4

1шт.

3

NSS

NOT SOLD SEPARAT

SPIDER AND BEARING - drive shaft

1шт.

4

219-1

LUBE NIPPLE,1/8" - 27 NPTF

GREASE FITTING - straight, 1/8" NPT

1шт.

5

D77487

YOKE

TUBE AND YOKE - L73834 drive shaft, 31-5/8" (803 mm) long

1шт.

5

L36066

SHAFT

TUBE AND YOKE - L58852 drive shaft, 31-1/2" (800 mm) long

1шт.

5

NSS

NOT SOLD SEPARAT

TUBE AND YOKE - L79452 drive shaft, 31" (787 mm) long

1шт.

6

41-20

PLUG,Exp, 1 1/4"

- expansion, 1-1/4"

1шт.

7

132-59

PIN

COTTER PIN - 1/8" x 2-1/2"

1шт.

8

L33629

SPECIAL NUT

- hex, slotted

1шт.

9

D28266

WASHER

- flat

1шт.

10

L48916

YOKE

- front drive shaft to center drive shaft

1шт.

11

13-928

BOLT,Hex, 9/16" - 12 x 1-3/4", Gr 5

- hex head, 9/16" - 12 NC x 1-3/4", drive shaft support bearing L47724

4шт.

12

92-9

BEARING WASHER,9/16"

Drive shaft support bearing L47724 9/16"

4шт.

13

25-109

NUT,9/16"-12, G5

- hex, 9/16" - 12 NC, drive shaft support bearing L47724

4шт.

L106070

FLANGED BEARING

BEARING SUPPORT ASSEMBLY - front drive shaft, uses set screws L47724, Includes: Ref. 1 - 20

1шт.

14

219-1

LUBE NIPPLE,1/8" - 27 NPTF

GREASE FITTING - straight, 1/8" NPT, drive shaft support bearing L47724

1шт.

15

NSS

NOT SOLD SEPARAT

HOUSING - bearing, may have holes for set screws instead of slots, drive shaft support L47724

1шт.

16

L33788

AXLE PIN

PIN - lock, drive shaft support bearing L47724

1шт.

L33787

KIT

- repair, bearing and collar, converts from set screws to collar arrangement, drive shaft support L47724, Includes: Ref. 17 - 19

1шт.

17

NSS

NOT SOLD SEPARAT

BEARING AND SEAL - center bearing, drive shaft support L47724

1шт.

Original production bearings may have holes for set screws (ref 20) instead of slots.

1шт.

18

L33789

COLLAR

- bearing, if used, drive shaft support L47724

1шт.

19

61-416

HEX SOC SCREW,1/4"-20 x 1"

SCREW - hex socket head, 1/4" - 20 NC x 1", if used, drive shaft support bearing L47724

1шт.

20

84-65

SET SCREW,Hex Soc, 3/8"-24 x 5/16"

- 3/8" - 24 NF x 5/16", if used, drive shaft support bearing L47724

2шт.

Выбрано товаров: 29