Запчасти Case W20 (046) - RADIATOR, FAN AND FAN BELTS (02) - ENGINE

Схема запчастей Case W20 - (046) - RADIATOR, FAN AND FAN BELTS (02) - ENGINE
FIT
1:1
100%

Артикул

Название

Примечание

Количество

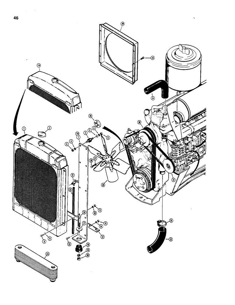
1a

L109592

RADIATOR

- cooling, formed tank, Includes: Ref. 2 - 2C

1шт.

1

L406068

RADIATOR - cooling, welded tank, Includes: Ref. 2 - 2C

1шт.

2

D25826

CAP

- radiator

1шт.

2a

D83221

TANK

- oil cooler

1шт.

2b

N6187

SHROUD

- radiator, used on L46068 radiator with welded tank

1шт.

2b

N7896

SHROUD

- radiator, used on L109592 radiator with formed tank

1шт.

2c

168-24

DRIVE SCREW,Type U, Rnd Hd, #10 - 24 x 1/2"

- self-tapping, No. 10 - 24 NC x 1/2"

6шт.

3

L11236

BOLT

BOLT - special

2шт.

4

92-5

LOCK WASHER,5/16"

4шт.

5

95-5

WASHER,3/8" x 7/8" x .083"

- flat, 5/16"

2шт.

6

9635082

NUT,5/16" - 18, Gr 5

- hex, 5/16" - 18 NC

4шт.

7

L48383

SUPPORT

- radiator, right-hand

1шт.

7a

L59192

COUPLING, BREAK AWAY

SUPPORT - radiator, left-hand

1шт.

8

13-616

BOLT,Hex, 3/8" - 16 x 1", Gr 5, Full Thd

6шт.

9

95-6

WASHER,3/8"

- flat, 3/8"

6шт.

10

92-6

LOCK WASHER,3/8"

6шт.

11

25-106

NUT,3/8"-16, G5

- hex, 3/8" - 16 NC

6шт.

12

L48387

STABILIZER

- radiator

1шт.

13

13-516

BOLT,Hex, 5/16" - 18 x 1", Gr 5

4шт.

14

92-5

LOCK WASHER,5/16"

4шт.

15

9635082

NUT,5/16" - 18, Gr 5

- hex, 5/16" - 18 NC

4шт.

16

13-848

BOLT,Hex, 1/2" - 13 x 3", Gr 5

- hex head, 1/2" - 13 NC x 3"

2шт.

17

195-2061

WASHER,5/8" x 1 7/8" x .134"

- flat, 1/2"

2шт.

18

L46821

SHOCK ABSORBER

INSULATOR - rubber mount

2шт.

19

92-8

LOCK WASHER,1/2"

2шт.

20

25-108

NUT,1/2"-13, G5

- hex, 1/2" - 13 NC

2шт.

21

A27862

COCK, DRAIN

VALVE - radiator drain

1шт.

22

L13809

RADIATOR HOSE,6.40 mm ID x 609.60, SAE 30R2 Type I

- Radiator drain 6.40 mm ID x 609.60, SAE 30R2 Type I

1шт.

23

L46256

RADIATOR HOSE,66.50mm ID x 119.40 mm, SAE 20R4

Lower 66.50mm ID x 119.40 mm, SAE 20R4

1шт.

24

L46257

RADIATOR HOSE,2.50" ID x 9.30", SAE 20R4 Class SC or D-1

Upper 2.50" ID x 9.30", SAE 20R4 Class SC or D-1

1шт.

25

214-262

HOSE CLAMP,#44, 2.31" - 3.25", Type F Worm

CLAMP - hose, radiator

4шт.

26

13-616

BOLT,Hex, 3/8" - 16 x 1", Gr 5, Full Thd

L73972 fan Hex, 3/8"-16 x 1", G5, Full Thd

4шт.

26

13-624

BOLT,Hex, 3/8" - 16 x 1-1/2", Gr 5

- hex head, 3/8" - 16 NC x 1-1/2", A15519 fan

4шт.

27

92-6

LOCK WASHER,3/8"

4шт.

28

L73972

FAN

PUSHER FAN - engine

1шт.

28

A15519

FAN

PULLER FAN - engine

1шт.

29

L49007

SPACER

- A15519 fan only

1шт.

30

L71057

SET OF BELTS,0.69" W x 62.00" L

Fan and alternator drive 0.69" W x 62.00" L

1шт.

31

L57804

BELT,0.50" W

V-BELT , Compressor drive 0.50" W

1шт.

Выбрано товаров: 39