Запчасти Case W20 (056) - FUEL LINES (03) - FUEL SYSTEM

Схема запчастей Case W20 - (056) - FUEL LINES (03) - FUEL SYSTEM
FIT
1:1
100%

Артикул

Название

Примечание

Количество

REF

INSTRUCTION

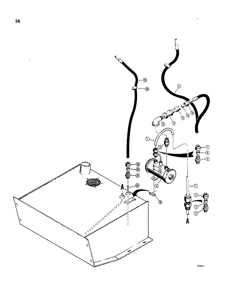
FUEL TANK ASSEMBLY - parts list Figure 58

1шт.

L109268

FUEL TUBE,0.375" OD

TUBE ASSEMBLY - fuel intake, used with L109288 fuel tank, Includes: Ref. 1 - 4

1шт.

L46867

FUEL TUBE

TUBE ASSEMBLY - fuel intake, used with L77455 fuel tank, Includes: Ref. 1 - 4

1шт.

1

NSS

NOT SOLD SEPARAT

TUBE - intake

1шт.

222-638

FITTING,9/16"-24 x 3/8" NPT, Comp

ASSEMBLY - straight, Includes: Ref. 2 - 4

1шт.

2

NSS

NOT SOLD SEPARAT

BODY - fitting

1шт.

3

222-654

FERRULE,3/8" Tube, Comp

- fitting

1шт.

4

222-664

TUBE NUT,9/16"-24, 45 Degree Fl, Comp

NUT - fitting

1шт.

222-606

FITTING,9/16"-24 x 1/8" NPT, Comp

ASSEMBLY - straight, Includes: Ref. 5 - 7

1шт.

5

NSS

NOT SOLD SEPARAT

BODY - fitting

1шт.

6

222-654

FERRULE,3/8" Tube, Comp

- fitting

1шт.

7

222-664

TUBE NUT,9/16"-24, 45 Degree Fl, Comp

NUT - fitting

1шт.

8

REF

INSTRUCTION

PUMP - fuel, parts list Figure 60

1шт.

9

13-48

BOLT,Hex, 1/4" - 20 x 1/2", Gr 5

2шт.

10

92-4

LOCK WASHER,1/4"

WASHER, LOCK, , If used 1/4"

2шт.

11

217-60

REDUCER,1/4" - 18 NPT x 1/8" - 27 NPT

NIPPLE - pipe, reducing

1шт.

12

221-412

ELBOW,90 Degree, 1/4"-27, NPT

STREET ELBOW - 90 degree

1шт.

13

L17627

VALVE

CHECK VALVE - fuel, if used

1шт.

222-14

FITTING,5/8"-24 Inv Fl x 1/4" NPT Fem

ASSEMBLY - female, tube, Includes: Ref. 14 - 16

1шт.

14

NSS

NOT SOLD SEPARAT

BODY - fitting

1шт.

15

222-104

SLEEVE,3/8" Tube

- fitting

1шт.

16

222-114

NUT,5/8"-24

NUT - fitting

1шт.

17

L47879

HOSE

- 22" (559 mm) long

1шт.

18

131-630

SPRING NUT,Tinn, U, 1/4"-20

CLIP - U-type, if used

1шт.

19

L48042

HOSE

- fuel return

1шт.

20

214-101

HOSE CLAMP,#6, 3/8", Spring

CLAMP - fuel line

1шт.

222-639

FITTING,7/16"-24 x 1/4" NPT, Comp

ASSEMBLY - tube, fuel return, Includes: Ref. 21 - 23

1шт.

21

NSS

NOT SOLD SEPARAT

BODY - fitting

1шт.

22

222-102

SLEEVE,1/4" Tube

1шт.

23

87017024

TUBE NUT,1/2"-24

NUT - fitting

1шт.

24

L48035

FUEL TUBE

TUBE - fuel return

1шт.

Выбрано товаров: 31