Запчасти Case W20 (092) - TRANSMISSION AND ENGINE MOUNTS (06) - POWER TRAIN

Схема запчастей Case W20 - (092) - TRANSMISSION AND ENGINE MOUNTS (06) - POWER TRAIN
FIT
1:1
100%

Артикул

Название

Примечание

Количество

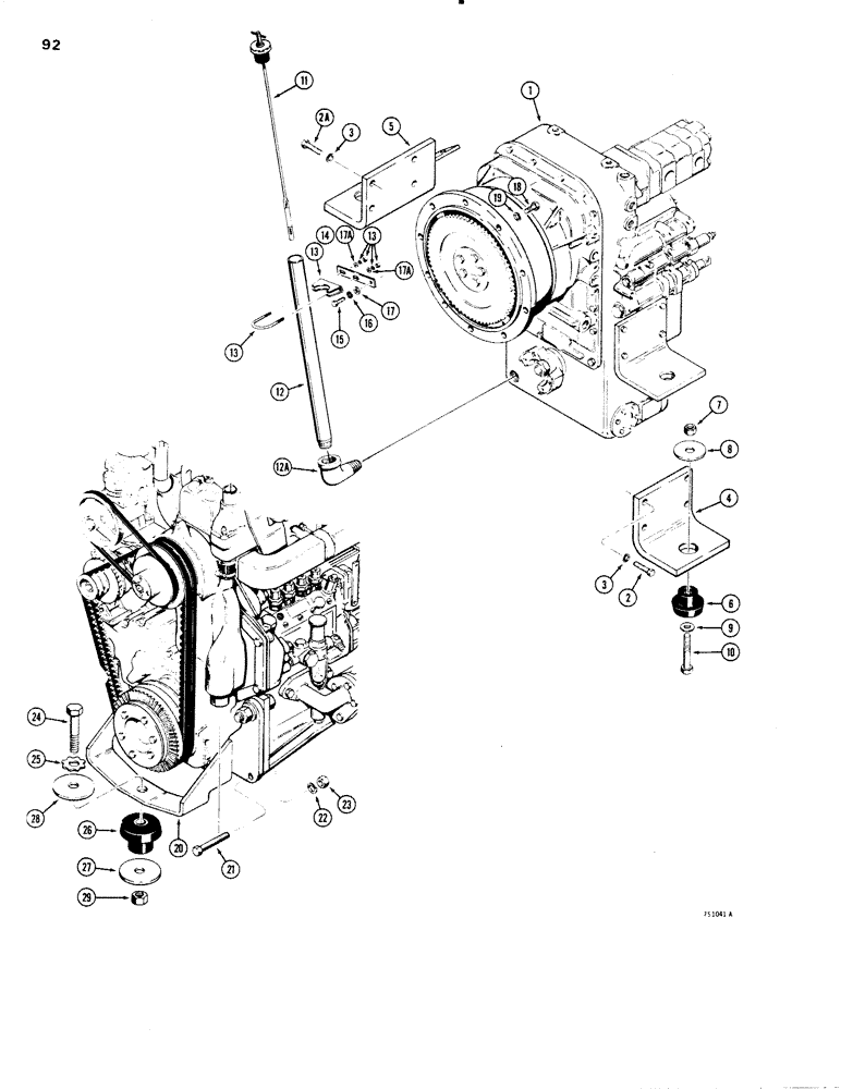
1

L55661

TRANSMISSION

ASSEMBLY - complete (Parts list figures 94 thru 112)

1шт.

2

13-1032

BOLT,Hex, 5/8" - 11 x 2", Gr 5

2шт.

2a

13-1028

BOLT,Hex, 5/8" - 11 x 1-3/4", Gr 5, Full Thd

6шт.

3

92-10

LOCK WASHER,5/8"

WASHER, LOCK, 5/8"

8шт.

4

L50676

BRACKET

- trans. mounting, R.H. (Includes ref. no. 6)

1шт.

5

L50679

MOUNTING PARTS

BRACKET - trans. mounting, L.H., Includes: Ref. 6

1шт.

6

S93392

MOUNTING PARTS

SHOCK MOUNT - transmission, bonded

1шт.

7

131-16

LOCK NUT,3/4"-10, GB

LOCKNUT, 3/4"-10, GB

2шт.

8

A19068

WASHER

- special, shock mount retaining

2шт.

9

95-12

WASHER,3/4"

- standard wrot () 3/4"

2шт.

10

13-1264

BOLT,Hex, 3/4" - 10 x 4", Gr 5

2шт.

11

L53872

DIPSTICK

- transmission oil gauge

1шт.

12

L53873

PIPE

- transmission filler

1шт.

12a

221-417

ELBOW,90 Degree, 1 1/4"-11 1/2, NPT

- street, 90 degree (1-1/4" NPT)

1шт.

13

L14262

CLAMP

U BOLT AND HARDWARE

1шт.

13

L14262

CLAMP

U BOLT AND HARDWARE

1шт.

14

L72533

BRACKET

-, Serial Range: clamp-transmission

1шт.

15

13-722

BOLT,Hex, 7/16" - 14 x 1-3/8", Gr 5

1шт.

16

92-7

LOCK WASHER,7/16"

1шт.

17

95-7

WASHER,7/16"

- standard wrot () 7/16"

1шт.

17a

195-103

WASHER,5/16"

- flat, plated 5/16"

2шт.

18

13-620

BOLT,Hex, 3/8" - 16 x 1-1/4", Gr 5, Full Thd

12шт.

19

92-6

LOCK WASHER,3/8"

12шт.

REF

INSTRUCTION

SWITCH - not part of transmission, see figure 60

1шт.

20

L47865

BRACKET

- engine mount

1шт.

21

13-1248

BOLT,Hex, 3/4" - 10 x 3", Gr 5

4шт.

22

92-12

LOCK WASHER,3/4"

WASHER, LOCK, 3/4"

4шт.

23

25-1012

NUT,3/4"-10, G5

4шт.

24

13-1264

BOLT,Hex, 3/4" - 10 x 4", Gr 5

1шт.

25

L74506

WASHER

- special

1шт.

26

S93392

MOUNTING PARTS

MOUNT - rubber, engine

1шт.

27

A19068

WASHER

- special

1шт.

28

A61406

WASHER

- special

1шт.

29

131-657

LOCK NUT,3/4"-10, GB

NUT - hex., lock (3/4" - 10 NC)

1шт.

Выбрано товаров: 34