Запчасти Case W20 (176) - TRANSMISSION HYDRAULIC SYSTEM (08) - HYDRAULICS

Схема запчастей Case W20 - (176) - TRANSMISSION HYDRAULIC SYSTEM (08) - HYDRAULICS
FIT
1:1
100%

Артикул

Название

Примечание

Количество

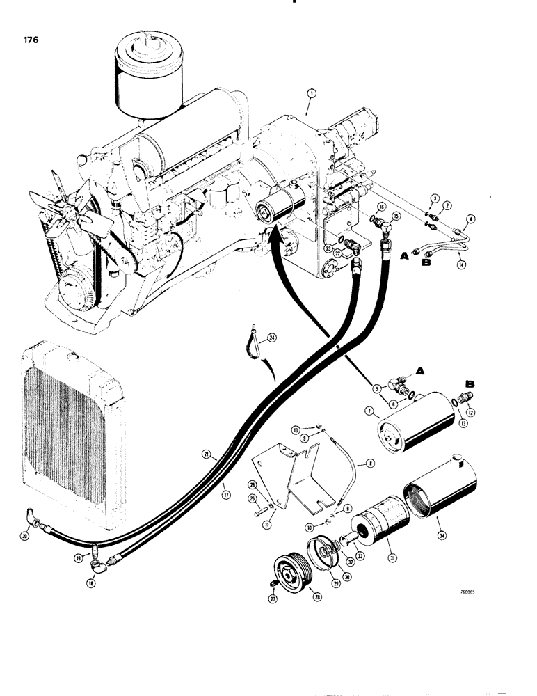
1

L55661

TRANSMISSION

ASSEMBLY - complete, parts list figures 94 thru 112

1шт.

2

218-5064

HYD CONNECTOR,1-1/16" - 12 Male JIC x 1-1/16" - 12 Male ORB

Incl. Ref. 3 1 1/16"-12, 37º x 1 1/16"-12, O-Ring

2шт.

3

218-5008

O-RING,0.116" Thk x 0.924" ID, -912, Cl 6, 90 Duro

SEAL - "O"ring

1шт.

4

L52974

TUBE

- supply, transmission to oil filter

1шт.

5

218-5108

ELBOW,90 Degree Elbow, 1-1/16" - 12 Male JIC x 1-1/16" - 12 Male ORB

adjustable, male, Incl. Ref. 6 90º, 1 1/16"-12, 37º x 1 1/16"-12, O-Ring

1шт.

6

218-5008

O-RING,0.116" Thk x 0.924" ID, -912, Cl 6, 90 Duro

SEAL - "O"ring

1шт.

7

L47141

NO LONGER SERVICED

FILTER ASSEMBLY - transmission oil (See parts list below)

1шт.

8

L52433

CLAMP

BOLT - "U" (Filter mounting)

1шт.

9

92-6

LOCK WASHER,3/8"

2шт.

10

25-106

NUT,3/8"-16, G5

- hex. (3/8" - 16 NC)

2шт.

11

L52967

BRACKET

- filter mounting

1шт.

12

218-5064

HYD CONNECTOR,1-1/16" - 12 Male JIC x 1-1/16" - 12 Male ORB

Incl. Ref. 13 1 1/16"-12, 37º x 1 1/16"-12, O-Ring

1шт.

13

218-5008

O-RING,0.116" Thk x 0.924" ID, -912, Cl 6, 90 Duro

SEAL - "O"ring

1шт.

14

L52978

TUBE

- return, oil, Serial Range: filter-transmission

1шт.

15

L76787

FITTING - adjustable, tee, Includes: Ref. 16

1шт.

16

218-5008

O-RING,0.116" Thk x 0.924" ID, -912, Cl 6, 90 Duro

SEAL - "O"ring

1шт.

17

L48529

HOSE

- 68" long (1727 mm)

1шт.

18

221-415

ELBOW,90 Degree, 3/4"-14, NPT

Street 90º, 3/4"-14, NPT

1шт.

19

221-701

PIPE,Nipple, 3/4" NPT x 2 1/4"

NIPPLE - 3/4" x 2-1/4"

1шт.

20

221-378

ELBOW,90 Degree, 3/4" NPT

- street, 90 degree (3/4" NPT)

1шт.

21

L50014

HOSE

- 84" long (2134 mm)

1шт.

22

218-5138

ELBOW,45 Degree Elbow, 1-1/16" - 12 Male JIC x 1-1/16" - 12 Male ORB

FITTING - 45 degree male, adjustable, Includes: Ref. 23

1шт.

23

218-5008

O-RING,0.116" Thk x 0.924" ID, -912, Cl 6, 90 Duro

SEAL - "O"ring

1шт.

24

L18331

CABLE TIE,375.9mm L, Nylon, Black

TIE WIRE - cooler hose

1шт.

25

13-1028

BOLT,Hex, 5/8" - 11 x 1-3/4", Gr 5, Full Thd

Bracket mounting Hex, 5/8"-11 x 1 3/4", G5, Full Thd

2шт.

26

92-10

LOCK WASHER,5/8"

WASHER, LOCK, 5/8"

2шт.

L47141

NO LONGER SERVICED

FILTER ASSEMBLY - transmission oil, L47141, Includes: Ref. 27 - 34

1шт.

27

221-1011

DRAIN PLUG,Sq Hd, 1/8"-27 NPTF

PLUG - pipe, square head (1/8" NPT), L47141 transmission oil filter

1шт.

28

A60765

CAP

- filter, L47141 transmission oil

1шт.

A61234

HYDRAULIC OIL FILTER

ELEMENT REPLACEMENT KIT - transmission oil filter, L47141, Includes: Ref. 29 - 31

1шт.

29

G32176

BACK-UP RING,101.22mm ID x 107.32mm OD x 1.4mm Thk

Cap seal, L47141 Transmission oil filter

1шт.

30

A27507

O-RING,0.139" Thk x 3.984" ID, -242, Cl 5, 75 Duro

SEAL - "O"ring, cap, L47141 transmission oil filter

1шт.

31

NSS

NOT SOLD SEPARAT

ELEMENT - filter, L47141 transmission oil

1шт.

32

D31212

SPRING

- retaining, relief valve, L47141 transmission oil filter

1шт.

33

D37207

VALVE

- relief, L47141 transmission oil filter

1шт.

34

A60767

BODY

- filter, L47141 transmission oil

1шт.

Выбрано товаров: 36