Запчасти Case W20 (188) - G101416 AND G101417 LIFT CYLINDERS (08) - HYDRAULICS

Схема запчастей Case W20 - (188) - G101416 AND G101417 LIFT CYLINDERS (08) - HYDRAULICS
FIT
1:1
100%

Артикул

Название

Примечание

Количество

G101416

CYLINDER ASSY.

CYLINDER - R.H. lift, 5" dia. x 30" stroke (127 mm x 762 mm)

1шт.

G101417

CYLINDER ASSY.

CYLINDER - L.H. lift, 5" dia. x 30" stroke (127 mm x 762 mm), Includes: Ref. 1 - 16

1шт.

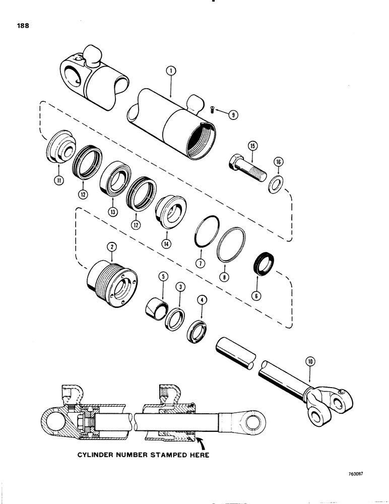
1

G34728

TUBE,39.77" L

- G101416 cylinder

1шт.

1

G34729

TUBE

- G101417 cylinder

1шт.

G34751

SPARE PART

GLAND ASSEMBLY, Includes: Ref. 2 - 8

1шт.

2

NSS

NOT SOLD SEPARAT

GLAND

1шт.

3

NSS

NOT SOLD SEPARAT

RING - center bearing

1шт.

4

D95146

WIPER SEAL,63.4mm ID x 76.22mm OD x 7.92mm Thk

WIPER - piston rod

1шт.

5

G34307

BEARING - center

1шт.

Part of Seal KIT, P/N G34537

1шт.

6

D45571

ROD

SEAL - piston rod

1шт.

Part of Piston Rod SEAL, P/N G100780

1шт.

Part of Seal KIT, P/N G34537

1шт.

7

238-5248

O-RING,0.139" Thk x 4.734" ID, -248, Cl 5, 75 Duro

SEAL - "O"ring, Latch, 17 Ft Only

1шт.

Part of Seal KIT, P/N G34537

1шт.

8

S92639

RING

- backup

1шт.

Part of Seal KIT, P/N G34537

1шт.

9

187-1031

SELF-TAP SCREW,Pan, 0.164"-32 x 1/4"

SCREW - self tapping, #8 - 32 NC x 1/4"

1шт.

10

G101413

ROD

- piston, 2-1/2" dia. (64 mm)

1шт.

11

D48562

PISTON,123.95mm Bore, 63.5mm Rod, 34.92mm W

- split, bolt half

1шт.

12

D47206

PACKING

ASSEMBLY - piston, "V" type

2шт.

Part of Seal KIT, P/N G34594

1шт.

13

D47211

BEARING WASHER,95.28mm ID x 126.69mm OD x 19mm Thk

BEARING - center

1шт.

14

G100530

PISTON,123.95mm Bore, 32.54mm Rod, 36.92mm W

- split, rod half

1шт.

15

28-2048

BOLT,Hex, 1-1/4" - 12 x 3", Gr 8

1шт.

16

G32351

WASHER

- hardened

1шт.

G34537

SEAL

KIT - seal, Includes: Refs. 4-8 and 12.

1шт.

G100780

SEAL

- piston rod (Service option - extreme heat or cold) (replaced G100778) Includes: Ref. 6

1шт.

Выбрано товаров: 28