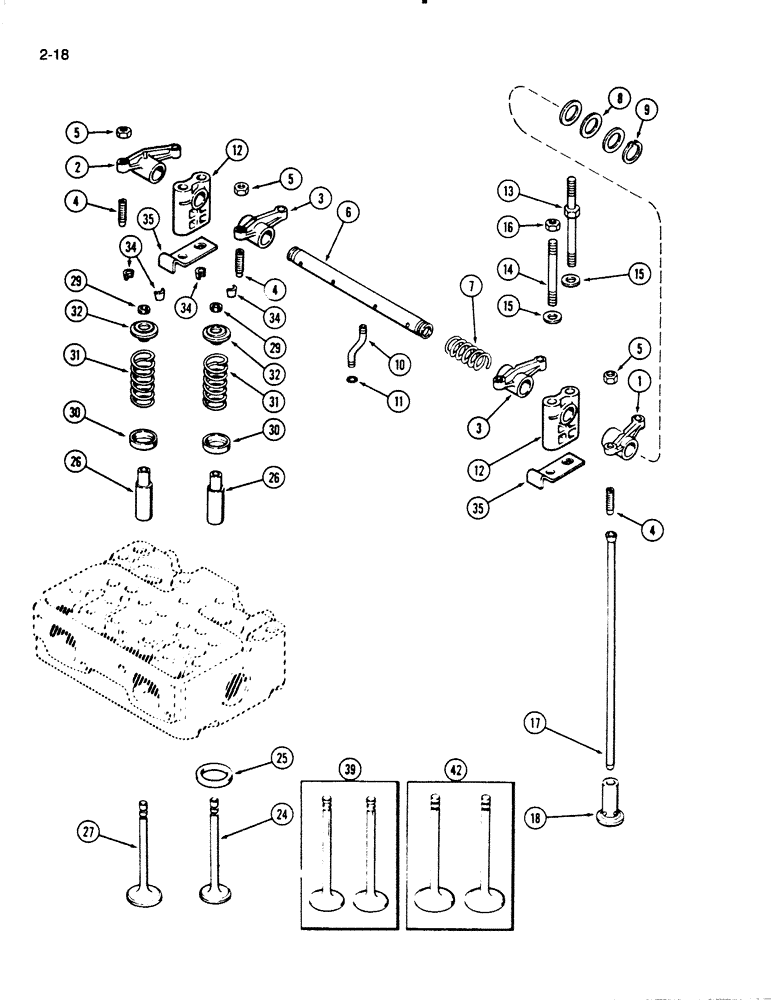
Запчасти Case W20C (2-18) - VALVE MECHANISM, 504BD AND 504BDT ENGINE (02) - ENGINE

Схема запчастей Case W20C - (2-18) - VALVE MECHANISM, 504BD AND 504BDT ENGINE (02) - ENGINE
FIT
1:1
100%

Артикул

Название

Примечание

Количество

1

A148137

ROCKER ARM

ARM ASSEMBLY - rocker, exhaust (Includes Ref 4 and 5) (No.1, 3 and 5 exhaust valves)

3шт.

2

A148138

ARM

ASSEMBLY - rocker, exhaust (Includes Ref 4 and 5) (No. 2, 4 and 6 exhaust valves)

3шт.

3

A148136

ARM

ASSEMBLY - rocker, intake valve, Includes: Ref. 4 & 5

6шт.

4

A21105

ADJUSTMENT SCREW,3/8" - 24 x 1 9/16"

SCREW - adjusting, rocker arm

1шт.

5

129-123

NUT,3/8"-24, G5

1шт.

6

A150545

SHAFT

- rocker arm

3шт.

7

A27877

SPRING

- rocker shaft

3шт.

8

A27878

WASHER

- rocker shaft

1шт.

9

B18206

SNAP RING,#87, Ext

Ring, Snap, #87, Ext

6шт.

10

A58657

TUBE

- oil, rocker shaft

3шт.

11

A27880

O-RING,0.07" Thk x 0.18" ID, -8, Cl 5, 75 Duro

- oil tube

3шт.

12

A61128

BRACKET

- rocker shaft

6шт.

13

A67121

STUD

- bracket retaining, 7/16 NC x 6 inch

6шт.

14

A58659

STUD

- bracket retaining, 7/16 NC x 4-5/16 inch

6шт.

15

195-529

WASHER,7/16", SAE

- flat, 15/32 x 59/64 x 1/16 inch

6шт.

16

129-104

NUT,7/16"-14, G5

6шт.

17

A157328

ROD

- push

12шт.

18

A20865

TAPPET

LIFTER - push rod

12шт.

A21857

TAPPET

LIFTER - push rod, 0.010 inch oversize

1шт.

24

NSS

NOT SOLD SEPARAT

VALVE - exhaust (Order Ref 39)

6шт.

25

A58619

INSERT

- exhaust valve seat

6шт.

26

A41783

GUIDE

- valve stem

12шт.

27

NSS

NOT SOLD SEPARAT

VALVE - intake (Qrder Ref 42)

6шт.

29

A58628

SEAL,8mm ID x 13.77mm OD x 2.16mm Thk

- valve stem

12шт.

30

A66328

SEAT

- valve spring

12шт.

31

A66444

SPRING

- valve

12шт.

32

A66336

ROTATOR

RETAINER - exhaust and intake valve

12шт.

34

A27872

LOCK

- retainer

24шт.

35

A157197

STRAP

- gasket locater

6шт.

39

A41753

VALVE

S - exhaust (Set of 2)

3шт.

42

A41754

VALVE

S - intake (Set of 2)

3шт.

Выбрано товаров: 31