Запчасти Case W20C (8-72) - LOADER CONTROL LEVERS (2 SPOOL), WITH SINGLE LEVER CONTROL (08) - HYDRAULICS

Схема запчастей Case W20C - (8-72) - LOADER CONTROL LEVERS (2 SPOOL), WITH SINGLE LEVER CONTROL (08) - HYDRAULICS
FIT
1:1
100%

Артикул

Название

Примечание

Количество

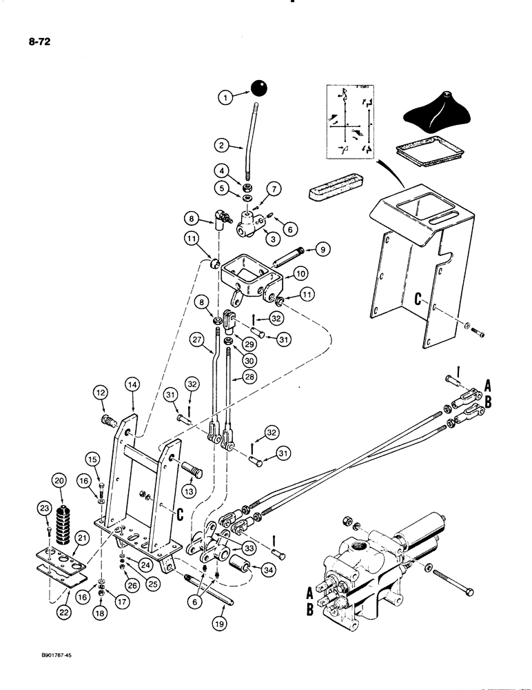
1

E128143

KNOB

- control lever

1шт.

2

L123783

LEVER

- control, loader lift and bucket

1шт.

3

E126741

DIPPER

BELLCRANK - control lever

1шт.

4

825-1116

NUT,M16, Cl 8

1шт.

5

FE4412

WASHER

- special

1шт.

6

80710

LUBE NIPPLE,1/8” – 27 Dryseal PTF

NIPPLE, LUBE, , Special 1/8"-27 x .66 lg

3шт.

7

814-6010

BOLT,Hex, M6 x 1 x 10mm, Cl 8.8, Full Thd

- hex, 6 - 1 x 10 mm

1шт.

8

E126740

BALL JOINT

- control lever, includes jam nut

1шт.

9

E126737

AXLE PIN

SHAFT - pivot, bellcrank

1шт.

10

E126730

SUPPORT ASSY.

BELLCRANK - control rod

1шт.

11

E126734

CYLINDER END CAP

BUSHING - bellcrank

2шт.

12

E126735

AXLE PIN

SHAFT - bellcrank to console, short

1шт.

13

E126736

AXLE PIN

SHAFT - bellcrank to console, long

1шт.

14

E126738

SUPPORT

CONSOLE - control, bellcrank

1шт.

15

413-620

BOLT,Hex, 3/8" - 16 x 1-1/4", Gr 5

- hex, 3/8 NC x 1-1/4 inch

4шт.

16

495-21044

WASHER,3/8"

(flat, 7/16 x 1 x 5/64 inch) 3/8"

8шт.

17

492-11038

LOCK WASHER,3/8"

4шт.

18

425-106

NUT,3/8"-16, Cl 5

4шт.

19

E125040

AXLE PIN

SHAFT - mounting, lower bellcrank

1шт.

20

L59927

SEAL

- control rods, cab models

2шт.

21

L76911

PLATE

- seal retaining, cab models

1шт.

22

L70085

SEAL

- plate, cab models

1шт.

23

163-12

SCREW,Hex, #10 - 24 x 3/4"

- machine, hex head, No. 10 NC x 3/4 inch

4шт.

24

195-10

WASHER,#8

- flat, No. 10

4шт.

25

492-11010

LOCK WASHER,#10

WASHER, LOCK, #10

4шт.

26

129-17

NUT,Hex, #10 - 24

NUT - hex, No. 10 NC

4шт.

27

E126743

ROD

- bucket control

1шт.

28

E128138

ROD

- lift control

1шт.

29

E128131

CLEVIS

- end, lift rod, special

1шт.

30

825-1112

NUT,M12, Cl 8

- hex, 12 mm - 1.75

1шт.

31

141-56

CLEVIS PIN,1/2" x 1.360"

PIN - clevis, 1/2 x 1-23/64 inch, hardened

3шт.

32

FE5305

PIN

- cotter, clevis, special

3шт.

33

E125041

DIPPER

BELLCRANK - lower, control rod

2шт.

34

L55379

BUSHING,19.05mm ID x 26.9mm OD x 54mm L

SPACER - lower bellcrank

1шт.

35

141-6

CLEVIS PIN,1/2" x 1.360"

PIN - clevis, 1/2 x 1-23/64 inch, hardened

4шт.

36

132-48

COTTER PIN,1/8" x 1"

Pin, Split (Cotter), 1/8" x 1"

4шт.

37

213-6

ADJUSTABLE CLEVIS,1/2"-20 x 3"

CLEVIS - adjustable, 1/2 inch NF

4шт.

38

425-158

JAM NUT,Jam, 1/2"-20, G5

4шт.

39

L74926

ROD

- control, loader lift

1шт.

Rods are used with L70410 valve only, (1) L127293 lift control and (1) L127294 bucket control rod must be used with L127094 service replacement valve.

1шт.

40

L74927

ROD

- control, bucket

1шт.

Rods are used with L70410 valve only, (1) L127293 lift control and (1) L127294 bucket control rod must be used with L127094 service replacement valve.

1шт.

41

413-888

BOLT,Hex, 1/2" - 13 x 5-1/2", Gr 5

- hex, 1/2 NC x 5-1/2 inch

3шт.

42

95-8

WASHER,1/2"

flat 1/2"

3шт.

43

80679

LOCK WASHER,1/20.507 CST ZND

WASHER, LOCK, 1/2"

3шт.

44

425-108

NUT,1/2" - 13, Gr 5

NUT, , Hex 1/2"-13, G5

3шт.

45

REF

INSTRUCTION

VALVE ASSEMBLY - loader control, 2 spool, see Figures 8-20 and 8-22 for correct valve

1шт.

46

E126746

COVER

- ROPS canopy models

1шт.

47

FE146

BOLT,M5 x 30mm

SCREW - machine, special

6шт.

48

FE4001

WASHER

- flat, special

6шт.

49

FE4201

LOCK WASHER

- lock, special

6шт.

50

825-1105

NUT,M5, Cl 8

hex, 5 mm - .8

6шт.

51

NLS

NO LONGER SERVICED

BOOT - console cover

1шт.

52

E126756

RETAINER

- boot

1шт.

53

E126755

FOAM

SEAL - foam, control lever

1шт.

54

E126913

DECAL

loader control pattern

1шт.

Выбрано товаров: 56