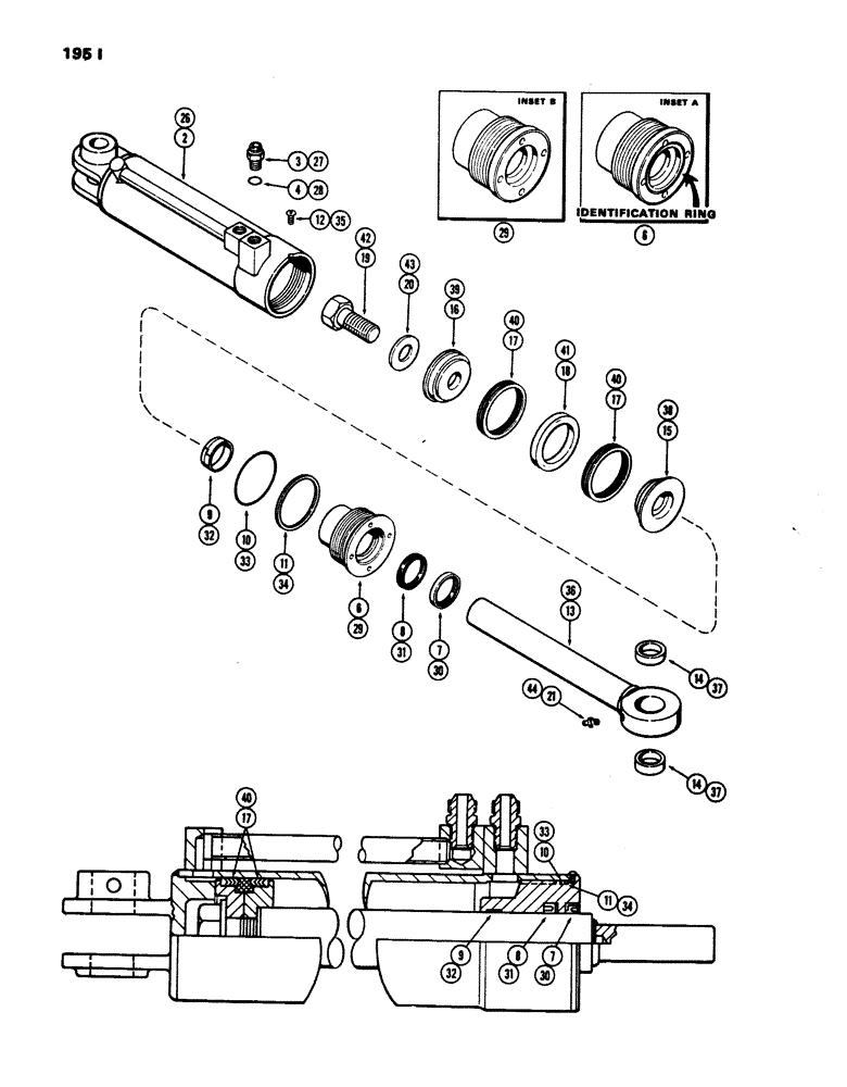
Запчасти Case W24 (195I) - G33624 & G33625 CLAM CYLS,4" DIA. CYL W/10"STROKE W/SOLID OUTER PISTON ROD WIPER WITHGLAND ID RING. (08) - HYDRAULICS

Схема запчастей Case W24 - (195I) - G33624 & G33625 CLAM CYLS,4" DIA. CYL W/10"STROKE W/SOLID OUTER PISTON ROD WIPER WITHGLAND ID RING. (08) - HYDRAULICS
FIT
1:1
100%

Артикул

Название

Примечание

Количество

G33624

CYLINDER

ASSEMBLY, left hand, Includes: Ref. 2 - 21

1шт.

G33625

HYDRAULIC CYLINDER

ASSEMBLY, right hand, Includes: Ref. 2 - 21

1шт.

2

G31965

HYD TUBE

cylinder body, left hand

1шт.

2

G31964

HYD TUBE,18.69" L

cylinder body, right hand

1шт.

4

237-6010

O-RING,0.097" Thk x 0.755" ID, -910, Cl 6, 90 Duro

connector, 3/4 x 1 x 3/32"

1шт.

G33640

GLAND

ASSEMBLY, Includes: Ref. 6 - 9

1шт.

6

NSS

NOT SOLD SEPARAT

GLAND, See inset A

1шт.

7

D95144

WIPER SEAL,50.77mm ID x 63.52mm OD x 7.92mm Thk

Wiper - piston rod, outer, 2 x 2-1/2 x 5/16"

1шт.

Part of Cylinder Repair Seal Kit P/N G32299.

1шт.

8

D36971

RING

Seal piston, rod, 2 x 2-1/2 x 7/16"

1шт.

Part of Cylinder Repair Seal Kit P/N G32299.

1шт.

9

D27380

SCRAPER RING

WIPER piston rod, inner

1шт.

Part of Cylinder Repair Seal Kit P/N G32299.

1шт.

10

A27507

O-RING,0.139" Thk x 3.984" ID, -242, Cl 5, 75 Duro

gland, 4 x 4-1/4 x 1/8", Includes: Ref. 11

1шт.

Part of Cylinder Repair Seal Kit P/N G32299.

1шт.

11

G32176

BACK-UP RING,101.22mm ID x 107.32mm OD x 1.4mm Thk

"O", Gland

1шт.

Part of Cylinder Repair Seal Kit P/N G32299.

1шт.

12

187-1031

SELF-TAP SCREW,Pan, 0.164"-32 x 1/4"

gland lock #8-32 x 1/4" self tapping

1шт.

13

G33626

ROD

ASSEMBLY piston, 2" dia., Includes: Ref. 14

1шт.

14

D33127

BUSHING,38.33mm ID x 47.63mm OD x 12.7mm L

piston rod

2шт.

15

G33623

PISTON

split, rod end, w/identification ring

1шт.

16

D28370

PISTON

split, bolt end

1шт.

17

D47204

PACKING,89.15mm ID x 100.86mm OD

ASSEMBLY "V" type

2шт.

Part of Cylinder Repair Seal Kit P/N G32299.

1шт.

18

D47209

BEARING,3.006" ID x 3.987" OD x 0.631"

center bearing

1шт.

19

28-2040

BOLT,Hex, 1-1/4" - 12 x 2-1/2", Gr 8

- Hex, 1-1/4"-12 NF x 2-1/2", G8, Piston

1шт.

20

G32351

WASHER

piston bolt 1//38 x 2-1/2 x 9/64"

1шт.

21

219-1

LUBE NIPPLE,1/8" - 27 NPTF

FITTING grease, 1/8" P.T. str.

1шт.

G32299

KIT

SEAL KIT - cylinder repair, Includes: Ref. 7 - 11 and 17

1шт.

G32671

CYLINDER

ASSEMBLY clam, left hand, G32671 and G32672, without gland identification ring, Includes: Ref. 26 - 44

1шт.

G32672

CYLINDER

ASSEMBLY, clam, right hand, G32671 and G32672, without gland identification ring, Includes: Ref. 26 - 44

1шт.

26

G32965

SCREW,4.997" ID x 3" DIA x 52.33" L

TUBE, cylinder body, left hand, G32671 and G32672 clam, without gland identification ring

1шт.

26

G32964

TUBE, cylinder body, right hand, G32671 and G32672 clam, without gland identification ring

1шт.

27

218-5066

HYD CONNECTOR,7/8" - 14 Male JIC x 3/4" - 16 Male ORB

CONNECTOR, HYD., , Assy, tube, G32671 and G32672 clam cylinders, without gland identification ring, Incl. Ref. 28 7/8"-14, 37º x 3/4"-16, O-Ring

2шт.

28

237-6010

O-RING,0.097" Thk x 0.755" ID, -910, Cl 6, 90 Duro

3/4 x 1 x 3/32", G32671 and G32672 clam cylinders, without gland identification ring

1шт.

G32737

GLAND

ASSEMBLY, G32671 and G32672 clam cylinders, without identification ring

1шт.

29

NSS

NOT SOLD SEPARAT

GLAND, , See Inset B, G32671 and G32672 clam cylinders, without identification ring, Includes: Ref. 30 - 34

1шт.

30

D95144

WIPER SEAL,50.77mm ID x 63.52mm OD x 7.92mm Thk

Wiper - piston rod, outer, 2 x 2-1/2 x 5/16", G32671 and G32672 clam cylinders, without gland identification ring

1шт.

Part of Cylinder Repair Seal Kit P/N G32299.

1шт.

31

D36971

RING

SEAL piston rod 2 x 2-1/2 x 7/16"), G32671 and G32672 clam cylinders, without gland identification ring

1шт.

Part of Cylinder Repair Seal Kit P/N G32299.

1шт.

32

D27380

SCRAPER RING

WIPER piston rod, inner, G32671 and G32672 clam cylinders, without gland identification ring

1шт.

Part of Cylinder Repair Seal Kit P/N G32299.

1шт.

33

A27507

O-RING,0.139" Thk x 3.984" ID, -242, Cl 5, 75 Duro

gland, 4 x 4-1/4 x 1/8", G32671 and G32672 clam cylinders, without identification ring

1шт.

Part of Cylinder Repair Seal Kit P/N G32299.

1шт.

34

G32176

BACK-UP RING,101.22mm ID x 107.32mm OD x 1.4mm Thk

"O", Gland, Without Identification Ring, for service order N9381 housing kit, G32671 and G32672 clam cylinders, without identification ring

1шт.

Part of Cylinder Repair Seal Kit P/N G32299.

1шт.

35

187-1031

SELF-TAP SCREW,Pan, 0.164"-32 x 1/4"

gland lock, #8-32 x 1/4" self-tapping, G32671 and G32672 clam cylinders, without identification ring

1шт.

36

G31974

ROD

ASSEMBLY piston, 2" dia., G32671 and G32672 clam cylinders, without gland identification ring, Includes: Ref. 37

1шт.

37

D33127

BUSHING,38.33mm ID x 47.63mm OD x 12.7mm L

piston rod, G32671 and G32672 clam cylinders, without gland identification ring

2шт.

38

D28371

PISTON

split, rod end, G32671 and G32672 clam cylinders, without gland identification ring

1шт.

39

D28370

PISTON

split bolt end, G32671 and G32672 clam cylinders, without gland identification ring

1шт.

40

D47204

PACKING,89.15mm ID x 100.86mm OD

ASSEMBLY, piston, "V" Type, G32671 and G32672 clam cylinders, without gland identification ring

2шт.

Part of Cylinder Repair Seal Kit P/N G32299.

1шт.

41

D47209

BEARING,3.006" ID x 3.987" OD x 0.631"

center bearing, G32671 and G32672 clam cylinders, without gland identification ring

1шт.

42

28-2040

BOLT,Hex, 1-1/4" - 12 x 2-1/2", Gr 8

- Hex, 1-1/4"-12 NF x 2-1/2", G8, Piston, G32671 and G32672 clam cylinders, without gland identification ring

1шт.

43

G32351

WASHER

piston bolt, 1-3/8 x 2-1/2 x 9/64", G32671 and G32672 clam cylinders, without gland identification ring

1шт.

44

219-1

LUBE NIPPLE,1/8" - 27 NPTF

FITTING grease, 1/8" P.T. str., G32671 and G32672 clam cylinders, without gland identification ring

1шт.

G32299

KIT

SEAL KIT - cylinder repair, Includes: Ref. 30 - 34 and 40, G32671 and G32672 clam, without gland identification ring

1шт.

3

218-5006

O-RING,0.087" Thk x 0.644" ID, -908, Cl 6, 90 Duro

CONNECTOR ASSEMBLY tube, Includes: Ref. 4

2шт.

Выбрано товаров: 60