Запчасти Case W24 (202) - LOADER POSITIONING CONTROLS (08) - HYDRAULICS

Схема запчастей Case W24 - (202) - LOADER POSITIONING CONTROLS (08) - HYDRAULICS
FIT
1:1
100%

Артикул

Название

Примечание

Количество

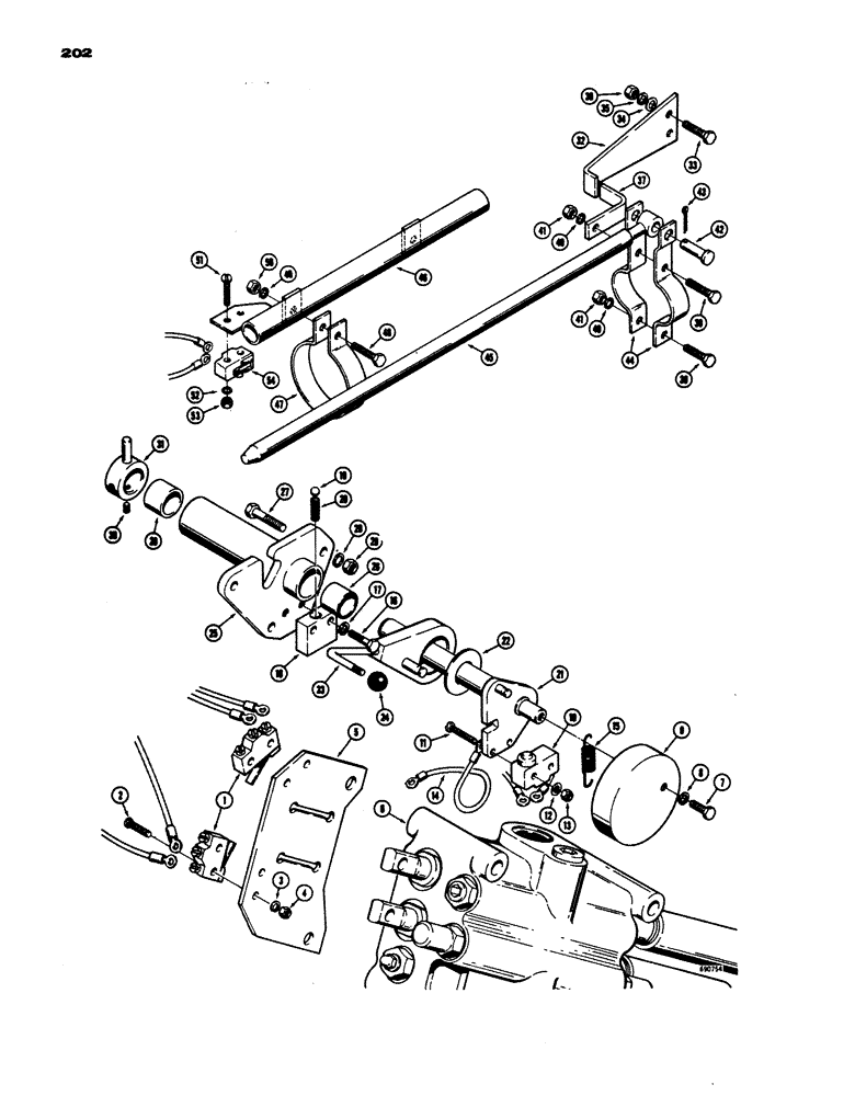
1

L11349

SWITCH

Micro, tilt and lift (At valve)

2шт.

2

173-67

RHMS - #6 - 32 NC x 1-1/8"

4шт.

3

193-4

LOCK WASHER,Ext Tooth, 0.145" ID x 0.318" OD, STL, PLN

4шт.

4

129-5

NUT,#6-32

4шт.

5

L17225

Micro switch mounting (2 spool valve only)

1шт.

5

L16777

Micro switch mounting (3 spool valve only)

1шт.

6

REF

INSTRUCTION

VALVE - loader control (Parts list Figure 204 and 206)

1шт.

7

13-612

BOLT,Hex, 3/8" - 16 x 3/4", Gr 5, Full Thd

Loader bucket height control

1шт.

8

92-6

LOCK WASHER,3/8"

Loader bucket height control 3/8"

1шт.

9

L14561

Lift arm height control, loader bucket

1шт.

10

A19513

SWITCH

- neutral start, Micro, lift (At height control), loader bucket height control

1шт.

11

173-66

SCREW,Sl Rnd Hd, #6 - 32 x 1"

Loader bucket height control

2шт.

12

193-4

LOCK WASHER,Ext Tooth, 0.145" ID x 0.318" OD, STL, PLN

Loader bucket height control

2шт.

13

129-5

NUT,#6-32

Loader bucket height control

2шт.

14

RESERVED, loader bucket height control

1шт.

15

L14525

Lift arm height control, loader bucket

1шт.

16

13-418

BOLT,Hex, 1/4" - 20 x 1-1/8", Gr 5

Loader bucket height control

2шт.

17

92-4

LOCK WASHER,1/4"

Loader bucket height control

2шт.

18

L17376

Ball guide, loader bucket height control

1шт.

19

211-13

BALL,1/2" Dia

- detent, loader bucket height control 1/2" Dia

1шт.

20

A50092

SPRING

Detent, loader bucket height control

1шт.

21

L17375

SHAFT

Lift arm height control, loader bucket

1шт.

22

L14527

WASHER - special, loader bucket height control

1шт.

23

L16746

LEVER

ASSY - lift arm height control, loader bucket

1шт.

24

L16708

KNOB

Lever, loader bucket height control

1шт.

25

L16744

TUBE

Lift arm height control, loader bucket, Incl. Ref. 26

1шт.

26

A31082

BUSHING

Tube, lift arm height control, loader bucket

2шт.

27

13-624

BOLT,Hex, 3/8" - 16 x 1-1/2", Gr 5

Loader bucket height control

3шт.

28

92-6

LOCK WASHER,3/8"

Loader bucket height control 3/8"

3шт.

29

25-106

NUT,3/8"-16, G5

Loader bucket height control

3шт.

30

178-256

SET SCREW,Hex Soc, 3/8"-16 x 5/8"

Loader bucket height control

1шт.

31

17374

SAFETY VALVE

FINGER - lift arm height control, loader bucket

1шт.

32

L15066

INDICATOR

Return to dig, on bellcrank, loader bucket

1шт.

33

13-624

BOLT,Hex, 3/8" - 16 x 1-1/2", Gr 5

Loader bucket return to dig

2шт.

34

95-6

WASHER,3/8"

standard wrot, loader bucket return to dig 3/8"

2шт.

35

92-6

LOCK WASHER,3/8"

Loader bucket return to dig 3/8"

2шт.

36

25-106

NUT,3/8"-16, G5

Loader bucket return to dig

2шт.

37

L19459

INDICATOR

Return to dig, on cylinder, loader bucket

1шт.

38

13-620

BOLT,Hex, 3/8" - 16 x 1-1/4", Gr 5, Full Thd

Loader bucket return to dig

1шт.

39

13-624

BOLT,Hex, 3/8" - 16 x 1-1/2", Gr 5

Loader bucket return to dig

1шт.

40

92-6

LOCK WASHER,3/8"

Loader bucket return to dig 3/8"

2шт.

41

25-106

NUT,3/8"-16, G5

Loader bucket return to dig

2шт.

42

141-7

CLEVIS PIN,5/8" x 1.610"

Loader bucket return to dig

1шт.

43

132-49

COTTER PIN,1/8" x 1 1/8"

Loader bucket return to dig

1шт.

44

L16198

CLAMP

Actuating, rod eye, loader bucket, Serial Range: return-dig

2шт.

45

L25954

STEM

ROD - actuating, loader bucket, Serial Range: return-dig

1шт.

46

L40442

GUIDE

Rod, return to dig, loader bucket, Serial Range: return-dig

1шт.

47

L40440

STRAP

BRACKET - guide mounting, loader bucket, Serial Range: return-dig

2шт.

47a

L17446

SPACER

Guide bracket, loader bucket, Serial Range: return-dig

2шт.

48

413-632

BOLT,Hex, 3/8" - 16 x 2", Gr 5

Loader bucket return to dig Hex, 3/8"-16 x 2", G5

2шт.

49

92-6

LOCK WASHER,3/8"

Loader bucket return to dig 3/8"

2шт.

50

25-106

NUT,3/8"-16, G5

Loader bucket return to dig

2шт.

51

169-66

RHMS - #6 - 32 NC x 1", loader bucket, Serial Range: return-dig

2шт.

52

192-5

LOCK WASHER,#6

Loader bucket return-to-dig

2шт.

53

129-15

NUT,#6-32

Loader bucket return to dig

2шт.

54

D40921

SWITCH

Micro, return to dig, loader bucket

1шт.

Выбрано товаров: 56