Запчасти Case W24 (008) - OIL FILTER & HEAT EXCHANGER, (504B) DIESEL ENGINE (02) - ENGINE

Схема запчастей Case W24 - (008) - OIL FILTER & HEAT EXCHANGER, (504B) DIESEL ENGINE (02) - ENGINE
FIT
1:1
100%

Артикул

Название

Примечание

Количество

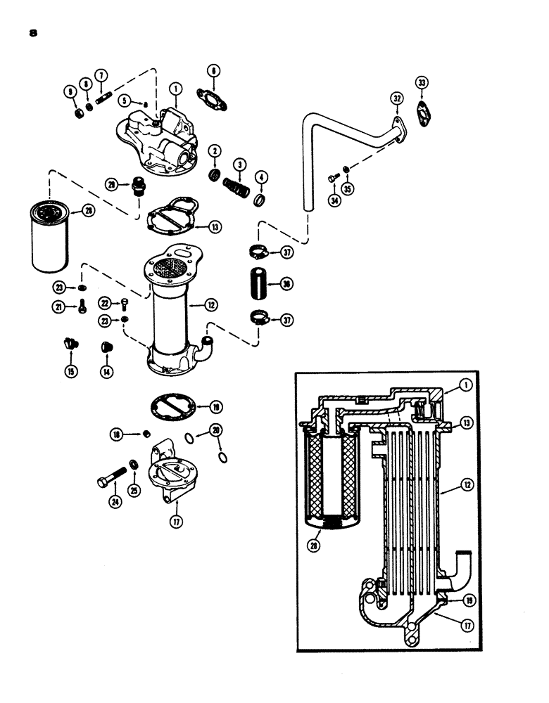
1

A58667

HEAD

ASSY. - heat exchanger & oil filter, Includes: Ref. 2 - 4

1шт.

2

A21090

VALVE

- oil filter relief

1шт.

3

A58669

SPRING

- relief valve (2-13/16" free length)

1шт.

4

41-1020

PLUG,Cup, 1 1/4"

- relief valve (1-1/4" cup type)

1шт.

5

221-1843

PLUG

- head (3/8" P.T. hex. sckt. hd.)

1шт.

6

A58670

GASKET

-, Serial Range: head-block

1шт.

7

A50241

STUD

- head to block (1/2" N.C. x 2-1/8")

2шт.

8

92-8

LOCK WASHER,1/2"

2шт.

9

25-108

NUT,1/2"-13, G5

- 1/2" N.C. hex.

2шт.

12

A58674

COOLER

EXCHANGER - heat unit

1шт.

HEAT EXCHANGER WITH 3/8" VALVE DRAIN HOLE REQUIRES 221-53 REDUCING BUSHING. HEAT EXCHANGER WITH 1/4" VALVE DRAIN HOLE CANNOT USE REDUCING BUSHING.

1шт.

13

A58676

GASKET

- exchanger, Serial Range: unit-head

1шт.

14

221-53

BUSHING

- reducer, Serial Range: 3/8"-1/4"

1шт.

HEAT EXCHANGER WITH 3/8" VALVE DRAIN HOLE REQUIRES 221-53 REDUCING BUSHING. HEAT EXCHANGER WITH 1/4" VALVE DRAIN HOLE CANNOT USE REDUCING BUSHING.

1шт.

15

A23656

COCK, DRAIN

VALVE - drain

1шт.

A64409

BASE

ASSY. - heat exchanger, Includes: Ref. 17 and 18

1шт.

17

A58673

BASE

- heat exchanger

1шт.

18

221-844

PLUG,Hex Soc, 1/2"-14

- base (1/2" P.T., hex. sckt. hd.)

1шт.

19

A58675

GASKET

- base to exchanger unit

1шт.

20

A58602

O-RING,0.103" Thk x 0.924" ID, -119, Cl 5, 75 Duro

"O" RING - base to block (15/16 x 1-1/8 x 3/32")

2шт.

21

13-616

BOLT,Hex, 3/8" - 16 x 1", Gr 5, Full Thd

Unit to head Hex, 3/8"-16 x 1", G5, Full Thd

7шт.

22

13-622

BOLT,Hex, 3/8" - 16 x 1-3/8", Gr 5

- unit to base (3/8 x 1-3/8" N.C. Hex.)

5шт.

22

13-640

BOLT,Hex, 3/8" - 16 x 2-1/2", Gr 5

- unit to base (3/8 x 2-1/2" N.C. hex.)

1шт.

23

92-6

LOCK WASHER,3/8"

13шт.

24

13-848

BOLT,Hex, 1/2" - 13 x 3", Gr 5

- base to block (1/2 x 3" N.C. hex.)

1шт.

24

13-872

BOLT,Hex, 1/2" - 13 x 4-1/2", Gr 5

Base to block Hex, 1/2"-13 x 4 1/2", G5

1шт.

25

92-8

LOCK WASHER,1/2"

2шт.

28

A58672

FILTER

- oil (1"-12 unified thread, N.F.)

1шт.

29

A58671

ADAPTER

- oil filter to head (1"-12 unified thread, N.F.)

1шт.

32

A58677

TUBE

- to water pump body

1шт.

33

A58680

OIL PAN GASKET SET

- tube to water pump body

1шт.

34

13-516

BOLT,Hex, 5/16" - 18 x 1", Gr 5

Tube to pump Hex, 5/16"-18 x 1", G5, Full Thd

2шт.

35

92-5

LOCK WASHER,5/16"

2шт.

36

A58681

HOSE

- heat exchanger (1" I.D. x 2-1/2")

1шт.

37

214-256

HOSE CLAMP,#20, 0.81" - 1.75", Type F Worm

CLAMP - hose (1-3/16" to 1-3/4")

2шт.

Выбрано товаров: 0