Запчасти Case W24 (172) - HEATER AND DEFROSTER, SIDE MOUNTED (09) - CHASSIS

Схема запчастей Case W24 - (172) - HEATER AND DEFROSTER, SIDE MOUNTED (09) - CHASSIS
FIT
1:1
100%

Артикул

Название

Примечание

Количество

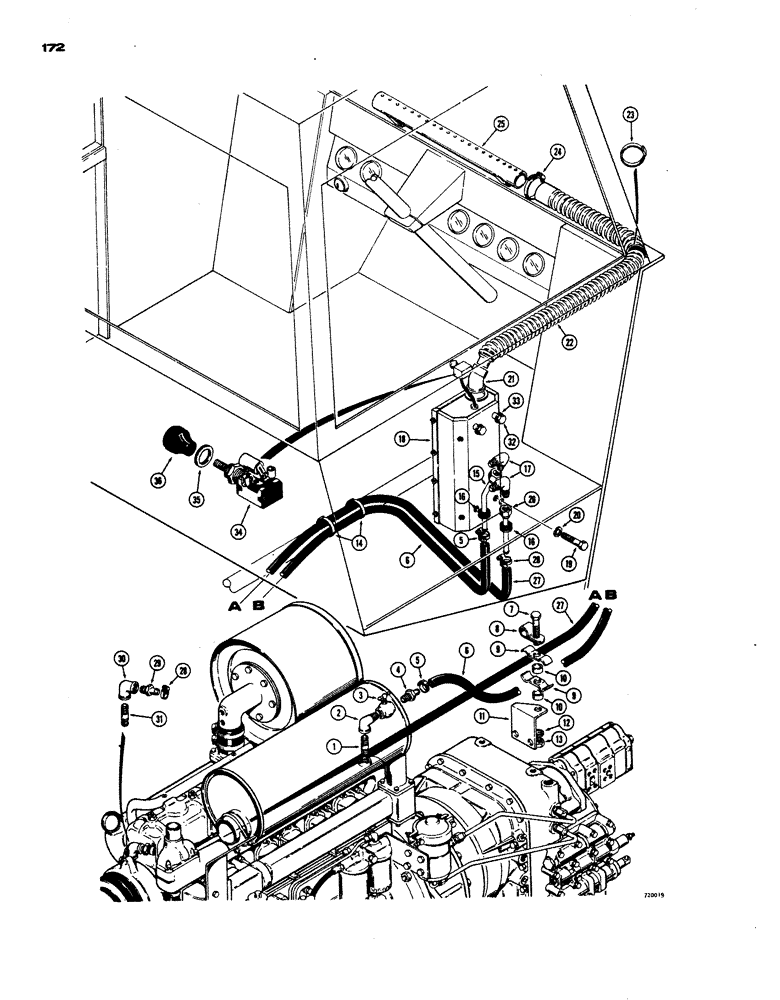
1

221-1185

FITTING

NIPPLE - pipe, galvanized (1/2" NPT)

1шт.

2

221-1414

ELBOW,90 Degree, 1/2"-14, NPT

- street, 90 degree (1/2" NPT)

1шт.

3

B18320

LOCK VALVE

VALVE - shutoff

1шт.

4

217-124

FITTING,5/8" Hose Barb x 1/2" Male NPTF

STEM - hose, brass

1шт.

5

214-253

HOSE CLAMP,#10, 0.56" - 1.06", Type F Worm

CLAMP - hose

2шт.

6

L18327

HOSE,0.63" ID x 108.00", SAE 20R3

HEATER HOSE - Low pressure, Inlet (Manifold to heater) 0.63" ID x 108.00", SAE 20R3

1шт.

7

413-632

BOLT,Hex, 3/8" - 16 x 2", Gr 5

1шт.

8

49838

CLAMP

- harness

1шт.

9

R15257

CLAMP

- hose

2шт.

10

D35217

BUSHING

SPACER - hose clamp

2шт.

11

L14560

BRACKET

- hose mounting, at transmission

1шт.

12

92-6

LOCK WASHER,3/8"

1шт.

13

25-106

NUT,3/8"-16, G5

- hex. 93/8" - 16 NC)

1шт.

14

L18331

CABLE TIE,375.9mm L, Nylon, Black

TIE WIRE - heater hose

2шт.

15

L18332

TUBE - inlet, Serial Range: manifold-heater

1шт.

16

L18325

GROMMET - inlet and outlet tube protection

2шт.

17

218-1057

ELBOW,90 Degree, 7/8"-14, 37 Degree x 3/8"-18, NPTF

- stret, male (90 degree) 3/8" NPT

2шт.

18

L16339

HEATER - cab (Parts list page 173D)

1шт.

19

113-8

HHCS - 1/4" - 20 NC x 1-3/4" (Zinc plated) Hex, 1/4"-20 X 1-3/4", G2

4шт.

20

192-19

LOCK WASHER,Helical Spring, 0.256" ID, CST, ZND

WASHER, LOCK, 1/4"

4шт.

21

L15346

ELBOW - special, 45 degree, Serial Range: (heater-defroster)

1шт.

22

L18330

HOSE - defroster

1шт.

23

L18337

CABLE TIE,9.95"-12.1" lg

STRAP - tie, 15 inch, nylon

1шт.

24

214-258

HOSE CLAMP,#28, 1.31" - 2.25", Type F Worm

1шт.

25

L15350

TUBE

DEFROSTER - cab

1шт.

26

L18333

TUBE - outlet, heater to water pump 5.5" L

1шт.

27

L18326

HOSE

- low pressure, outlet (Heater to water pump)

1шт.

28

214-253

HOSE CLAMP,#10, 0.56" - 1.06", Type F Worm

CLAMP - hose

2шт.

29

217-124

FITTING,5/8" Hose Barb x 1/2" Male NPTF

STEM - hose, brass

1шт.

30

221-1377

ELBOW,90 Degree, 1/2" NPT

- pipe, 90 degree (1/2" NPT)

1шт.

31

221-1191

PIPE,Nipple, 1/2" NPT x 2 1/2"

NIPPLE - pipe (1/2" NPT)

1шт.

32

113-8

HHCS - 1/4" - 20 NC x 1-3/4" (Zinc plated) Hex, 1/4"-20 X 1-3/4", G2

4шт.

33

192-19

LOCK WASHER,Helical Spring, 0.256" ID, CST, ZND

WASHER, LOCK, 1/4"

4шт.

34

A12898

SWITCH

- heater

1шт.

35

A19945

NUT - special

1шт.

36

A19944

KNOB - switch, heater

1шт.

Выбрано товаров: 36