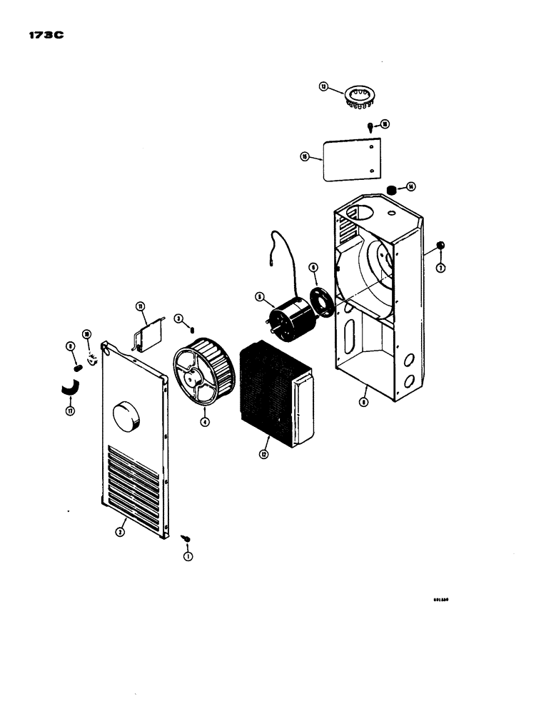
Запчасти Case W24 (173C) - L16339 CAB HEATER, SIDE MOUNTED (09) - CHASSIS

Схема запчастей Case W24 - (173C) - L16339 CAB HEATER, SIDE MOUNTED (09) - CHASSIS
FIT
1:1
100%

Артикул

Название

Примечание

Количество

L16339

HEATER - cab, Includes: Ref. 1 - 17

1шт.

1

187-328

SCREW - machine, pan head (#10 - 24 NC x 3/8")

11шт.

2

NSS

NOT SOLD SEPARAT

COVER - heater

1шт.

L32697

BLOWER WHEEL ASSEMBLY - heater, Includes: Ref. 3 and 4

1шт.

3

84-85

SET SCREW - hex. socket headless (1/2" - 20 NF x 5/16")

1шт.

4

NSS

NOT SOLD SEPARAT

BLOWER WHEEL - heater

1шт.

5

A18348

MOTOR - heater (24 volt)

1шт.

6

L32699

SHIM

- mounting, motor

1шт.

7

193-1000

NUT,Keps, w/LW,#10-32

- hex., external Shakeproof lock (#10-32NF)

2шт.

8

NSS

NOT SOLD SEPARAT

HOUSING - heater

1шт.

9

F22439

TIP - lever, damper

1шт.

10

A27338

GROMMET

- damper lever

1шт.

11

NSS

NOT SOLD SEPARAT

DAMPER - heater

1шт.

12

L32698

CORE - heater

1шт.

13

L32460

ADAPTER - defrost

1шт.

14

A27338

GROMMET

- wire

1шт.

15

NSS

NOT SOLD SEPARAT

DEFLECTOR - heat

1шт.

16

187-328

SCREW - machine, pan head (310 - 24 NC x 3/8")

2шт.

17

L32490

DECAL - selection, "HEAT" or "DEFROST"

1шт.

Выбрано товаров: 19