Запчасти Case W24 (055A) - EXHAUST SYSTEM (02) - ENGINE

Схема запчастей Case W24 - (055A) - EXHAUST SYSTEM (02) - ENGINE
FIT
1:1
100%

Артикул

Название

Примечание

Количество

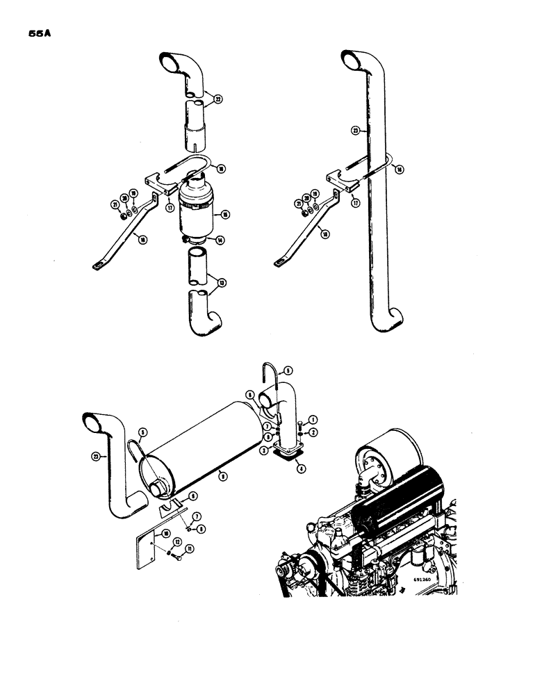
1

13-616

BOLT,Hex, 3/8" - 16 x 1", Gr 5, Full Thd

4шт.

2

92-6

LOCK WASHER,3/8"

4шт.

3

L14207

ADAPTER

- exhaust, Serial Range: manifold-muffler

1шт.

4

L14218

MANIFOLD GASKET

- adapter to exhaust manifold

1шт.

5

L19083

U-BOLT

"U" BOLT - muffler clamping

2шт.

6

L19084

SADDLE

- muffler clamping

2шт.

7

92-5

LOCK WASHER,5/16"

4шт.

8

9635082

NUT,5/16" - 18, Gr 5

- hex. (5/16" - 18 NC)

4шт.

9

L14219

MUFFLER

- engine exhaust

1шт.

10

L16289

BRACKET - muffler mounting

1шт.

11

13-620

BOLT,Hex, 3/8" - 16 x 1-1/4", Gr 5, Full Thd

2шт.

12

92-6

LOCK WASHER,3/8"

2шт.

13

L41694

PIPE,3" OD x 13, 5.8" L

TUBE - standard muffler to spark arresting muffler (When stock is exhausted, order L47643 tube for service)

1шт.

13

L47643

PIPE,3" OD x 6.8, 13" L

- standard muffler to spark arresting muffler

1шт.

L41692

ARRESTER

MUFFLER ASSEMBLY - spark arresting, Includes: Ref. 14 and 15

1шт.

14

NSS

NOT SOLD SEPARAT

CLAMP - muffler

1шт.

15

NSS

NOT SOLD SEPARAT

MUFFLER - spark arresting

1шт.

16

L19083

U-BOLT

"U" BOLT - muffler clamping

1шт.

17

L19084

SADDLE

- muffler clamping

1шт.

18

L41696

BRACE - exhaust extension and spark arresting muffler

1шт.

19

95-5

WASHER,3/8" x 7/8" x .083"

- standard wrot (5/16")

1шт.

20

92-5

LOCK WASHER,5/16"

2шт.

21

9635082

NUT,5/16" - 18, Gr 5

- hex. (5/16" - 18 NC)

2шт.

22

L18424

PIPE

STACK - engine exhaust (Used on models with spark arresting muffler)

1шт.

23

L17152

TUBE,2.975" OD

STACK - engine exhaust (Standard on models without spark arresting muffler)

1шт.

23

L19896

TUBE

STACK - engine exhaust (2 ft. extension) Optional on models without spark arresting muffler

1шт.

Выбрано товаров: 0