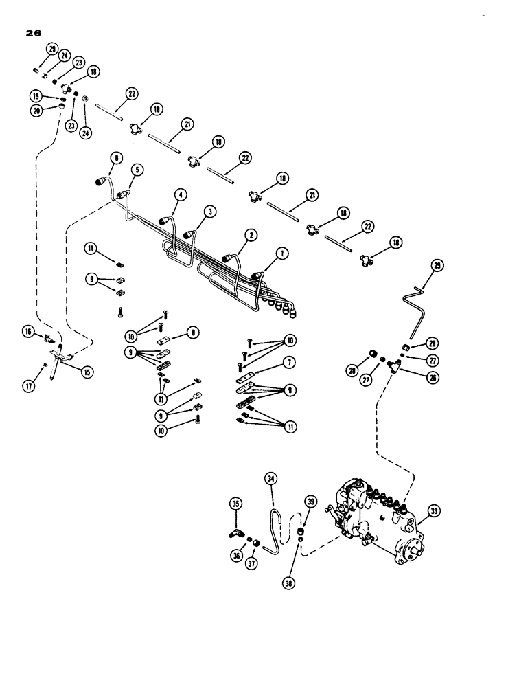
Запчасти Case W24 (026) - FUEL INJECTION SYSTEM, (504B) DIESEL ENGINE (03) - FUEL SYSTEM

Схема запчастей Case W24 - (026) - FUEL INJECTION SYSTEM, (504B) DIESEL ENGINE (03) - FUEL SYSTEM
FIT
1:1
100%

Артикул

Название

Примечание

Количество

1

A58702

TUBE

- fuel injection, #1 cylinder

1шт.

2

A58703

TUBE

- fuel injection, #2 cylinder

1шт.

3

A58704

TUBE

- fuel injection, #3 cylinder

1шт.

4

A58705

TUBE

- fuel injection, #4 cylinder

1шт.

5

A58706

TUBE

- fuel injection, #5 cylinder

1шт.

6

A58707

TUBE

- fuel injection, #6 cylinder

1шт.

7

A58708

PLATE

- injection tube bracket (6 line)

1шт.

8

A58710

PLATE

- injection tube bracket (4 line)

1шт.

9

A58709

BRACKET

- injection tube

14шт.

10

173-102

SCREW,Sl Rnd Hd, #10 - 24 x 1"

- #10 x 1" N.C. rd. hd. mach.

7шт.

11

131-612

SPRING NUT,Flat, #10 - 24, 0.022" Thk

NUT - #10 flat Tinnerman

7шт.

15

A64439

NOZZLE CAP

NOZZLE ASSY. - fuel injection (See Figure 27C) (1st used eng. ser. no. 2504029)

6шт.

A140830R

REMAN-INJECT NOZZLE

W24 (1ST USED ENG. SER .NO. 2504029), Reman for new PN A64439

6шт.

A140830C

CORE-NOZZLE, INJECT

Return Number

1шт.

15

A59092

NOZZLE INJECTION

NOZZLE ASSY. - fuel injection (See Figure 27C) (Used prior to eng. ser. no. 2504029)

6шт.

A140830R

REMAN-INJECT NOZZLE

W24 (USED PRIOR TO ENG. SER. NO. 2504029), Reman for new PN A59092

6шт.

A140830C

CORE-NOZZLE, INJECT

Return Number

1шт.

16

A58695

CLAMP

ASSY. - injector nozzle

6шт.

17

A58696

SPACER

- nozzle clamp

6шт.

18

A58960

TEE,1/2" - 25 NPT x 1/2" - 25 NPT x 9/16" - 24 NPT

TEE ASSY. - nozzle leak-off

6шт.

19

A58962

GROMMET,9.14mm ID x 12.82mm OD x 5.28mm Thk

-, Serial Range: nozzle-tee

6шт.

20

A58961

NUT

-, Serial Range: nozzle-tee

6шт.

21

A58964

TUBE

- leak-off (5-5/8" long)

2шт.

22

A58965

TUBE

- leak-off (4-5/8" long)

3шт.

23

222-102

SLEEVE,1/4" Tube

Leak-off lines 1/4" Tube

12шт.

24

87017024

TUBE NUT,1/2"-24

NUT - leak off lines (For 1/4" tube)

12шт.

25

A58963

TUBE

- leak-off, #1, Serial Range: nozzle-pump

1шт.

26

A59097

VALVE

TEE ASSY. - check valve (in pump), Includes: Ref. 27 and 28

1шт.

27

222-102

SLEEVE,1/4" Tube

2шт.

28

87017024

TUBE NUT,1/2"-24

NUT - for 1/4" tube

2шт.

29

47-47

RIVET,FH, 1/4" x 7/16"

PLUG - leak-off tee

1шт.

33

A62332

PUMP ASSY. - fuel injection (Order A62333) (See Figure 27A) (1st used eng. ser. no. 2323001)

1шт.

33

A58537

PUMP, FUEL INJECTION

PUMP ASSY. - fuel injection (See Figure 27A) (used prior to eng. ser. no. 2323001)

1шт.

34

A58717

TUBE

- oil, Serial Range: gallery-pump

1шт.

35

222-42

ELBOW,90 Degree, 1/2"-24 Fem x 1/8"-27 NPTF

ASSY. - 1/4 x 1/8" P.T., Includes: Ref. 36 and 37

1шт.

36

222-102

SLEEVE,1/4" Tube

1шт.

37

87017024

TUBE NUT,1/2"-24

NUT - for 1/4" tube

1шт.

38

222-102

SLEEVE,1/4" Tube

1шт.

39

87017024

TUBE NUT,1/2"-24

NUT - for 1/4" tube

1шт.

Выбрано товаров: 39