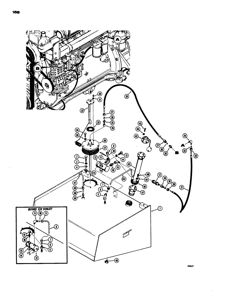
Запчасти Case W24 (158) - FUEL TANK AND RELATED PARTS (03) - FUEL SYSTEM

Схема запчастей Case W24 - (158) - FUEL TANK AND RELATED PARTS (03) - FUEL SYSTEM
FIT
1:1
100%

Артикул

Название

Примечание

Количество

1

L16116

TANK ASSY, fuel (Prior to tractor S/N 9104517 order with 222-57 elbow, L43877 tube and L14584 pad for service)

1шт.

2

13-1028

BOLT,Hex, 5/8" - 11 x 1-3/4", Gr 5, Full Thd

3шт.

3

92-10

LOCK WASHER,5/8"

3шт.

4

95-10

WASHER,5/8"

Standard wrot

3шт.

4a

L44022

WASHER

Fuel tank mounting

2шт.

222-14

FITTING,5/8"-24 Inv Fl x 1/4" NPT Fem

CONNECTOR ASSY, tube (Before S/N 9104517)

1шт.

222-57

ELBOW,5/8"-24 x 1/4 NPTF

ASSY, 90 degree, tube (S/N 9104517 and after), Includes: Ref. 5 - 7

1шт.

5

NSS

NOT SOLD SEPARAT

BODY - connector or elbow

1шт.

6

222-104

SLEEVE,3/8" Tube

Connector or elbow

1шт.

7

222-114

NUT,5/8"-24

Connector or elbow

1шт.

8

L16443

TUBE,1.375" OD x 2.72, 2.61" L

Fuel tank suction (Before S/N 9104517)

1шт.

8a

L43877

TUBE,0.375" OD

Fuel tank suction (S/N 9104517 and after)

1шт.

222-46

ELBOW,90 Degree, 5/8"-24 Fem x 1/8"-27 NPTF

ASSEMBLY - tube, Includes: Ref. 9 - 11

1шт.

9

222-114

NUT,5/8"-24

Elbow

1шт.

10

222-104

SLEEVE,3/8" Tube

Elbow

1шт.

11

NSS

NOT SOLD SEPARAT

BODY - elbow

1шт.

12

REF

INSTRUCTION

PUMP - fuel (Parts list figure 165)

1шт.

13

13-48

BOLT,Hex, 1/4" - 20 x 1/2", Gr 5

2шт.

14

92-4

LOCK WASHER,1/4"

2шт.

15

221-412

ELBOW,90 Degree, 1/4"-27, NPT

Street

1шт.

16

217-60

REDUCER,1/4" - 18 NPT x 1/8" - 27 NPT

NIPPLE - hex., pipe

1шт.

17

L17627

VALVE

Fuel

1шт.

222-14

FITTING,5/8"-24 Inv Fl x 1/4" NPT Fem

CONNECTOR ASSEMBLY - female, tube, Includes: Ref. 18 - 20

1шт.

18

NSS

NOT SOLD SEPARAT

BODY - connector

1шт.

19

222-104

SLEEVE,3/8" Tube

Connector

1шт.

20

222-114

NUT,5/8"-24

Connector

1шт.

21

L20623

HOSE ASSY.

Fuel pump to primary filter (62-1/2" long) Early production

1шт.

21

L47879

HOSE

Fuel pump to transfer pump (22" long) Late production

1шт.

222-47

ELBOW,90 Degree, 5/8"-24 Fem x 1/4"-27 NPTF

ASSEMBLY - tube, Includes: Ref. 22 - 24

1шт.

22

222-114

NUT,5/8"-24

Elbow

1шт.

23

222-104

SLEEVE,3/8" Tube

Elbow

1шт.

24

NSS

NOT SOLD SEPARAT

BODY - elbow

1шт.

222-23

FITTING,1/2"-24 x 1/4" NPTF w/Nut

CONNECTOR ASSEMBLY - tube, straight, Includes: Ref. 25 - 27

2шт.

25

NSS

NOT SOLD SEPARAT

BODY - connector

1шт.

26

222-102

SLEEVE,1/4" Tube

Connector

1шт.

27

87017024

TUBE NUT,1/2"-24

Connector

1шт.

28

L15404

HOSE

Tank return

1шт.

29

221-336

COUPLING,Pipe, 1/4" NPT

Female

1шт.

30

173-240

RHMS - #10 - 32 NF x 3/4"

5шт.

31

92-3

LOCK WASHER,#10

5шт.

32

L13302

TRANSMITTER

SPARE PART SENDING UNIT - fuel tank

1шт.

33

A11822

GASKET

Fuel sending

1шт.

34

13-416

BOLT,Hex, 1/4" - 20 x 1", Gr 5

If used

5шт.

35

92-4

LOCK WASHER,1/4"

If used

5шт.

36

L16432

PLATE ASSEMBLY - hand hole cover (When stock is exhausted, order (1) L16433 plate and (5) L13194 rivnuts for service)

1шт.

36

L16433

SPARE PART Hand hole cover (Not shown)

1шт.

36a

L13194

NUT

RIVNUT - cover, If used (Not shown)

5шт.

37

L13195

GASKET

Hand hole cover

1шт.

38

217-125

FITTING,3/8" Hose Barb x 1/4" Male NPTF

CONNECTOR - vent tube

1шт.

39

L43085

TUBE,0.5" OD x 19" L

Vent, straight (19" long)

1шт.

40

49836

CLAMP

, Serial Range: Tube-radiator

1шт.

41

L40835

TUBE,0.375" OD x 3.6, 1" L

Vent

1шт.

42

L16197

CYLINDER END CAP

ASSEMBLY - fuel tank

1шт.

43

173-95

SCREW,Sl Rnd Hd, #10 - 24 x 3/8"

RHMS - #10 - 24 NC x 3/8"

6шт.

44

92-3

LOCK WASHER,#10

12шт.

45

L40692

SPARE PART Filler extension, upper

1шт.

46

L40857

GASKET

Filler pipe

1шт.

47

L40690

SPARE PART Fuel filler, lower

1шт.

48

221-844

PLUG,Hex Soc, 1/2"-14

Pipe, NPT

1шт.

49

173-100

BOLT,Sl Rnd Hd, #10 - 24 x 3/4"

RHMS

6шт.

Выбрано товаров: 60