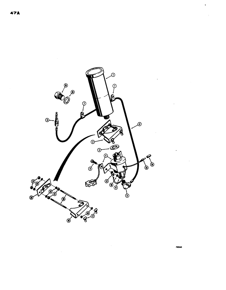
Запчасти Case W24 (047A) - COLD STARTING SYSTEM (04) - ELECTRICAL SYSTEMS

Схема запчастей Case W24 - (047A) - COLD STARTING SYSTEM (04) - ELECTRICAL SYSTEMS
FIT
1:1
100%

Артикул

Название

Примечание

Количество

1

L30187

CYLINDER - ether

1шт.

2

L30183

BRACKET

AND CLAMP ASSEMBLY - support (When stock is exhausted, order L32710 bracket assembly for service)

1шт.

2

L32710

BRACKET

AND CLAMP ASSEMBLY - support (See parts list below)

1шт.

3

L30188

GASKET

- cap, valve

1шт.

4

L31773

VALVE

- metering, 24 volt

1шт.

5

T39541

ELBOW

- coupler, 90 degree

1шт.

6

L31774

TUBE

- nylon (1/8" O.D. x 48" long)

1шт.

7

49853

TOOL

- tube

2шт.

8

L30185

FITTING

ASSEMBLY - atomizer, at manifold

1шт.

9

13-412

BOLT,Hex, 1/4" - 20 x 3/4", Gr 5, Full Thd

2шт.

10

92-4

LOCK WASHER,1/4"

WASHER, LOCK, 1/4"

2шт.

11

25-104

NUT,1/4"-20, G5

2шт.

12

223-52

FUSE

TERMINAL - evelet

1шт.

13

R18653

TERMINAL STRIP

TERMINAL - bullet, male

1шт.

14

223-83

SLEEVE

TERMINAL - sleeve

1шт.

15

A20917

PLUG

- pipe, special (1-1/8" - 12 NF) Intake manifold

1шт.

16

A20916

MANIFOLD GASKET

WASHER - plug

1шт.

L32710

BRACKET

AND CLAMP ASSEMBLY - support, Includes: Ref. 17 - 19

1шт.

17

129-419

WING NUT,5/16"-18

NUT - wing (5/16" - 18 NC)

2шт.

18

92-5

LOCK WASHER,5/16"

2шт.

19

L32835

SADDLE

ASSEMBLY - clamp (When stock is exhausted, order L19084 saddle for service)

1шт.

19

L19084

SADDLE

ASSEMBLY - clamp

1шт.

20

L32834

STUD

- bracket (5/16" - 18 NC x 5")

2шт.

21

9635082

NUT,5/16" - 18, Gr 5

- hex. (5/16" - 18 NC)

4шт.

22

92-5

LOCK WASHER,5/16"

4шт.

23

L32836

FLANGE

BRACKET ASSY. - tension

1шт.

Выбрано товаров: 0