Запчасти Case W24 (078) - TRANSMISSION MOUNTING PARTS, DIPSTICK AND OIL FILTER, TRANSMISSION MOUNTING PARTS AND DIPSTICK, (06) - POWER TRAIN

Схема запчастей Case W24 - (078) - TRANSMISSION MOUNTING PARTS, DIPSTICK AND OIL FILTER, TRANSMISSION MOUNTING PARTS AND DIPSTICK, (06) - POWER TRAIN
FIT
1:1
100%

Артикул

Название

Примечание

Количество

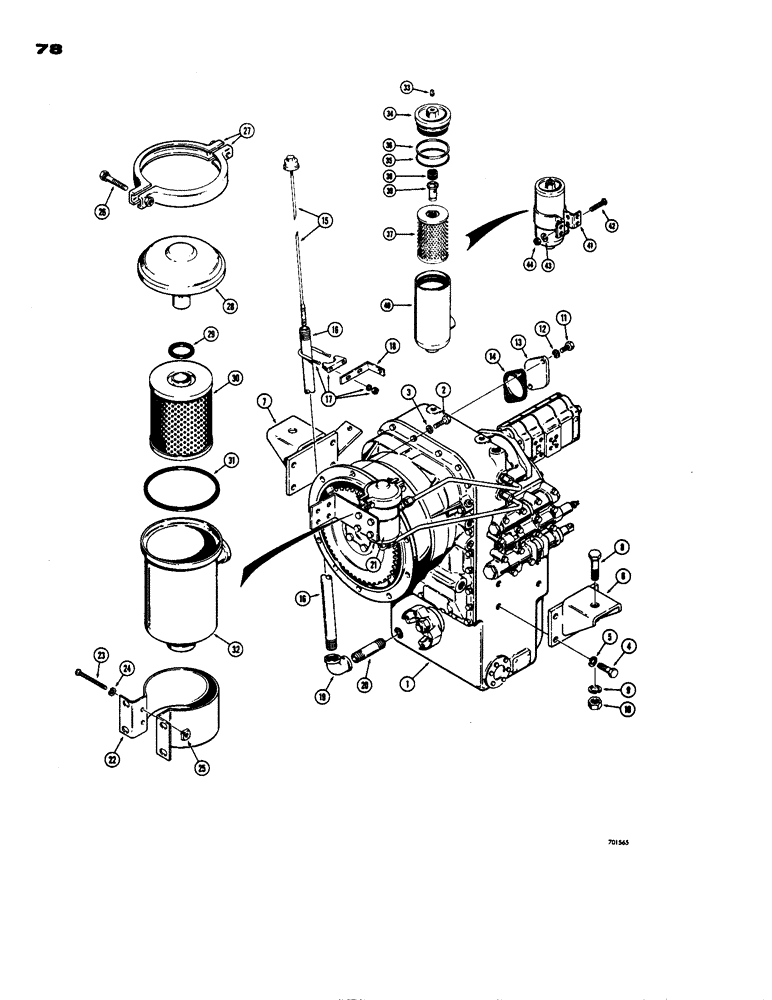
1

L14257

TRANSMISSION

ASSY. - complete (Parts list Figures 60 - 72)

1шт.

2

13-620

BOLT,Hex, 3/8" - 16 x 1-1/4", Gr 5, Full Thd

(Transmission to engine) Hex, 3/8"-16 x 1 1/4", G5, Full Thd

12шт.

3

92-6

LOCK WASHER,3/8"

12шт.

4

13-1024

BOLT,Hex, 5/8" - 11 x 1-1/2", Gr 5, Full Thd

(Trans. bracket to trans.) Hex, 5/8"-11 x 1 1/2", G5, Full Thd

8шт.

5

92-10

LOCK WASHER,5/8"

WASHER, LOCK, 5/8"

8шт.

6

L14251

BRACKET - transmission mounting, R.H.

1шт.

7

L15932

BRACKET - transmission mounting, L.H.

1шт.

8

D23616

BOLT (SPREADER)

BOLT - special (Trans. bracket to rear frame)

2шт.

9

92-14

LOCK WASHER,7/8"

WASHER, LOCK, 7/8"

2шт.

10

25-1014

NUT,7/8"-9, G5

2шт.

11

13-614

BOLT,Hex, 3/8" - 16 x 7/8", Gr 5, Full Thd

If used Hex, 3/8"-16 x 7/8", G5, Full Thd

2шт.

12

92-6

LOCK WASHER,3/8"

if used 3/8"

2шт.

13

L14275

COVER - transmission rear (If used)

1шт.

14

L14276

GASKET

- cover (If used)

1шт.

15

L112387

DIPSTICK

- transmission oil gauge ( replaced L14252 )

1шт.

16

L14260

PIPE - transmission filler

1шт.

17

L14262

CLAMP

- pipe

1шт.

18

L14261

BRACKET

-, Serial Range: clamp-transmission

1шт.

19

221-1380

ELBOW,90 Degree, 1 1/4" NPT

- female, pipe (90 degree) 1-1/4" NPT

1шт.

20

221-1265

NIPPLE - straight, pipe (1-1/4" NPT)

1шт.

21

L16131

FILTER

ASSEMBLY - transmission oil, L16131 used before tractor, Includes: Ref. 22 - 32, Start Serial: 9105119

1шт.

A13210

BRACKET ASSEMBLY - filter, L16131 transmission oil used before tractor, Includes: Ref. 22 - 25, Start Serial: 9105119

1шт.

22

NSS

NOT SOLD SEPARAT

BRACKET - filter, L16131 transmission oil used before tractor, Start Serial: 9105119

1шт.

23

75-540

SCREW

RHMS - 5/16" - 18 NC x 2-1/2", L16131 transmission oil filter used before tractor, Start Serial: 9105119

2шт.

24

92-5

LOCK WASHER,5/16"

L16131 transmission oil filter used before tractor 5/16", Start Serial: 9105119

2шт.

25

25-225

SQUARE NUT,Sq, 5/16"-24

- square (5/16" - 18 NC), L16131 transmission oil filter used before tractor, Start Serial: 9105119

2шт.

26

D22659

BOLT (SPREADER)

BOLT AND LOCK WASHER ASSEMBLY - cover clamp, L16131 transmission oil filter used before tractor, Start Serial: 9105119

2шт.

27

D22658

BOLT

CLAMP - filter cover, L16131 transmission oil used before tractor, Start Serial: 9105119

2шт.

28

L32091

COVER ASSY

COVER ASSEMBLY - filter, includes relief valve, L16131 transmission oil used before tractor, Start Serial: 9105119

1шт.

A13211

FILTER, ENGINE OIL

ELEMENT KIT - filter, L16131 transmission oil used before tractor, Includes: Ref. 29 - 31, Start Serial: 9105119

1шт.

29

NSS

NOT SOLD SEPARAT

SEAL - element, L16131 transmission oil filter used before tractor, Start Serial: 9105119

2шт.

30

NSS

NOT SOLD SEPARAT

ELEMENT - filter, L16131 transmission oil used before tractor, Start Serial: 9105119

1шт.

31

A13208

GASKET

GASKET - cover, L16131 transmission oil filter used before tractor, Start Serial: 9105119

1шт.

32

D22654

SPARE PART

BODY - filter, L16131 transmission oil used before tractor, Start Serial: 9105119

1шт.

L47141

NO LONGER SERVICED

FILTER ASSEMBLY - transmission oil, L47141 used on tractor, Includes: Ref. 33 - 40 9105119 and, Start Serial: after

1шт.

33

221-1011

DRAIN PLUG,Sq Hd, 1/8"-27 NPTF

PLUG - pipe, square head (1/8" NPT), L47141 transmission oil filter used on tractor 9105119 and, Start Serial: after

1шт.

34

A60765

CAP

- filter case, L47141 transmission oil used on tractor 9105119 and, Start Serial: after

1шт.

A61234

HYDRAULIC OIL FILTER

ELEMENT KIT - transmission oil filter, L47141 used on tractor, Includes: Ref. 35 - 37 9105119 and, Start Serial: after

1шт.

35

A27507

O-RING,0.139" Thk x 3.984" ID, -242, Cl 5, 75 Duro

SEAL - "O" ring, filter cap, L47141 transmission oil used on tractor 9105119 and, Start Serial: after

1шт.

36

G32176

BACK-UP RING,101.22mm ID x 107.32mm OD x 1.4mm Thk

Cap seal, L47141 Transmission oil filter used on tractor 9105119 and, Start Serial: after

1шт.

37

NSS

NOT SOLD SEPARAT

ELEMENT - transmission oil filter, L47141used on tractor 9105119 and, Start Serial: after

1шт.

38

D31212

SPRING

- relief valve, L47141 transmission oil filter used on tractor 9105119 and, Start Serial: after

1шт.

39

D37207

VALVE

- relief, L47141 transmission used on tractor 9105119 and, Start Serial: after

1шт.

40

A60767

BODY

CASE - oil filter, L47141 transmission used on tractor 9105119 and, Start Serial: after

1шт.

41

D31217

BRACKET

- filter mounting, L47141 transmission oil used on tractor 9105119 and, Start Serial: after

1шт.

42

75-544

SCREW - machine, round head (5/16" - 18 NC x 2-3/4"), L47141 transmission oil filter used on tractor 9105119 and, Start Serial: after

2шт.

43

92-5

LOCK WASHER,5/16"

L47141 transmission oil filter used on tractor 5/16" 9105119 and, Start Serial: after

2шт.

44

9635082

NUT,5/16" - 18, Gr 5

- hex. (5/16" - 18 NC), L47141 transmission oil filter used on tractor 9105119 and, Start Serial: after

2шт.

45

L47208

KIT

- element and gasket (Cold weather) Not shown, L47141 transmission oil filter used on tractor 9105119 and, Start Serial: after

1шт.

Выбрано товаров: 0