Запчасти Case W24 (086) - FRONT DRIVE AXLE SHAFT (AXLE END) (06) - POWER TRAIN

Схема запчастей Case W24 - (086) - FRONT DRIVE AXLE SHAFT (AXLE END) (06) - POWER TRAIN
FIT
1:1
100%

Артикул

Название

Примечание

Количество

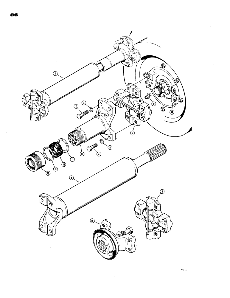
1

L26881

SHAFT

ASSEMBLY - drive, front axle (At axle), Includes: Ref. 2 - 14

1шт.

2

L31781

BOLT

BOLT - special, spider and bearing to center bearing and axle

8шт.

3

192-161

LOCK WASHER,3/8"

WASHER, LOCK, 3/8"

8шт.

4

A17302

SCREW,Hex, 3/8" - 24 x 1", Gr 8

BOLT - special, drive shaft to spider and bearing

8шт.

5

192-161

LOCK WASHER,3/8"

WASHER, LOCK, 3/8"

8шт.

6

L32423

KIT

SPIDER AND BEARING ASSEMBLY - drive shaft, Includes: Ref. 7 and 8

2шт.

7

NSS

NOT SOLD SEPARAT

SPIDER AND BEARING - drive shaft

1шт.

8

219-1

LUBE NIPPLE,1/8" - 27 NPTF

FITTING - grease, straight (1/8" NPT)

1шт.

9

L32439

YOKE

TUBE AND YOKE ASSEMBLY - drive shaft, center bearing end

1шт.

L32425

CAP

KIT - dust, drive shaft, Includes: Ref. 10 - 12

1шт.

10

NSS

NOT SOLD SEPARAT

CAP - dust, drive shaft

1шт.

11

L31779

WASHER

- felt retaining

2шт.

12

L31778

WASHER

- felt type (When stock is exhausted, order L33948 washer for service)

1шт.

12

L33948

WASHER

- felt type

1шт.

13

L32424

TUBE

YOKE - drive shaft, splined (Axle end)

1шт.

14

219-1

LUBE NIPPLE,1/8" - 27 NPTF

FITTING - grease, straight (1/8" NPT)

1шт.

15

L25500

YOKE

FLANGE - drive shaft mounting, at center bearing

1шт.

16

L32441

FLANGE

- drive shaft mounting, at front axle

1шт.

Выбрано товаров: 0