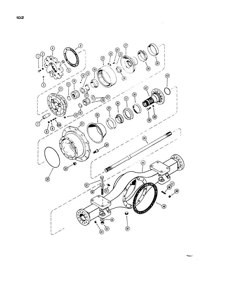
Запчасти Case W24 (102) - REAR AXLE AND PLANETARY, BEFORE TRACTOR SN. 9105061 (06) - POWER TRAIN

Схема запчастей Case W24 - (102) - REAR AXLE AND PLANETARY, BEFORE TRACTOR SN. 9105061 (06) - POWER TRAIN
FIT
1:1
100%

Артикул

Название

Примечание

Количество

L43497

AXLE ASSEMBLY - complete, rear (PR-107-HX-40), Includes: Ref. 1 - 51

1шт.

1

26-718

BOLT,Hex, 7/16" - 14 x 1-1/8", Gr 8

HHCS - 7/8" - 14 NC x 1-1/8" (Grade 8)

16шт.

2

D47367

WASHER

- special

16шт.

3

221-31

DRAIN PLUG,Sq Soc, 1/4"-18 NPTF

PLUG - pipe, square socket head (1/4" NPT)

2шт.

L32820

COVER

ASSEMBLY - planetary, Includes: Ref. 4 and 5

2шт.

4

NSS

NOT SOLD SEPARAT

COVER - planetary

1шт.

5

A12980

BUTTON

- thrust

1шт.

6

A12910

GASKET,0.4mm Thk

- planetary cover

2шт.

7

A40146

SHAFT

- planetary pinion gear

6шт.

8

129-545

NUT,1/2"-20, G8

24шт.

9

92-8

LOCK WASHER,1/2"

24шт.

11

A12909

U-JOINT SPIDER

SPIDER - planetary

2шт.

12

221-678

DRAIN PLUG,Sq Soc, 3/4" NPT

PLUG - magnetic, drain (3/4" NPT)

2шт.

13

A12907

O-RING,1.74" ID x 0.1205"

SNAP RING - sun gear

2шт.

14

A12905

GEAR

- sun, planetary

2шт.

A13103

WASHER

ASSEMBLY - thrust, sun gear, Includes: Ref. 15 and 16

2шт.

15

NSS

NOT SOLD SEPARAT

WASHER - thrust, sun gear

1шт.

16

A13137

AXLE PIN

PIN - thrust washer

2шт.

17

A12953

RETAINER

LOCK - bearing nut

4шт.

18

A13104

BEARING LOCK NUT

NUT - hub bearing retaining

2шт.

19

A12904

WASHER

- thrust, pinion (Outer)

6шт.

20

A12901

GEAR

- pinion, planetary

6шт.

21

A40145

WASHER

- thrust, pinion (Inner)

6шт.

22

A12911

GEAR

- ring, planetary

2шт.

24

26-512

BOLT,Hex, 5/16" - 18 x 3/4", Gr 8

- 5/16" - 18 NC x 3/4" (Grade 8)

16шт.

25

A12914

LOCK ASSY

LOCK - ring gear hub

8шт.

A12913

HUB CAP

HUB - planetary ring gear, Includes: Ref. 26 and 27

2шт.

26

NSS

NOT SOLD SEPARAT

SLEEVE - hub

1шт.

27

NSS

NOT SOLD SEPARAT

HUB - planetary ring gear

1шт.

28

A18218

O-RING,10.125" ID x 10.312" OD x 0.103"

SEAL - "O" ring, spider to hub

2шт.

29

A12915

ROLLER BEARING,4.25" ID x 1.375"

CONE - bearing, tapered roller type (Outer)

2шт.

A13139

HUB ASSEMBLY - rim, Includes: Ref. 30 - 32A

2шт.

30

A12916

BEARING CUP

CUP - bearing, tapered roller type (Outer)

1шт.

31

NSS

NOT SOLD SEPARAT

HUB - rim

1шт.

32

A7892

BEARING, CUP

CUP - bearing, tapered roller type (Inner)

1шт.

32a

L30951

STUD

-, Serial Range: spider-hub

12шт.

33

A12522

WHEEL NUT

- hex., rim (Not included in axle assembly)

24шт.

34

A13112

STUD

STUD - wheel, Serial Range: rim-hub

24шт.

35

L34020

SEAL ASSY.

SLINGER - oil

2шт.

36

A7893

ROLLER BEARING,3.375" ID x 1.172"

CONE - bearing, tapered roller type (Inner)

2шт.

1995352C1

OIL SEAL

RETAINER ASSEMBLY - oil seal, Replaces A12937, Includes: Ref. 37 and 38

2шт.

37

NSS

NOT SOLD SEPARAT

RETAINER - oil seal

1шт.

38

A12931

OIL SEAL

- oil, spindle

1шт.

39

28-1052

BOLT,Hex, 5/8" - 18 x 3-1/4", Gr 8

HHCS - 5/8" - 18 NF x 3-1/4" (Grade 8)

24шт.

40

A19905

WASHER

- special, 5/8"

24шт.

41

131-60

LOCK NUT,5/8"-18

NUT - hex., lock (5/8" - 18 NF)

24шт.

42

A19902

SPINDLE

- wheel

2шт.

43

A19906

O-RING,0.139" Thk x 3.484" ID, -238, Cl 5, 75 Duro

SEAL - "O" ring spindle

2шт.

44

L32497

SHAFT

- axle, R.H.

1шт.

44

L32498

SHAFT

- axle, L.H.

1шт.

L32493

HOUSING

ASSEMBLY - axle, rear, Includes: Ref. 45 - 47

1шт.

45

NSS

NOT SOLD SEPARAT

HOUSING - axle, rear

1шт.

46

L32494

STUD - carrier to axle housing (1/2" - 20 NF x 3")

10шт.

47

A13130

STUD

- carrier to axle housing (1/2" - 20 NF X 2-5/8")

4шт.

48

131-183

LOCK NUT,1/2"-20, GC

NUT - hex., lock (1/2" - 20 NF)

14шт.

49

A12943

GASKET

- carrier to axle housing

1шт.

50

221-25

PLUG,Sq Soc, 3/4"-14 NPTF

- pipe, square socket head (3/4" NPT)

1шт.

51

A12928

BREATHER

- axle housing

1шт.

52

116-904

BOLT,Hex, 1" - 14 x 10", Gr 8

HHCS - 1" - 14 NF x 10"

8шт.

53

131-188

LOCK NUT,1"-14, GB

NUT - hex., lock (1" - 14 NF)

8шт.

54

D34667

WASHER,23.02mm ID x 38.1mm OD x 3.57mm Thk

- special (1-1/2" dia. x 9/64" thick)

8шт.

55

D36505

WASHER,26.99mm ID x 47.63mm OD x 2.38mm Thk

- special (1-7/8" dia. x 9/64" thick)

8шт.

Выбрано товаров: 0