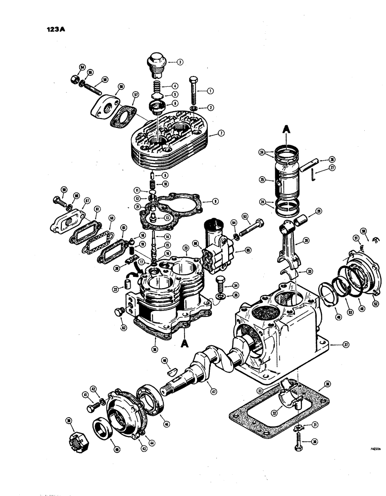
Запчасти Case W24B (123A) - BRAKE SYSTEM, L57774 AIR COMPRESSOR, TRACTOR SN. 9120664 AND AFTER (07) - BRAKES

Схема запчастей Case W24B - (123A) - BRAKE SYSTEM, L57774 AIR COMPRESSOR, TRACTOR SN. 9120664 AND AFTER (07) - BRAKES
FIT
1:1
100%

Артикул

Название

Примечание

Количество

L57774

COMPRESSOR

- air (TU-FLO-400), Includes: Ref. 1 - 33

1шт.

1

113-110

BOLT,Hex, 5/16" - 18 x 2-1/4", Gr 5

Hex, 5/16"-18 x 2 1/4", G5

8шт.

2

L32917

WASHER

- special

8шт.

L32899

CYLINDER

DISCHARGE VALVE AND HEAD ASSEMBLY - cylinder, Includes: Ref. 3 - 8

1шт.

3

L32916

CYLINDER END CAP

CAP - discharge valve

2шт.

4

L31451

SPRING

- valve

2шт.

5

L32915

LOCK VALVE

VALVE - discharge

2шт.

NSS

NOT SOLD SEPARAT

HEAD ASSEMBLY - cylinder, Includes: Ref. 6 - 8

1шт.

6

L32909

SEAT

- discharge valve

2шт.

7

NSS

NOT SOLD SEPARAT

HEAD - cylinder

1шт.

8

L32914

DOWEL

STOP - valve

2шт.

9

L32898

GASKET

- head to cyliner block

1шт.

10

L31442

SPRING

- inlet valve

2шт.

11

L31441

VALVE

- inlet

2шт.

12

L31440

GUIDE

- inlet valve

2шт.

L32880

CYLINDER

BLOCK ASSEMBLY - cylinder, Includes: Ref. 13 - 23

1шт.

13

L31409

GUIDE

- plunger

2шт.

14

L31408

PLUNGER

- unloader

2шт.

L31404

PISTON

ASSEMBLY - unloader, Includes: Ref. 15 and 16

2шт.

15

NSS

NOT SOLD SEPARAT

PISTON - unloader

1шт.

16

L31406

BACK-UP RING

- backup, unloader piston seal

1шт.

17

L31407

O-RING

SEAL - "O"ring, unloader piston

1шт.

18

L31412

SEAT

- spring, unloader

1шт.

19

L31413

SPRING

- unloader

1шт.

20

L32885

SADDLE

- spring, unloader

1шт.

L32881

BLOCK

- cylinder, Includes: Ref. 21 - 23

1шт.

21

L39948

SEAT

- inlet valve

2шт.

22

L33174

BUSHING

- cylnder block

2шт.

23

NSS

NOT SOLD SEPARAT

BODY - cylinder

1шт.

24

L32910

RING

- piston, standard (2.0625")

8шт.

24

L32911

RING

- piston, oversized (2.0725")

8шт.

24

L32912

RING

- piston, oversized (2.0825")

8шт.

24

L32913

RING

- piston, oversized (2.0925")

8шт.

L32904

PISTON

AND WRIST PIN ASSEMBLY - standard, Includes: Ref. 25 and 26

2шт.

L32905

PISTON

AND WRIST PIN ASSEMBLY - .010" oversized, Includes: Ref. 25 and 26

2шт.

L32906

AXLE PIN

PISTON AND WRIST PIN ASSEMBLY - .020" oversized, Includes: Ref. 25 and 26

2шт.

L32907

AXLE PIN

PISTON AND WRIST PIN ASSEMBLY - .030" oversized, Includes: Ref. 25 and 26

2шт.

25

NSS

NOT SOLD SEPARAT

PISTON - air compressor

1шт.

26

NSS

NOT SOLD SEPARAT

WRIST PIN - piston

1шт.

27

L31437

ELECTRICAL WIRE

LOCK WIRE - wrist pin

2шт.

L32894

ROD

ASSEMBLY - connecting, standard (1.1253"), Includes: Ref. 28 - 33

2шт.

L32895

ROD, CONNECTING

ROD ASSEMBLY - connecting, undersized (1.1153"), Includes: Ref. 28 - 33

2шт.

L32896

ROD, CONNECTING

ROD ASSEMBLY - connecting, undersized (1.1053"), Includes: Ref. 28 - 33

2шт.

L32897

EXCHANGE CONROD

ROD ASSEMBLY - connecting, undersized (1.0953"), Includes: Ref. 28 - 33

2шт.

28

NSS

NOT SOLD SEPARAT

ROD - connecting

1шт.

29

NSS

NOT SOLD SEPARAT

BUSHING - wrist pin

1шт.

30

L31427

BOLT

BOLT - special, connecting rod

2шт.

31

L31426

LOCK WASHER

WASHER - special, connecting rod

2шт.

32

NSS

NOT SOLD SEPARAT

CAP - rod

1шт.

33

L33720

INSERT

KIT - brg., L32894 rod (.05210" to .05185" thick)

1шт.

Each contains 2 inserts.

1шт.

33

L33721

RING

INSERT KIT - brg., L32895 rod (.05710" to .05685" thick)

1шт.

Each contains 2 inserts.

1шт.

33

L33722

INSERT

KIT - brg., L32896 rod (.06210" to .06185" thick)

1шт.

Each contains 2 inserts.

1шт.

33

L33723

KIT

INSERT KIT - brg., L32897 rod (.06710" to .06685" thick)

1шт.

Each contains 2 inserts.

1шт.

34

113-228

X

HHCS - 3/8" - 16 NC x 7/8"

6шт.

35

92-6

LOCK WASHER,3/8"

6шт.

37

L32878

CRANKCASE

- air compressor

1шт.

36

L32879

GASKET

- cylinder, Serial Range: block-crankcase

1шт.

38

L32918

GASKET

- flange

1шт.

39

25-1912

SLOTTED NUT,3/4"-16, G5, Thk

NUT - crankshaft (3/4" - 16 NF)

1шт.

REPLACED BY N7683 (NOT A SUB)

1шт.

40

126-216

WOODRUFF KEY,Hi-Pro, 1" Dia x 1/4" x 1 1/16"

KEY - Woodruff, special

1шт.

41

13-514

BOLT,Hex, 5/16" - 18 x 7/8", Gr 5

4шт.

42

192-110

LOCK WASHER,5/16"

WASHER - light sect. lock () 5/16"

4шт.

43

L32889

COVER ASSY

COVER - end, front

1шт.

44

L32888

GASKET

- cover, front end

1шт.

45

A50423

OIL SEAL

- oil, front cover

1шт.

46

L32887

BEARING

- ball

1шт.

47

L32886

CRANKSHAFT

- air compressor

1шт.

48

A57116

O-RING,2.612 mm ID x 2.818 mm OD x -H288 mm

SEAL - "O"ring, rear cover

1шт.

49

L31414

THRUST WASHER

WASHER - thrust, crankshaft

1шт.

50

13-512

BOLT,Hex, 5/16" - 18 x 3/4", Gr 5

4шт.

51

192-110

LOCK WASHER,5/16"

WASHER - light sect. lock () 5/16"

4шт.

52

L32890

COVER ASSY

COVER - rear, crankcase (With 1.381" I.D. bushing), Includes: Ref. 53

1шт.

53

L32824

BUSHING

- crankshaft (1.381" I.D.)

1шт.

52

L32891

COVER ASSY

COVER - rear, crankcase (With 1.371" I.D. bushing), Includes: Ref. 53

1шт.

53

L32825

BUSHING

- crankshaft (1.371" I.D.)

1шт.

52

L32892

COVER ASSY

COVER - rear, crankcase (With 1.361" I.D. bushing), Includes: Ref. 53

1шт.

53

L32826

BUSHING

- crankshaft (1.361" I.D.)

1шт.

52

L32893

COVER ASSY

COVER - rear, crankcase (With 1.351" I.D. bushing), Includes: Ref. 53

1шт.

53

L32827

BUSHING

- crankshaft (1.351" I.D.)

1шт.

54

25-115

NUT,5/16"-24, G5

- hex (5/16"-24 NF)

2шт.

55

192-110

LOCK WASHER,5/16"

WASHER - light section lock () 5/16"

2шт.

56

L13524

CLAMP

FITTING - discharge

1шт.

57

L31456

GASKET

- discharge fitting

1шт.

58

D66472

STUD

- discharge fitting

2шт.

59

113-149

CAPSCREW,#10 - 24 x 3"

HHCS - 5/16" - 18 NC x 7/8"

2шт.

60

192-110

LOCK WASHER,5/16"

WASHER - light section lock () 5/16"

2шт.

61

L31457

GASKET

- strainer

2шт.

62

221-1662

PLUG

- pipe, hex. head (1/4" NPT)

1шт.

63

113-142

BOLT,Hex, 5/16" - 18 x 2-7/8", Gr 5

(Governor mounting) Hex, 5/16"-18 x 2 7/8", G5

2шт.

64

192-110

LOCK WASHER,5/16"

WASHER - light section lock () 5/16"

2шт.

65

D66474

GOVERNOR

ASSEMBLY - compressor (Parts list Figure 124)

1шт.

66

L13526

GASKET

- governor mounting

1шт.

67

D66473

FITTING

- inlet

1шт.

68

L32920

PLATE ASSY.

PLATE - strainer

1шт.

Выбрано товаров: 99