Запчасти Case W24B (008) - WATER MANIFOLD AND THERMOSTAT, (504BD) DIESEL ENGINE ALUMINUM (02) - ENGINE

Схема запчастей Case W24B - (008) - WATER MANIFOLD AND THERMOSTAT, (504BD) DIESEL ENGINE ALUMINUM (02) - ENGINE
FIT
1:1
100%

Артикул

Название

Примечание

Количество

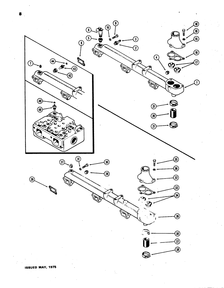
A44088

MANIFOLD

KIT, Includes: Ref. 1 - 4

1шт.

1

NSS

NOT SOLD SEPARAT

MANIFOLD - water

1шт.

2

221-1092

REDUCER,Hex, 3/4" x 3/8" NPT

Bushing (Not used if sending unit is used) (See Ref. 42) Hex, 3/4" x 3/8" NPT

1шт.

3

221-843

PLUG,Hex Soc, 3/8"-18

- 3/8" P.T., hex. sckt. hd. (used w/221-1092 bshg.)

1шт.

4

221-845

PLUG,Hex Soc, 3/4"-14

- 3/4" P.T. hex. sckt. hd

1шт.

5

221-1089

REDUCER,Hex, 1/2" x 3/8" NPT

BUSHING - reducing (1/2" P.T. to 3/8" P.T.)

1шт.

6

A16764

VALVE

- water shut-off (3/8" P.T.)

1шт.

7

221-4

DRAIN PLUG,Sq Hd, 1/2"-14 NPTF

PLUG - 1/2" P.T., sq. hd. (if shut-off valve is not used)

1шт.

8

A58637

MANIFOLD GASKET

-, Serial Range: manifold-head

1шт.

9

413-632

BOLT,Hex, 3/8" - 16 x 2", Gr 5

6шт.

10

92-6

LOCK WASHER,3/8"

6шт.

15

A58638

HOUSING

- thermostat

1шт.

16

A58639

GASKET

-, Serial Range: housing-manifold

1шт.

17

A57641

THERMOSTAT

- 180 degrees

2шт.

18

13-620

BOLT,Hex, 3/8" - 16 x 1-1/4", Gr 5, Full Thd

3шт.

19

92-6

LOCK WASHER,3/8"

3шт.

20

A58640

HOSE

- water by-pass (1-1/4" I.D. x 2-3/8")

1шт.

21

214-256

HOSE CLAMP,#20, 0.81" - 1.75", Type F Worm

CLAMP - hose (1-3/16" to 1-3/4")

2шт.

26

A60528

TUBE

MANIFOLD - water, cast iron

1шт.

27

221-4

DRAIN PLUG,Sq Hd, 1/2"-14 NPTF

PLUG - (1/2" P.T., sq. hd.), cast iron

1шт.

28

221-1845

DRAIN PLUG,Hex Soc, 3/4"-14, NPTF

PLUG - (3/4" P.T., hex. sckt. hd.), cast iron

2шт.

29

A58637

MANIFOLD GASKET

- water manifold, cast iron

3шт.

30

13-624

BOLT,Hex, 3/8" - 16 x 1-1/2", Gr 5

- manifold (3/8 x 1-1/2" N.C. hex), cast iron

3шт.

30

413-632

BOLT,Hex, 3/8" - 16 x 2", Gr 5

Manifold, Cast iron Hex, 3/8"-16 x 2", G5

3шт.

31

92-6

LOCK WASHER,3/8"

cast iron 3/8"

6шт.

32

A58638

HOUSING

- thermostat, cast iron

1шт.

33

A58639

GASKET

- housing to manifold, cast iron

1шт.

34

A57641

THERMOSTAT

- (180 degress), cast iron

2шт.

35

13-618

BOLT,Hex, 3/8" - 16 x 1-1/8", Gr 5

w/ Cast iron Hex, 3/8"-16 x 1 1/8", G5, Full Thd

3шт.

36

92-6

LOCK WASHER,3/8"

cast iron 3/8"

3шт.

37

A58640

HOSE

- water by-pass (1-1/4" I.D. x 2-3/8), cast iron

1шт.

38

214-256

HOSE CLAMP,#20, 0.81" - 1.75", Type F Worm

CLAMP - hose (1-3/16" to 1-3/4"), cast iron

2шт.

42

221-1093

REDUCER,Hex, 3/4" x 1/2" NPT

BUSHING - reducing (3/4" P.T. to 1/2" P.T.), temperature sending units in water manifold

1шт.

43

L56217

UNIT

- temperature sending (1/2" P.T.), in water manifold

1шт.

44

193-1000

NUT,Keps, w/LW,#10-32

- sending unit terminal (#10 N.F. hex), temperatures in water manifold

1шт.

48

A65588

SENDER UNIT

UNIT - temperature sending (3/8" P.T.), in cylinder head

1шт.

49

129-661

NUT

- sending unit terminal (#10 N.F. hex. brass), in cylinder head

1шт.

Выбрано товаров: 0