Запчасти Case W24B (156) - REAR FRAME AND TRUNNION (09) - CHASSIS

Схема запчастей Case W24B - (156) - REAR FRAME AND TRUNNION (09) - CHASSIS
FIT
1:1
100%

Артикул

Название

Примечание

Количество

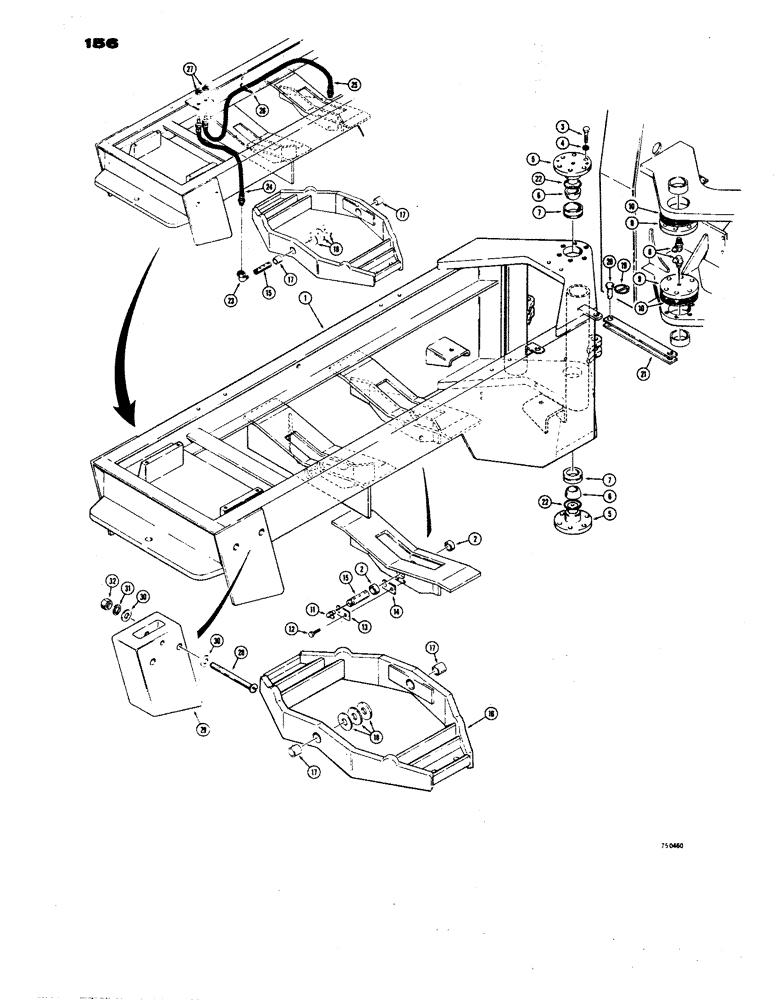
L54534

REAR FRAME ASSEMBLY - articulated loader (When stock is exhausted, order L55852 frame for services), Includes: Ref. 1 and 2

1шт.

L55852

WASHER

REAR FRAME ASSEMBLY - articulated loader, Includes: Ref. 1 and 2

1шт.

1

NSS

NOT SOLD SEPARAT

REAR FRAME - articulated loader

1шт.

2

L14098

BUSHING

- trunnion pivot

4шт.

3

26-1032

BOLT,Hex, 5/8" - 11 x 2", Gr 8

HHCS - 5/8" - 11 NC x 2" (Spindle mounting)

24шт.

4

92-10

LOCK WASHER,5/8"

WASHER, LOCK, 5/8"

24шт.

L17468

SPINDLE

ASSEMBLY - frame pivot, Includes: Ref. 5 and 6

2шт.

5

NSS

NOT SOLD SEPARAT

SPINDLE - frame pivot

1шт.

6

L17462

THRUST BEARING

- thrust, inner ring

1шт.

7

L17463

THRUST BEARING

- thrust, outer ring

2шт.

8

219-37

LUBE NIPPLE,45 Degree Elbow, 1/4" - 28 NPTF

FITTING - grease, 45 degree (1/4" NPT)

2шт.

9

L17465

CAP

- thrust plate, spindle

2шт.

10

L17318

SHIM,113.54mm ID x 177.8mm OD x 0.56mm Thk

- thrust bearing pre - load (.0149" thick)

1шт.

10

L17213

SHIM,113.5mm ID x 177.8mm OD x 0.91mm Thk

Thrust bearing pre-load .0359" Thk

1шт.

10

L17212

SHIM,113.5mm ID x 177.8mm OD x 1.52mm Thk

Thrust bearing pre-load .0598" Thk

1шт.

11

219-55

LUBE NIPPLE,90 Degree Elbow, 1/8" - 27 NPTF

NIPPLE, LUBE, , If used 90º, 1/8" NPT x .84" lg

2шт.

12

13-1020

BOLT,Hex, 5/8" - 11 x 1-1/4", Gr 5, Full Thd

4шт.

13

L72014

LOCK ASSY

PLATE - bolt locking

2шт.

14

L12824

LOCK ASSY

PLATE - pin locking

2шт.

15

L48970

AXLE PIN

PIN - trunnion pivot

2шт.

L52574

FRAME

TRUNNION ASSEMBLY - rear frame, Includes: Ref. 16 and 17

1шт.

16

NSS

NOT SOLD SEPARAT

TRUNNION - rear frame

1шт.

17

L14138

BUSHING

- trunnion

2шт.

18

L47423

WASHER

- thrust, trunnion (1/8" thick), Includes: Ref. 19 - 32

1шт.

18

L47424

WASHER,51.3mm ID x 114mm OD x 4.76mm Thk

- thrust, trunnion (3/16" thick), Includes: Ref. 19 - 32

1шт.

18

L47422

WASHER,51.3mm ID x 114mm OD x 6.35mm Thk

- thrust, trunnion (1/4" thick), Includes: Ref. 19 - 32

1шт.

19

A30338

PIN

- klik

2шт.

20

L14050

PIN

- safety link mounting

2шт.

21

L16741

STEM

LINK - safety, front to rear frame

1шт.

22

A30895

O-RING,0.21" Thk x 3.6" ID, -342, Cl 5, 75 Duro

SEAL - "O" ring, thrust bearing at spindle

2шт.

23

219-416

ELBOW,1/8"-27 NPT x 1/8"-27 NPT Sw

- 90 degree swivel (1/8" NPT) Used with 155852 frame

2шт.

24

L54693

HOSE

- grease, trunnion (27" long) Used with 155852 frame

1шт.

25

L54695

HOSE

- grease, trunnion (55" long) Used with 155852 frame

1шт.

26

L11541

CABLE TIE,203.2mm L, Nylon

STRAP - hose retaining (Used with 155852 frame)

3шт.

27

F53473

LOCK NUT,1/8-27 NPSM

- lock, hose retaining (Used with 155852 frame)

2шт.

28

116-904

BOLT,Hex, 1" - 14 x 10", Gr 8

- 1" - 14 NF x 1-" (Grade 8) Round head, counterweight

4шт.

29

L47367

COUNTERWEIGHT - rear, 500 lbs.

2шт.

30

195-53

WASHER,1" x 2" x .134"

- plain (1"), counterweight

8шт.

31

92-16

LOCK WASHER,1"

WASHER, LOCK, , Counterweight 1"

4шт.

32

25-1116

NUT,1"-14, G5

- hex. (1" - 14 NF), counterweight

4шт.

Выбрано товаров: 40