Запчасти Case W24B (160) - FUEL TANK AND RELATED PARTS (03) - FUEL SYSTEM

Схема запчастей Case W24B - (160) - FUEL TANK AND RELATED PARTS (03) - FUEL SYSTEM
FIT
1:1
100%

Артикул

Название

Примечание

Количество

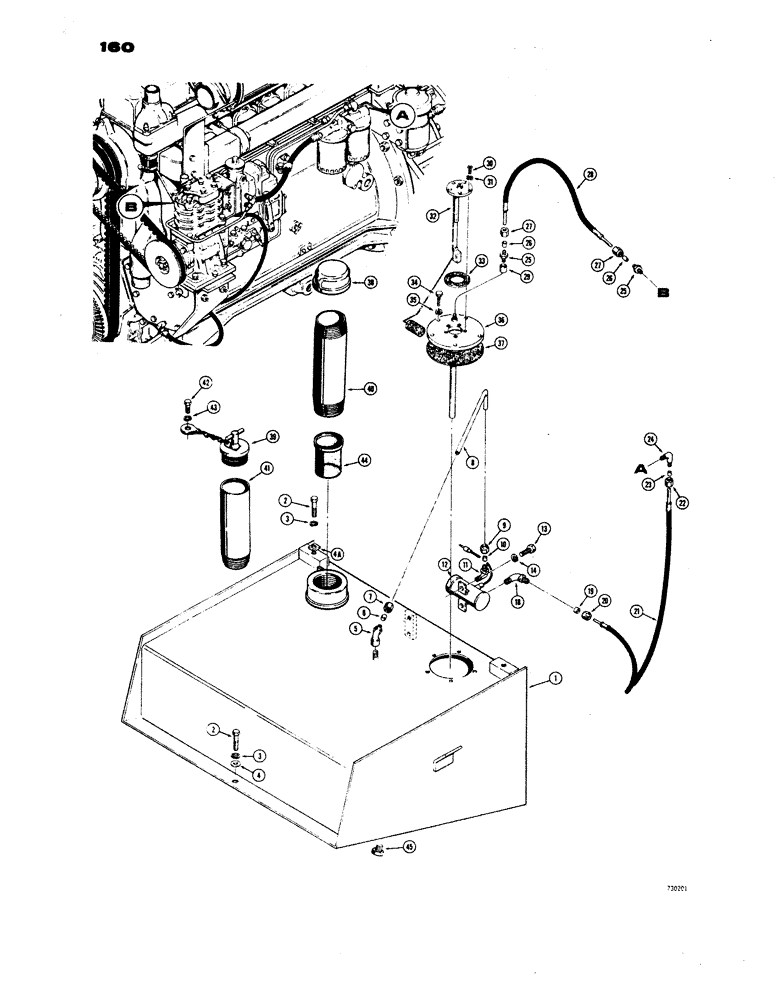
1

L51527

TANK ASSEMBLY - fuel

1шт.

2

13-1028

BOLT,Hex, 5/8" - 11 x 1-3/4", Gr 5, Full Thd

3шт.

3

92-10

LOCK WASHER,5/8"

WASHER, LOCK, 5/8"

3шт.

4

95-10

WASHER,5/8"

- standard wrot () 5/8"

1шт.

4a

L44022

WASHER

- fuel tank mounting

2шт.

222-57

ELBOW,5/8"-24 x 1/4 NPTF

ASSEMBLY - 90 degree, tube, Includes: Ref. 5 - 7

1шт.

5

NSS

NOT SOLD SEPARAT

BODY - elbow

1шт.

6

222-104

SLEEVE,3/8" Tube

- elbow

1шт.

7

222-114

NUT,5/8"-24

NUT - elbow

1шт.

8

L51752

TUBE,0.375" OD x 10.25, 2.8" L

- fuel tank suction

1шт.

222-46

ELBOW,90 Degree, 5/8"-24 Fem x 1/8"-27 NPTF

ASSEMBLY - tube, 90 degree, Includes: Ref. 9 - 11

1шт.

9

222-114

NUT,5/8"-24

NUT - elbow

1шт.

10

222-104

SLEEVE,3/8" Tube

- elbow

1шт.

11

NSS

NOT SOLD SEPARAT

BODY - elbow

1шт.

12

L52634

PUMP

- fuel (Parts list Figure 166)

1шт.

13

13-48

BOLT,Hex, 1/4" - 20 x 1/2", Gr 5

2шт.

14

92-4

LOCK WASHER,1/4"

WASHER, LOCK, 1/4"

2шт.

222-46

ELBOW,90 Degree, 5/8"-24 Fem x 1/8"-27 NPTF

ASSEMBLY - male, tube, Includes: Ref. 18 - 20

1шт.

18

NSS

NOT SOLD SEPARAT

BODY - ELBOW

1шт.

19

222-104

SLEEVE,3/8" Tube

- elbow

1шт.

20

222-114

NUT,5/8"-24

NUT - elbow

1шт.

21

L47879

HOSE

- fuel pump to transfer pump (22" long)

1шт.

222-47

ELBOW,90 Degree, 5/8"-24 Fem x 1/4"-27 NPTF

ASSEMBLY - tube, 90 degree, Includes: Ref. 22 - 24

1шт.

22

222-114

NUT,5/8"-24

NUT - ELBOW

1шт.

23

222-104

SLEEVE,3/8" Tube

- elbow

1шт.

24

NSS

NOT SOLD SEPARAT

BODY - elbow

1шт.

222-23

FITTING,1/2"-24 x 1/4" NPTF w/Nut

CONNECTOR ASSEMBLY - tube, straight, Includes: Ref. 25 - 27

2шт.

25

NSS

NOT SOLD SEPARAT

BODY - connector

1шт.

26

222-102

SLEEVE,1/4" Tube

Connector 1/4" Tube

1шт.

27

87017024

TUBE NUT,1/2"-24

NUT - connector

1шт.

28

L52516

HOSE - tank return (23" long)

1шт.

29

221-336

COUPLING,Pipe, 1/4" NPT

female Pipe, 1/4" NPT

1шт.

30

173-240

RHMS - #10 - 32 NF x 3/4"

5шт.

31

92-3

LOCK WASHER,#10

WASHER, LOCK, #10

5шт.

32

L13302

TRANSMITTER

SENDING UNIT - fuel tank, stamped 12 volt on top

1шт.

32

L57177

TRANSMITTER

SENDING UNIT - fuel tank, stanped 90 ohms on top

1шт.

33

A11822

GASKET

- fuel sending

1шт.

34

13-416

BOLT,Hex, 1/4" - 20 x 1", Gr 5

5шт.

35

92-4

LOCK WASHER,1/4"

WASHER, LOCK, 1/4"

5шт.

36

L16433

PLATE ASSEMBLY - hand hole cover

1шт.

37

L13195

GASKET

- hand hole cover

1шт.

38

L47929

CAP

- fuel tank, threaded iron (When stock is exhausted, order L53399 cap for service

1шт.

39

L53399

CAP

- fuel tank (Rubber stopper type with "T" handle

1шт.

40

L46934

PIPE

- filler extension (When stock is exhausted, order L53397 pipe and L53399 stopper type cap for service)

1шт.

41

L53397

PIPE

- filler extension (Use with L53399 stopper type cap)

1шт.

42

113-207

BOLT,Hex, 3/8" - 16 x 1", Gr 5

1шт.

43

192-21

LOCK WASHER,3/8"

WASHER, LOCK, 3/8"

1шт.

44

L46933

FILTER

STRAINER - fuel (When stock is exhausted, order L52650 strainer for service)

1шт.

44

L52650

STRAINER ELEMENT

STRAINER - fuel

1шт.

45

221-844

PLUG,Hex Soc, 1/2"-14

- hex. head, pipe (1/2" NPT)

1шт.

Выбрано товаров: 50