Запчасти Case W24B (150) - STEERING PRESSURE LINE HYDRAULICS, STEERING PRESSURE LINE HYDRAULICS (05) - STEERING

Схема запчастей Case W24B - (150) - STEERING PRESSURE LINE HYDRAULICS, STEERING PRESSURE LINE HYDRAULICS (05) - STEERING
FIT
1:1
100%

Артикул

Название

Примечание

Количество

1

REF

INSTRUCTION

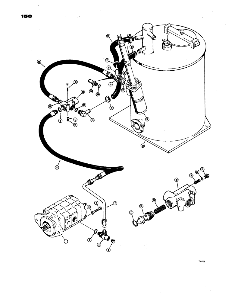
PUMP - hydraulic (See Figures 208 and 209A)

1шт.

2

13-1032

BOLT,Hex, 5/8" - 11 x 2", Gr 5

2шт.

3

92-10

LOCK WASHER,5/8"

WASHER, LOCK, 5/8"

2шт.

4

L53012

TEE

- check, steering, Includes: Ref. 5

1шт.

5

218-5008

O-RING,0.116" Thk x 0.924" ID, -912, Cl 6, 90 Duro

SEAL -"O" ring

1шт.

6

221-655

PLUG,Hex Hd, 3/4"-14

- hex. head, 3/4" NPT

1шт.

7

L52011

TUBE,0.75" OD

1шт.

8

L51827

HOSE

- hydraulic, pump to flow valve (29 - 1/2" long)

1шт.

9

237-6010

O-RING,0.097" Thk x 0.755" ID, -910, Cl 6, 90 Duro

10-1, 90 Duro, .755" ID x .097" Thk

1шт.

10

L48888

FLOW DIVIDER

VALVE - flow control (Parts list below)

1шт.

11

13-536

BOLT,Hex, 5/16" - 18 x 2-1/4", Gr 5

2шт.

12

92-5

LOCK WASHER,5/16"

2шт.

13

9635082

NUT,5/16" - 18, Gr 5

- hex. (5/16" - 18 NC)

2шт.

14

L51826

HOSE

- hydraulic, flow valve to steering pump (26 - 1/2" long)

1шт.

15

237-6010

O-RING,0.097" Thk x 0.755" ID, -910, Cl 6, 90 Duro

10-1, 90 Duro, .755" ID x .097" Thk

1шт.

16

218-5066

HYD CONNECTOR,7/8" - 14 Male JIC x 3/4" - 16 Male ORB

CONNECTOR, HYD., , male, straight (Used with Char - Lynn manufactered st eering gear, see figures 148 - 149A), Incl. Ref. 17 7/8"-14, 37º x 3/4"-16, O-Ring

1шт.

17

218-5006

O-RING,0.087" Thk x 0.644" ID, -908, Cl 6, 90 Duro

SEAL - "O" ring (Used with 218-5066 fitting only)

1шт.

17

218-5008

O-RING,0.116" Thk x 0.924" ID, -912, Cl 6, 90 Duro

SEAL - "O" ring (Used with 218-5063 fitting only)

1шт.

18

REF

INSTRUCTION

PUMP - steering gear (See figures 148 - 149C for proper pump)

1шт.

19

217-321

FITTING,45 Degree Elbow, 3/4" Hose Barb x 3/4" - 16 Male ORB

ELBOW - 45 degree, hose stem (Used with Char - Lynn manufactured steering gear, see figure 149C), Includes: Ref. 20

1шт.

20

218-5006

O-RING,0.087" Thk x 0.644" ID, -908, Cl 6, 90 Duro

SEAL - "O" ring

1шт.

20a

217-177

FITTING,3/4" Hose Barb x 1-1/16" - 12 Male ORB

CONNECTOR - straight, hose stem (Used with Ross manufactured stee ring gear, see figure 149C), Includes: Ref. 20B

1шт.

20b

218-5008

O-RING,0.116" Thk x 0.924" ID, -912, Cl 6, 90 Duro

SEAL - "O" ring (If used)

1шт.

21

214-254

HOSE CLAMP,#12, 0.69" - 1.25", Type F Worm

CLAMP - hose

4шт.

22

L53571

HOSE ASSY.

HOSE - hydraulic, low pressure (3/4" ld. x 16"long)

2шт.

23

REF

INSTRUCTION

TANK - hydraulic reservior (Parts list figure 166)

1шт.

24

217-361

FITTING,90 Degree Elbow, 3/4" Hose Barb x 7/8" - 14 Male ORB

ELBOW - 90 degree, hose stem, Includes: Ref. 25

1шт.

25

218-5006

O-RING,0.087" Thk x 0.644" ID, -908, Cl 6, 90 Duro

SEAL -"O" ring

1шт.

L48888

FLOW DIVIDER

VALVE - hydraulic, flow control, L48888, Includes: Ref. 26 - 32

1шт.

26

NSS

NOT SOLD SEPARAT

BODY - valve, L48888 flow control

1шт.

27

D46214

CIRCLIP

SNAP RING - spool retaining, L48888 flow control valve

1шт.

28

L35277

SPOOL

- valve, L48888 flow control

1шт.

29

D46216

SPRING

- spool, L48888 flow control valve

1шт.

30

L33959

FILTER, ENGINE OIL

SCREEN - filter, L48888 flow control valve

1шт.

31

218-5152

PLUG,Hex Hd, 3/8"-24 ORB

Filter access, L48888 flow control valve, Includes Ref. 32 Hex Hd, 3/8"-24 ORB

1шт.

32

218-5002

O-RING,0.064" Thk x 0.301" ID, -903, Cl 6, 90 Duro

3-1, .301" ID x .064" Thk, L48888 flow control valve

1шт.

Выбрано товаров: 36