Запчасти Case W24B (082) - TRANSMISSION HYDRAULIC SYSTEM (06) - POWER TRAIN

Схема запчастей Case W24B - (082) - TRANSMISSION HYDRAULIC SYSTEM (06) - POWER TRAIN
FIT
1:1
100%

Артикул

Название

Примечание

Количество

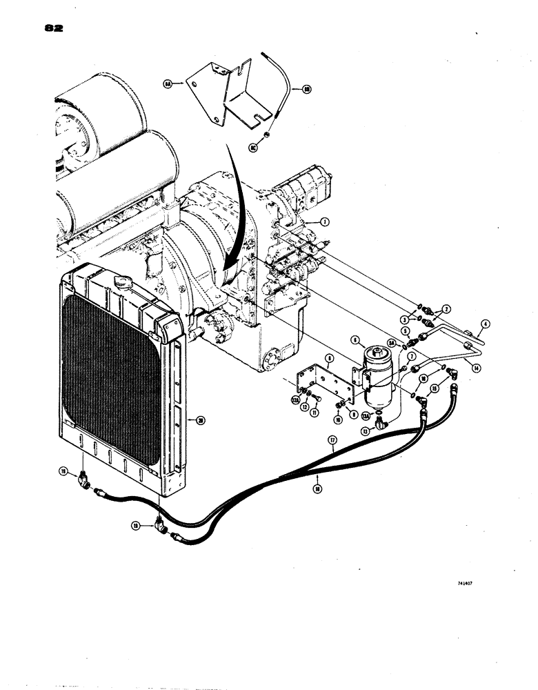
L52165

TRANSMISSION

ASSEMBLY - ring gear drive, before tractor Sn. 9115926 (Parts list Figures 64 - 86)

1шт.

L54744

TRANSMISSION

ASSEMBLY - flex plate drive, tractor Sn. 9115926 and after (Parts list Figures 64 - 86)

1шт.

2

218-5064

HYD CONNECTOR,1-1/16" - 12 Male JIC x 1-1/16" - 12 Male ORB

- male, straight, Incl. Ref. 3 1 1/16"-12, 37º x 1 1/16"-12, O-Ring

2шт.

3

218-5008

O-RING,0.116" Thk x 0.924" ID, -912, Cl 6, 90 Duro

SEAL - "O"ring

1шт.

4

L47139

TUBE

- transmission to oil filter, Serial Range: -9115926

1шт.

4

L52974

TUBE

- transmission to oil filter, Start Serial: 9115926

1шт.

5

218-5064

HYD CONNECTOR,1-1/16" - 12 Male JIC x 1-1/16" - 12 Male ORB

- male, straight, Incl. Ref. 5A 1 1/16"-12, 37º x 1 1/16"-12, O-Ring

1шт.

5a

218-5008

O-RING,0.116" Thk x 0.924" ID, -912, Cl 6, 90 Duro

SEAL - "O"ring (218-5064 connector)

1шт.

6

L47141

NO LONGER SERVICED

FILTER ASSEMBLY - transmission oil (Parts list Figure 84)

1шт.

7

13-616

BOLT,Hex, 3/8" - 16 x 1", Gr 5, Full Thd

Filter to bracket Hex, 3/8"-16 x 1", G5, Full Thd

4шт.

8

L19124

BRACKET

- filter mounting, Serial Range: -9115926

1шт.

8a

L52967

BRACKET

- filter mounting, Start Serial: 9115926

1шт.

8b

L52433

CLAMP

BOLT - "U"

1шт.

8c

25-106

NUT,3/8"-16, G5

- hex. (3/8" - 16 NC)

2шт.

9

92-6

LOCK WASHER,3/8"

4шт.

10

25-106

NUT,3/8"-16, G5

- hex. (3/8" - 16 NC)

4шт.

11

13-616

BOLT,Hex, 3/8" - 16 x 1", Gr 5, Full Thd

Filter bracket to engine block Hex, 3/8"-16 x 1", G5, Full Thd

4шт.

12

92-6

LOCK WASHER,3/8"

1шт.

12a

95-6

WASHER,3/8"

- standard wrot () 3/8"

4шт.

13

218-5108

ELBOW,90 Degree Elbow, 1-1/16" - 12 Male JIC x 1-1/16" - 12 Male ORB

- male, 90 degrees, Incl. Ref. 13A

1шт.

13a

218-5008

O-RING,0.116" Thk x 0.924" ID, -912, Cl 6, 90 Duro

SEAL - "O"ring (218-5108 elbow)

1шт.

14

L47137

TUBE

- oil filter to transmission (Return line) Used, Serial Range: -9115926

1шт.

14

L52978

TUBE

- oil filter to transmission (Return line) Used, Start Serial: 9115926

1шт.

15

218-5138

ELBOW,45 Degree Elbow, 1-1/16" - 12 Male JIC x 1-1/16" - 12 Male ORB

- adjustable, 45 degrees, Includes: Ref. 16

2шт.

16

218-5008

O-RING,0.116" Thk x 0.924" ID, -912, Cl 6, 90 Duro

SEAL - "O"ring

1шт.

17

L48529

HOSE

- transmission to transmission oil cooler (68" long)

1шт.

18

L50014

HOSE

- transmission oil cooler to transmission (84" long)

1шт.

19

221-415

ELBOW,90 Degree, 3/4"-14, NPT

Street - male 90º, 3/4"-14, NPT

2шт.

20

REF

INSTRUCTION

RADIATOR - engine and transmission cooling (See Figure 42 for related parts)

1шт.

Выбрано товаров: 0