Запчасти Case W24B (084) - TRANSMISSION MOUNTING PARTS,, DIPSTICK AND OIL FILTER DIPSTICK AND RELATED PARTS, (06) - POWER TRAIN

Схема запчастей Case W24B - (084) - TRANSMISSION MOUNTING PARTS,, DIPSTICK AND OIL FILTER DIPSTICK AND RELATED PARTS, (06) - POWER TRAIN
FIT
1:1
100%

Артикул

Название

Примечание

Количество

L52165

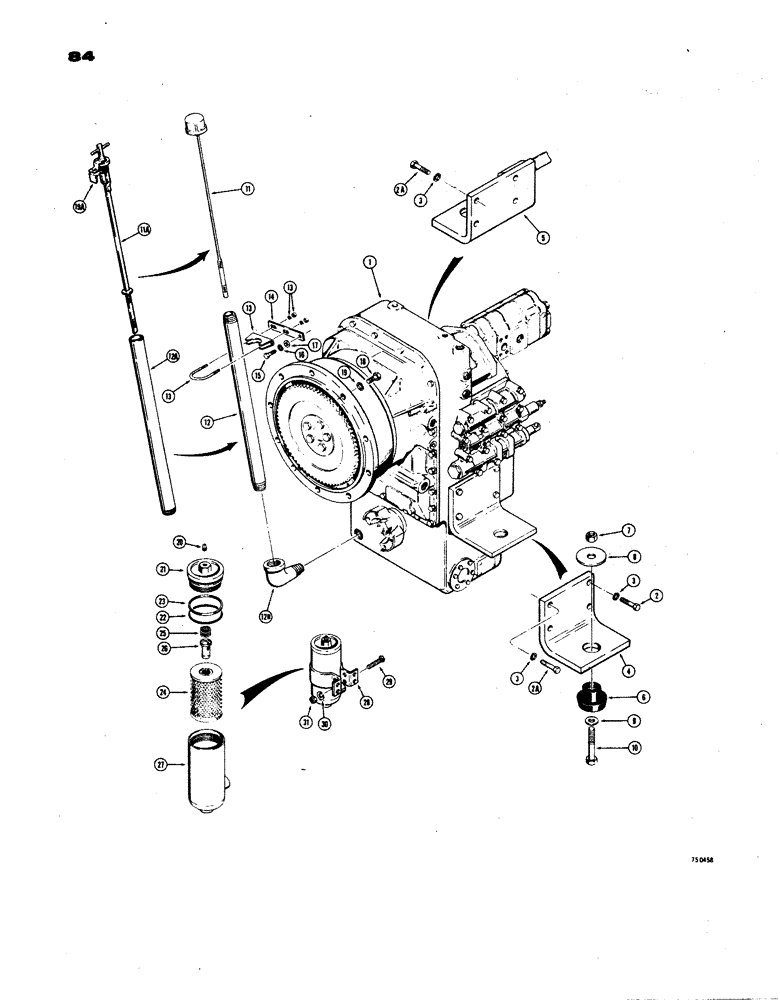
TRANSMISSION

ASSEMBLY - ring gear drive, before tractor Sn. 9115926 (Parts list Figures 64 - 86)

1шт.

L54744

TRANSMISSION

ASSEMBLY - flex plate drive, tractor Sn. 9115926 and after (Parts list Figures 64 - 86)

1шт.

2

13-1032

BOLT,Hex, 5/8" - 11 x 2", Gr 5

2шт.

2a

13-1028

BOLT,Hex, 5/8" - 11 x 1-3/4", Gr 5, Full Thd

6шт.

3

92-10

LOCK WASHER,5/8"

WASHER, LOCK, 5/8"

8шт.

L50676

BRACKET

ASSY. - trans. mounting, R.H. (Includes ref. nos. 4 and 6)

1шт.

NSS

NOT SOLD SEPARAT

BRACKET ASSY. - trans. mounting, L.H. (Includes ref. nos. 5 and 6)

1шт.

4

NSS

NOT SOLD SEPARAT

BRACKET - trans. mounting, R.H.

1шт.

5

L51417

BRACKET - trans. mounting, L.H.

1шт.

6

S93392

MOUNTING PARTS

SHOCK MOUNT - transmission, bonded

1шт.

7

131-16

LOCK NUT,3/4"-10, GB

LOCKNUT, 3/4"-10, GB

2шт.

8

A19068

WASHER

- special, shock mount retaining

2шт.

9

95-12

WASHER,3/4"

- standard wrot () 3/4"

2шт.

10

13-1264

BOLT,Hex, 3/4" - 10 x 4", Gr 5

2шт.

11

L50261

DIPSTICK

- transmission oil gauge (Threaded cap) When stock is exhausted, order L53872 dipstick for service

1шт.

11

L53872

DIPSTICK

- transmission oil gauge (Non-threaded cap with "T" handle) Not Shown

1шт.

11a

L54054

DIPSTICK

- transmission oil level (Models with lockup)

1шт.

12

L49769

PIPE - transmission filler (Threaded on both ends) When stock is exhausted, order L53873 pipe and L53872 dipstick for service

1шт.

12a

L53873

PIPE

- transmission filler (Threaded on lower end only)

1шт.

12b

221-417

ELBOW,90 Degree, 1 1/4"-11 1/2, NPT

- street, 90 degrees (1-1/4" NPT)

1шт.

13

L14262

CLAMP

- pipe

1шт.

14

L72533

BRACKET

- clamp to transmission ( replaced L48558 )

1шт.

15

13-722

BOLT,Hex, 7/16" - 14 x 1-3/8", Gr 5

1шт.

16

92-7

LOCK WASHER,7/16"

1шт.

17

95-7

WASHER,7/16"

- standard wrot () 7/16"

1шт.

18

13-620

BOLT,Hex, 3/8" - 16 x 1-1/4", Gr 5, Full Thd

12шт.

19

92-6

LOCK WASHER,3/8"

12шт.

19a

L55049

SUPPORT

BRACKET - dipstick lockup (If used)

1шт.

L47141

NO LONGER SERVICED

FILTER ASSEMBLY - transmission oil, L47141, Includes: Ref. 20 - 27

1шт.

20

221-1011

DRAIN PLUG,Sq Hd, 1/8"-27 NPTF

PLUG - pipe, square head (1/4" NPT), L47141 transmission oil filter

1шт.

21

A60765

CAP

- filter case, L47141 transmission oil

1шт.

A61234

HYDRAULIC OIL FILTER

ELEMENT KIT - transmission oil filter, L47141, Includes: Ref. 22 - 24

1шт.

22

A27507

O-RING,0.139" Thk x 3.984" ID, -242, Cl 5, 75 Duro

SEAL - "O"ring, filter cap, L47141 transmission oil

1шт.

23

G32176

BACK-UP RING,101.22mm ID x 107.32mm OD x 1.4mm Thk

Cap seal, L47141Transmission oil filter

1шт.

24

NSS

NOT SOLD SEPARAT

ELEMENT - transmission oil filter, L47141 transmission oil filter

1шт.

25

D31212

SPRING

- relief valve, L47141 transmission oil filter

1шт.

26

D37207

VALVE

- relief, L47141 transmission oil filter

1шт.

27

A60767

BODY

CASE - oil filter, L47141 transmission

1шт.

28

D31217

BRACKET

- filter mounting, L47141 transmission oil

1шт.

29

75-544

SCREW - machine, round head (5/16" - 18 NC x 2-3/4"), L47141 transmission oil filter

2шт.

30

92-5

LOCK WASHER,5/16"

L47141 transmission oil filter 5/16"

2шт.

31

9635082

NUT,5/16" - 18, Gr 5

- hex. (5/16" - 18 NC), L47141 transmission oil filter

2шт.

32

L47208

KIT

- element and gasket (Cold weather) Not shown, L47141 transmission oil filter

1шт.

Выбрано товаров: 0