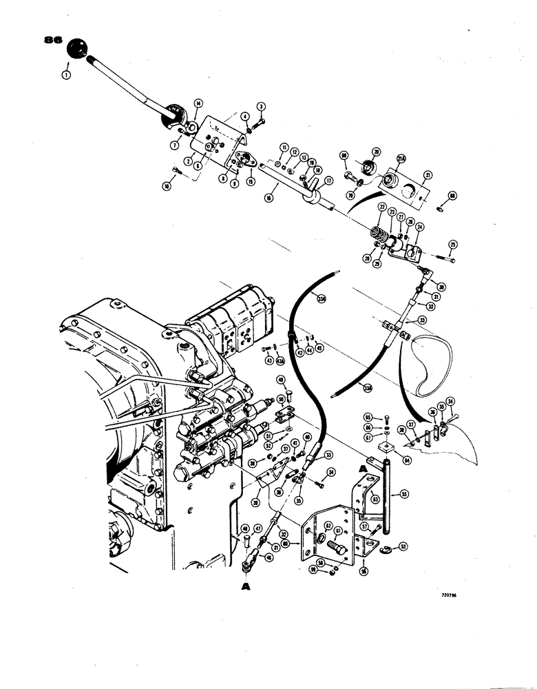
Запчасти Case W24B (086) - TRANSMISSION CONTROL PARTS (06) - POWER TRAIN

Схема запчастей Case W24B - (086) - TRANSMISSION CONTROL PARTS (06) - POWER TRAIN
FIT
1:1
100%

Артикул

Название

Примечание

Количество

1

A23885

KNOB

BALL - transmission shift lever

1шт.

2

L51864

BRACKET

- shift and steering column

1шт.

3

13-616

BOLT,Hex, 3/8" - 16 x 1", Gr 5, Full Thd

2шт.

4

92-6

LOCK WASHER,3/8"

2шт.

6

L48011

WASHER

STOP - shifting lever

1шт.

7

61-416

HEX SOC SCREW,1/4"-20 x 1"

CAP SCREW - hex. socket head (1/4" - 20 NC x 1")

1шт.

8

92-4

LOCK WASHER,1/4"

WASHER, LOCK, 1/4"

1шт.

9

25-104

NUT,1/4"-20, G5

1шт.

10

73-412

SCREW,Slotted Flat Hd, 1/4"-20 x 3/4"

- machine, flat head (1/4" - 20 NC x 3/4")

2шт.

11

195-18

WASHER,1/4"

- plain () 1/4"

2шт.

12

92-4

LOCK WASHER,1/4"

WASHER, LOCK, 1/4"

2шт.

13

25-104

NUT,1/4"-20, G5

2шт.

14

L12478

BEARING

- thrust

1шт.

15

L15401

BEARING,15.89mm ID

- shift lever (When stock is exhausted, order L58543 bearing for service)

1шт.

15

L58543

BEARING

- shift lever

1шт.

16

L48020

SHAFT

- transmission control

1шт.

17

L52507

ARM - air valve actuating

1шт.

18

85-516

SET SCREW,Sq Hd, 5/16"-18 x 1"

SCREW - set, square head (5/16" - 18 NC x 1")

1шт.

19

25-145

JAM NUT,Jam, 5/16"-18, G5

- hex., jam (5/16" - 18 NC)

1шт.

L51988

BLOCK ASSY.

BLOCK ASSEMBLY - shift lever, Includes: Ref. 20 - 21A

1шт.

20

L51984

SEAL

SEAL - block

1шт.

21

L51986

BLOCK

- shift lever

1шт.

21a

NSS

NOT SOLD SEPARAT

BUSHING - self-aligning

1шт.

22

A26586

SPRING

- compression

1шт.

23

L12479

SLEEVE

- transmission control shift

1шт.

24

L48500

ARM

LEVER - control linkage (Uses 13-524 bolt, 92-5 washer and 25-105 nut) When stock is exhausted, use L57327 lever.

1шт.

24

L57327

LEVER

- control linkage (Uses 92-5 washer and 13-516 bolt)

1шт.

25

13-524

BOLT,Hex, 5/16" - 18 x 1-1/2", Gr 5

- 5/16"-18 NC x 1-1/2" (If used)

1шт.

25

13-516

BOLT,Hex, 5/16" - 18 x 1", Gr 5

(If used) Hex, 5/16"-18 x 1", G5, Full Thd

1шт.

26

92-5

LOCK WASHER,5/16"

1шт.

27

9635082

NUT,5/16" - 18, Gr 5

- hex. (5/16" - 18 NC) If used

1шт.

28

25-154

JAM NUT,Jam, 1/4"-28, G5

- hex (1/4" - 28 NF)

1шт.

29

92-4

LOCK WASHER,1/4"

WASHER, LOCK, 1/4"

1шт.

30

A10329

BALL JOINT,1/4" - 28 x 1"

JOINT - ball type, cable end

1шт.

L51880

CABLE

ASSEMBLY - transmission shift control

1шт.

31

425-154

JAM NUT,Jam, 1/4"-28, G5

2шт.

32

L32682

SEAL

SEAL - cable

2шт.

33

L32683

SEAL

- cable

2шт.

33a

NSS

NOT SOLD SEPARAT

CABLE - transmission shift control

1шт.

34

169-102

SCREW,Sl Fil Hd, #10 - 24 x 1"

- machine, slotted fillister head (#10 - 24 NC x 1")

4шт.

35

L40314

CLAMP

- transmission shift control cable

2шт.

36

L40315

SHIM,5.55mm ID x 12.7mm OD x 2.28mm Thk

- cable clamping

2шт.

37

92-3

LOCK WASHER,#10

WASHER, LOCK, #10

4шт.

38

129-7

NUT,Hex, #10 - 24

- hex., lock (#10 - 24 NC)

4шт.

39

L54150

BRACKET

- cable clamp mounting

1шт.

40

13-618

BOLT,Hex, 3/8" - 16 x 1-1/8", Gr 5

2шт.

41

92-6

LOCK WASHER,3/8"

2шт.

42

49838

CLAMP

- hose

1шт.

43

13-516

BOLT,Hex, 5/16" - 18 x 1", Gr 5

1шт.

43a

95-5

WASHER,3/8" x 7/8" x .083"

- standard wrot (5/16")

1шт.

44

92-5

LOCK WASHER,5/16"

1шт.

45

9635082

NUT,5/16" - 18, Gr 5

- hex. (5/16" - 18 NC)

1шт.

46

213-2

ADJUSTABLE CLEVIS,1/4"-28 x 2"

CLEVIS - cable end

1шт.

47

141-2

CLEVIS PIN,1/4" x .770"

PIN - clevis, 1/4"

1шт.

48

132-6

COTTER PIN,1/16" x 5/8"

Pin, Split (Cotter) 1/16" x 5/8"

1шт.

49

141-11

CLEVIS PIN,3/8" x 1 1/4"

PIN - clevis, 3/8"

2шт.

50

L47832

LINK

- transmission control, at transmission

2шт.

51

95-6

WASHER,3/8"

- standard wrot () 3/8"

2шт.

52

132-26

COTTER PIN

PIN - cotter, 1/8" dia. x 1" ( replaced 132-48 )

2шт.

53

A31191

CIRCLIP

RING - retaining, bellcrank

2шт.

55

L52492

ARM ASSY.

BELLCRANK - transmission shift, ring gear drive (Before tractor Sn. 9115926)

1шт.

56

L51603

BRACKET

- bellcrank support, lower

1шт.

57

13-520

BOLT,Hex, 5/16" - 18 x 1-1/4", Gr 5

HHCS - 5/16" - 18 NC x 1-1/4"

4шт.

58

92-5

LOCK WASHER,5/16"

4шт.

59

9635082

NUT,5/16" - 18, Gr 5

- hex. (5/16" - 18 NC)

4шт.

60

L52490

BRACKET

- support, transmission shift

1шт.

61

13-1032

BOLT,Hex, 5/8" - 11 x 2", Gr 5

2шт.

62

92-10

LOCK WASHER,5/8"

WASHER, LOCK, 5/8"

2шт.

63

L52535

BRACKET

- bellcrank support, upper (Ring gear drive, before tractor Sn. 9115926)

1шт.

64

L52491

CAM

- neutral start switch (If used)

1шт.

65

13-516

BOLT,Hex, 5/16" - 18 x 1", Gr 5

(If used) Hex, 5/16"-18 x 1", G5, Full Thd

1шт.

66

92-5

LOCK WASHER,5/16"

if used 5/16"

1шт.

67

95-5

WASHER,3/8" x 7/8" x .083"

- standard wrot (5/16") If used

1шт.

68

86636814

LUBE NIPPLE,1/4"-28 x .52" lg

FITTING - grease, straight (1/4" NPT)

1шт.

69

13-816

BOLT,Hex, 1/2" - 13 x 1", Gr 5, Full Thd

1шт.

70

92-8

LOCK WASHER,1/2"

1шт.

Выбрано товаров: 0