Запчасти Case W24B (094) - FRONT AXLE DRIVE SHAFT (AXLE END), UNITS WITH RING GEAR DRIVE/BEFORE TRAC SN.9115926 (06) - POWER TRAIN

Схема запчастей Case W24B - (094) - FRONT AXLE DRIVE SHAFT (AXLE END), UNITS WITH RING GEAR DRIVE/BEFORE TRAC SN.9115926 (06) - POWER TRAIN
FIT
1:1
100%

Артикул

Название

Примечание

Количество

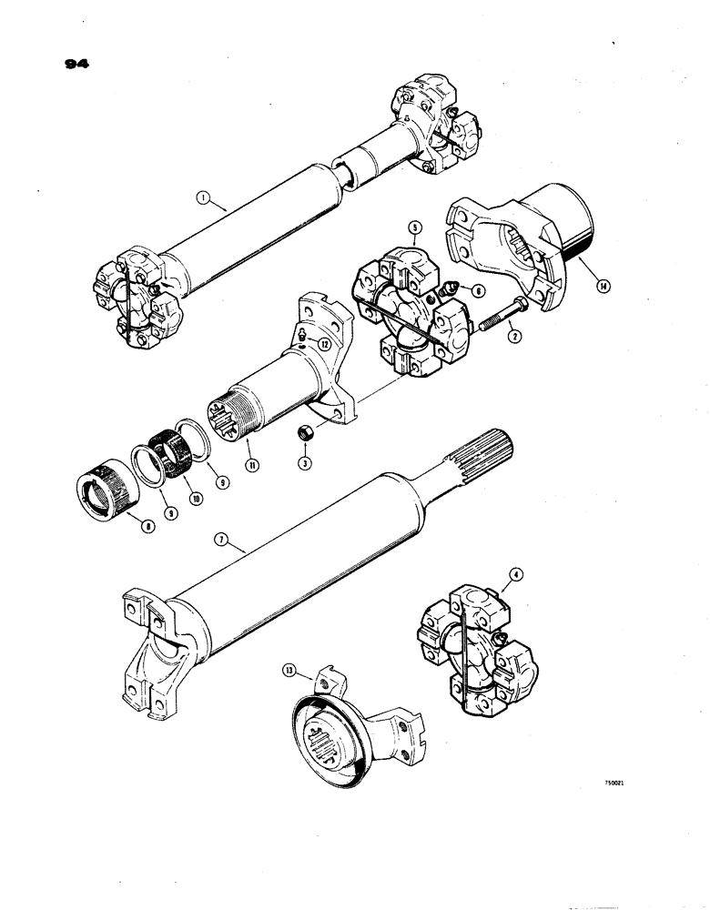
1

L53285

SHAFT

ASSEMBLY - drive, front axle (At axle), Includes: Ref. 2 - 12

1шт.

2

28-632

BOLT,Hex, 3/8" - 24 x 2", Gr 8

- special, spider and bearing to center bearing and axle (replaced L31781)

16шт.

3

86585245

SPECIAL NUT,JAM, 5/8" - 18

- hex., jam (3/8" - 24 NF) (replaced 25-156)

8шт.

4

L31776

SPIDER

SPIDER AND BEARING ASSEMBLY - drive shaft, Includes: Ref. 5 and 6

2шт.

5

NSS

NOT SOLD SEPARAT

SPIDER AND BEARING - drive shaft

1шт.

6

219-1

LUBE NIPPLE,1/8" - 27 NPTF

FITTING - grease, straight (1/8" NPT)

1шт.

7

L35274

YOKE

TUBE AND YOKE ASSEMBLY - drive shaft, center bearing end

1шт.

L32425

CAP

KIT - dust, drive shaft, Includes: Ref. 8 - 10

1шт.

8

NSS

NOT SOLD SEPARAT

CAP - dust, drive shaft

1шт.

9

L31779

WASHER

- felt retaining

2шт.

10

L31778

WASHER

- felt type (When stock is exhausted, order L33948 washer for service)

1шт.

10

L33948

WASHER

- felt type

1шт.

11

L35275

YOKE

- drive shaft, splined (Axle end)

1шт.

12

219-1

LUBE NIPPLE,1/8" - 27 NPTF

FITTING - grease, straight (1/8" NPT)

1шт.

13

L25500

YOKE

FLANGE - drive shaft mounting, at center bearing

1шт.

14

L33089

FLANGE - drive shaft mounting, at front axle

1шт.

Выбрано товаров: 0