Запчасти Case W24B (096) - REAR AXLE DRIVE SHAFT, UNITS WITH RING GEAR DRIVE/BEFORE TRAC. SN 9115926 (06) - POWER TRAIN

Схема запчастей Case W24B - (096) - REAR AXLE DRIVE SHAFT, UNITS WITH RING GEAR DRIVE/BEFORE TRAC. SN 9115926 (06) - POWER TRAIN
FIT
1:1
100%

Артикул

Название

Примечание

Количество

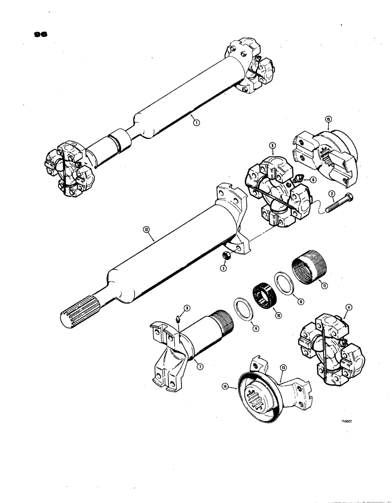
1

L53286

SHAFT

ASSEMBLY - drive, rear axle, Includes: Ref. 2 - 12

1шт.

2

28-632

BOLT,Hex, 3/8" - 24 x 2", Gr 8

- special, spider and bearing to rear axle and transmission (replaced L31781)

16шт.

3

86585245

SPECIAL NUT,JAM, 5/8" - 18

- hex., jam (3/8" - 24 NF) replaced 25-156 )

8шт.

4

L31776

SPIDER

SPIDER AND BEARING ASSEMBLY - drive shaft, Includes: Ref. 5 and 6

2шт.

5

NSS

NOT SOLD SEPARAT

SPIDER AND BEARING - drive shaft

1шт.

6

219-1

LUBE NIPPLE,1/8" - 27 NPTF

FITTING - grease, straight (1/8" NPT)

1шт.

7

L35274

YOKE

- drive shaft, splined (Axle end)

1шт.

8

219-1

LUBE NIPPLE,1/8" - 27 NPTF

FITTING - grease, straight (1/8" NPT)

1шт.

L32425

CAP

KIT - dust, drive shaft, Includes: Ref. 9 - 11

1шт.

9

L31779

WASHER

- felt retaining

2шт.

10

L31778

WASHER

- felt type (When stock is exhausted, order L33948 washer for service)

1шт.

10

L33948

WASHER

- felt type

1шт.

11

NSS

NOT SOLD SEPARAT

CAP - dust, drive shaft

1шт.

12

L35276

YOKE

TUBE AND YOKE ASSEMBLY - drive shaft, transmission

1шт.

L32491

YOKE

ASSEMBLY - rear axle drive shaft, Includes: Ref. 13 and 14

1шт.

13

L33089

YOKE - rear axle drive shaft

1шт.

14

L33088

GUARD

SLINGER - oil

1шт.

15

L32395

FLANGE - drive shaft mounting, transmission end

1шт.

Выбрано товаров: 0