Запчасти Case W24B (216) - BASIC HYDRAULIC CIRCUIT, PUMP TO RESERVOIR (08) - HYDRAULICS

Схема запчастей Case W24B - (216) - BASIC HYDRAULIC CIRCUIT, PUMP TO RESERVOIR (08) - HYDRAULICS
FIT
1:1
100%

Артикул

Название

Примечание

Количество

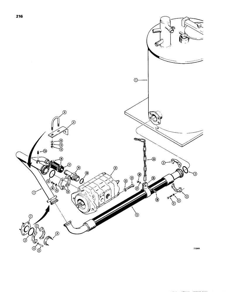
1

REF

INSTRUCTION

TANK - hydraulic reservoir, parts list figure 214

1шт.

2

A14506

O-RING,0.139" Thk x 2.234" ID, -228, Cl 5, 75 Duro

2шт.

3

A14141

FLANGE

- split, tube

4шт.

4

92-8

LOCK WASHER,1/2"

8шт.

5

13-824

BOLT,Hex, 1/2" - 13 x 1-1/2", Gr 5, Full Thd

8шт.

6

L77996

HOSE

ASSEMBLY - hydraulic, Serial Range: tank-pump

1шт.

7

L51773

MANIFOLD

TUBE - suction, at pump

1шт.

7a

221-12

PLUG,Sq Hd, 1/4"-18

- square head, 1/4" NPT

1шт.

8

L51810

BRACKET - tube support

1шт.

9

A31210

BOLT

- "U", 3/8" - 16 NC

1шт.

10

95-6

WASHER,3/8"

- flat, 3/8"

2шт.

11

92-6

LOCK WASHER,3/8"

2шт.

12

25-106

NUT,3/8"-16, G5

- hex, 3/8" - 16 NC

2шт.

13

A14506

O-RING,0.139" Thk x 2.234" ID, -228, Cl 5, 75 Duro

1шт.

14

A14141

FLANGE

- split, tube

2шт.

15

92-8

LOCK WASHER,1/2"

4шт.

16

13-820

BOLT,Hex, 1/2" - 13 x 1-1/4", Gr 5, Full Thd

4шт.

17

R13911

HOSE,31.80 mm ID x 101.60 mm ID, SAE 100R3

1шт.

18

214-258

HOSE CLAMP,#28, 1.31" - 2.25", Type F Worm

2шт.

19

L54345

TUBE NUT

FITTING - straight, hose stem, Includes: Ref. 20

1шт.

20

218-5012

O-RING,0.118" Thk x 1.720" ID, -924, Cl 6, 90 Duro

1шт.

21

REF

INSTRUCTION

PUMP - hydraulic, parts list figure 132

1шт.

22

13-1032

BOLT,Hex, 5/8" - 11 x 2", Gr 5

2шт.

23

92-10

LOCK WASHER,5/8"

WASHER, LOCK, 5/8"

2шт.

24

L54624

CHAIN (AG)

CHAIN - suction hose support

1шт.

25

R22054

CLAMP

- hose

1шт.

26

13-520

BOLT,Hex, 5/16" - 18 x 1-1/4", Gr 5

HHCS - 5/16" - 18 NC x 1-1/4"

1шт.

27

92-5

LOCK WASHER,5/16"

1шт.

28

9635082

NUT,5/16" - 18, Gr 5

- hex, 5/16" - 18 NC

1шт.

Выбрано товаров: 29