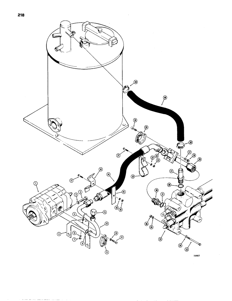
Запчасти Case W24B (218) - LOADER HYDRAULIC CIRCUIT, PUMP TO LOADER VALVE (08) - HYDRAULICS

Схема запчастей Case W24B - (218) - LOADER HYDRAULIC CIRCUIT, PUMP TO LOADER VALVE (08) - HYDRAULICS
FIT
1:1
100%

Артикул

Название

Примечание

Количество

1

REF

INSTRUCTION

PUMP - hydraulic, see figure 132

1шт.

2

92-10

LOCK WASHER,5/8"

WASHER, LOCK, 5/8"

2шт.

3

13-1032

BOLT,Hex, 5/8" - 11 x 2", Gr 5

2шт.

4

L51771

BRACKET

SUPPORT - pressure tube

1шт.

5

F60581

BOLT

- "U", 1/4" - 20 NC

1шт.

6

92-4

LOCK WASHER,1/4"

WASHER, LOCK, 1/4"

2шт.

7

25-104

NUT,1/4"-20, G5

2шт.

8

A14515

O-RING,0.139" Thk x 1.859" ID, -225, Cl 5, 75 Duro

1шт.

9

A14157

FLANGE

- split, tube

2шт.

10

92-8

LOCK WASHER,1/2"

4шт.

11

13-820

BOLT,Hex, 1/2" - 13 x 1-1/4", Gr 5, Full Thd

4шт.

12

L59567

PIPE,1.25" OD

TUBE - at pump

1шт.

13

221-655

PLUG,Hex Hd, 3/4"-14

- hex head cap, 3/4" NPT

1шт.

14

L47537

HOSE

ASSEMBLY - hydraulic, to three spool valve, 45 degree end (has 90 degree end)

1шт.

15

L51748

CLAMP

BRACKET - clamp

1шт.

16

L18549

CLAMP

- hose

1шт.

17

13-628

BOLT,Hex, 3/8" - 16 x 1-3/4", Gr 5

1шт.

18

92-6

LOCK WASHER,3/8"

1шт.

19

25-106

NUT,3/8"-16, G5

- hex, 3/8" - 16 NC

1шт.

20

L18548

CLAMP

- hose

1шт.

21

13-628

BOLT,Hex, 3/8" - 16 x 1-3/4", Gr 5

1шт.

22

92-6

LOCK WASHER,3/8"

1шт.

23

25-106

NUT,3/8"-16, G5

- hex, 3/8" - 16 NC

1шт.

24

T13224

O-RING,1.484" ID x 1.762" OD x 0.139"

1шт.

25

A12301

CLAMP,Half

- split, tube

2шт.

26

13-728

BOLT,Hex, 7/16" - 14 x 1-3/4", Gr 5

4шт.

27

92-7

LOCK WASHER,7/16"

4шт.

28

25-107

NUT,7/16"-14, G5

- hex, 7/16" - 14 NC

4шт.

29

L15893

TUBE,1.25" OD x 8.1, 2.7" L

- at two spool valve

1шт.

29

L15928

TUBE,1.25" OD x 8.0, 3.2" L

- at three spool valve

1шт.

30

218-5072

HYD CONNECTOR,1-5/8" - 12 Male JIC x 1-5/8" - 12 Male ORB

FITTING - male, straight, Includes: Ref. 31

1шт.

31

218-5011

O-RING,0.118" Thk x 1.475" ID, -920, Cl 6, 90 Duro

1шт.

32

REF

INSTRUCTION

VALVE - hydraulic control, see figures 246 and 248 for valves

1шт.

33

13-888

BOLT,Hex, 1/2" - 13 x 5-1/2", Gr 5

3шт.

34

95-8

WASHER,1/2"

- lock, 1/2"

3шт.

35

92-8

LOCK WASHER,1/2"

3шт.

36

25-108

NUT,1/2"-13, G5

- hex, 1/2" - 13 NC

3шт.

37

217-173

FITTING,1" Hose Barb x 1-5/8" - 12 Male ORB

Includes Ref. 38 1" Hose x 1 5/8"-12 ORB, Beaded

1шт.

38

218-5011

O-RING,0.118" Thk x 1.475" ID, -920, Cl 6, 90 Duro

1шт.

39

214-256

HOSE CLAMP,#20, 0.81" - 1.75", Type F Worm

CLAMP - hose

2шт.

40

L60366

HOSE

- 1" (25.4 mm) ID x 23" (584 mm) long

1шт.

Выбрано товаров: 41