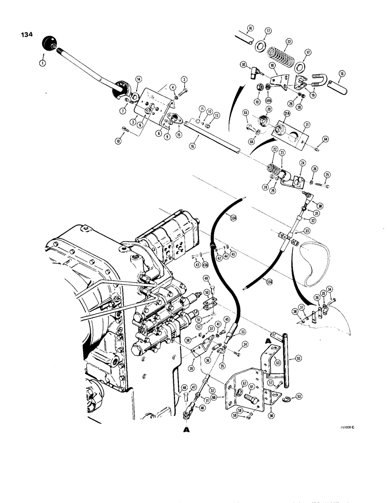
Запчасти Case W24B (134) - TRANSMISSION CONTROL PARTS (06) - POWER TRAIN

Схема запчастей Case W24B - (134) - TRANSMISSION CONTROL PARTS (06) - POWER TRAIN
FIT
1:1
100%

Артикул

Название

Примечание

Количество

1

A23885

KNOB

BALL - transmission shift lever

1шт.

2

L71678

BRACKET

- shift and steering column

1шт.

3

13-616

BOLT,Hex, 3/8" - 16 x 1", Gr 5, Full Thd

2шт.

4

92-6

LOCK WASHER,3/8"

2шт.

6

L48011

WASHER

STOP - shifting lever

1шт.

7

61-416

HEX SOC SCREW,1/4"-20 x 1"

CAP SCREW - hex socket head, 1/4" - 20 NC x 1"

1шт.

8

92-4

LOCK WASHER,1/4"

WASHER, LOCK, 1/4"

1шт.

9

25-104

NUT,1/4"-20, G5

1шт.

10

73-412

SCREW,Slotted Flat Hd, 1/4"-20 x 3/4"

- machine, flat head, 1/4" - 20 NC x 3/4"

2шт.

11

195-18

WASHER,1/4"

- flat, 1/4"

2шт.

12

92-4

LOCK WASHER,1/4"

WASHER, LOCK, 1/4"

2шт.

13

25-104

NUT,1/4"-20, G5

2шт.

14

L12478

BEARING

- thrust

1шт.

15

L74514

FLANGED BEARING,0.631" ID x 0.812"

BEARING - shift lever

1шт.

16

L73573

SHAFT

- transmission control

1шт.

17

95-10

WASHER,5/8"

- flat, 5/8"

2шт.

18

L79033

LEVER

1шт.

19

L79112

CLAMP

ASSEMBLY - includes hardware

1шт.

19a

92-8

LOCK WASHER,1/2"

2шт.

L74519

BLOCK ASSY.

SEAL ASSEMBLY - shift lever, Includes: Ref. 20 - 21A

1шт.

20

L51984

SEAL

SEAL - block

1шт.

21

L51986

BLOCK

- shift lever

1шт.

21a

L74515

BUSHING

- self-aligning

1шт.

22

A26586

SPRING

- compression

1шт.

23

L12479

SLEEVE

- L57237 lever

1шт.

24

L57327

LEVER

- use L79033 lever, L79112 clamp, 92-5 washer and 92-8 washer.

1шт.

25

13-516

BOLT,Hex, 5/16" - 18 x 1", Gr 5

1шт.

26

92-5

LOCK WASHER,5/16"

1шт.

28

25-154

JAM NUT,Jam, 1/4"-28, G5

- hex, jam (1/4"-28 NF)

1шт.

29

92-4

LOCK WASHER,1/4"

WASHER, LOCK, 1/4"

1шт.

30

A10329

BALL JOINT,1/4" - 28 x 1"

JOINT - ball type, cable end

1шт.

L51880

CABLE

ASSEMBLY - transmission shift control, Includes: Ref. 31 - 33A

1шт.

31

425-154

JAM NUT,Jam, 1/4"-28, G5

2шт.

32

L32682

SEAL

SEAL - cable

2шт.

33

L32683

SEAL

- cable

2шт.

33a

NSS

NOT SOLD SEPARAT

CABLE - transmission shift control

1шт.

34

169-102

SCREW,Sl Fil Hd, #10 - 24 x 1"

- machine, slotted fillister head, #10 - 24 NC x 1"

4шт.

35

L40314

CLAMP

- transmission shift control cable

2шт.

36

L40315

SHIM,5.55mm ID x 12.7mm OD x 2.28mm Thk

- cable clamping

2шт.

37

92-3

LOCK WASHER,#10

WASHER, LOCK, #10

4шт.

38

129-7

NUT,Hex, #10 - 24

- hex lock, #10 - 24 NC

4шт.

39

L54140

NUT

BRACKET - cable clamp mounting

1шт.

40

13-618

BOLT,Hex, 3/8" - 16 x 1-1/8", Gr 5

2шт.

41

92-6

LOCK WASHER,3/8"

2шт.

42

49838

CLAMP

- hose

1шт.

43

13-516

BOLT,Hex, 5/16" - 18 x 1", Gr 5

1шт.

43a

95-5

WASHER,3/8" x 7/8" x .083"

- flat, 5/16"

1шт.

44

92-5

LOCK WASHER,5/16"

1шт.

45

9635082

NUT,5/16" - 18, Gr 5

- hex, 5/16" - 18 NC

1шт.

46

213-2

ADJUSTABLE CLEVIS,1/4"-28 x 2"

CLEVIS - cable end

1шт.

47

141-2

CLEVIS PIN,1/4" x .770"

PIN - clevis, 1/4"

1шт.

48

132-6

COTTER PIN,1/16" x 5/8"

Pin, Split (Cotter) 1/16" x 5/8"

1шт.

49

141-11

CLEVIS PIN,3/8" x 1 1/4"

PIN - clevis, 3/8"

2шт.

50

L47832

LINK

- transmission control, at transmission

2шт.

51

95-6

WASHER,3/8"

- flat, 3/8"

2шт.

52

132-26

COTTER PIN

PIN - cotter, 1/8" dia x 1" ( replaced 132-48 )

2шт.

53

A31191

CIRCLIP

RING - retaining, bellcrank

2шт.

55

L57845

ROD

BELLCRANK - transmission shift

1шт.

56

L51603

BRACKET

- bellcrank support, lower

1шт.

57

13-520

BOLT,Hex, 5/16" - 18 x 1-1/4", Gr 5

HHCS - 5/16" - 18 NC x 1-1/4"

4шт.

58

92-5

LOCK WASHER,5/16"

4шт.

59

9635082

NUT,5/16" - 18, Gr 5

- hex, 5/16" - 18 NC

4шт.

60

L52490

BRACKET

- support, transmission shift

1шт.

61

13-1032

BOLT,Hex, 5/8" - 11 x 2", Gr 5

2шт.

62

92-10

LOCK WASHER,5/8"

WASHER, LOCK, 5/8"

2шт.

63

L51603

BRACKET

- bellcrank support, upper

1шт.

64

86636814

LUBE NIPPLE,1/4"-28 x .52" lg

FITTING - grease, straight, 1/4" NPT

1шт.

65

13-816

BOLT,Hex, 1/2" - 13 x 1", Gr 5, Full Thd

1шт.

66

92-8

LOCK WASHER,1/2"

1шт.

Выбрано товаров: 69