Запчасти Case W24B (138) - TRANSMISSION MOUNTING PARTS, DIPSTICK AND OIL FILTER, DIPSTICK AND RELATED PARTS (06) - POWER TRAIN

Схема запчастей Case W24B - (138) - TRANSMISSION MOUNTING PARTS, DIPSTICK AND OIL FILTER, DIPSTICK AND RELATED PARTS (06) - POWER TRAIN
FIT
1:1
100%

Артикул

Название

Примечание

Количество

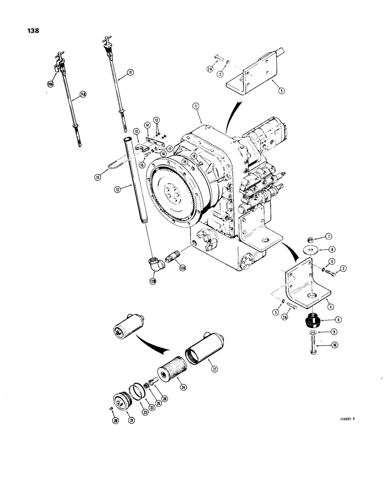
1

L54744

TRANSMISSION

ASSEMBLY - tractor, parts list figures 143 - 161

1шт.

2

13-1032

BOLT,Hex, 5/8" - 11 x 2", Gr 5

2шт.

2a

13-1028

BOLT,Hex, 5/8" - 11 x 1-3/4", Gr 5, Full Thd

6шт.

3

92-10

LOCK WASHER,5/8"

WASHER, LOCK, 5/8"

8шт.

L50676

BRACKET

ASSEMBLY - RH includes Ref 4 - 6

1шт.

NSS

NOT SOLD SEPARAT

BRACKET ASSEMBLY - LH includes Ref 4 - 6

1шт.

4

NSS

NOT SOLD SEPARAT

BRACKET - mounting, RH

1шт.

5

L51417

BRACKET - mounting, LH

1шт.

6

S92292

SHOCK MOUNT - transmission, bonded

1шт.

7

131-16

LOCK NUT,3/4"-10, GB

LOCKNUT, 3/4"-10, GB

2шт.

8

A19068

WASHER

- special, shock mount retaining

2шт.

9

95-12

WASHER,3/4"

- flat, 3/4"

2шт.

10

13-1264

BOLT,Hex, 3/4" - 10 x 4", Gr 5

2шт.

11

L53872

DIPSTICK

- transmission oil gauge

1шт.

11a

L54054

DIPSTICK

- transmission oil gauge, models with lockup

1шт.

12

L53873

PIPE

- transmission filler

1шт.

12a

221-1265

NIPPLE - pipe, 1-1/4" NPT x 3-1/2"

1шт.

12b

221-1380

ELBOW,90 Degree, 1 1/4" NPT

FITTING - 90 degrees, pipe

1шт.

13

L14262

CLAMP

- pipe

1шт.

14

L72127

BRACKET -, Serial Range: clamp-transmission

1шт.

15

13-722

BOLT,Hex, 7/16" - 14 x 1-3/8", Gr 5

1шт.

16

92-7

LOCK WASHER,7/16"

1шт.

17

95-7

WASHER,7/16"

- flat, 7/16"

1шт.

18

13-620

BOLT,Hex, 3/8" - 16 x 1-1/4", Gr 5, Full Thd

12шт.

19

92-6

LOCK WASHER,3/8"

12шт.

19a

L55049

SUPPORT

BRACKET - dipstick lockup, if used

1шт.

20

221-1011

DRAIN PLUG,Sq Hd, 1/8"-27 NPTF

PLUG - square head, 1/4" NPT, L471 transmission filter

1шт.

21

A60765

CAP

- filter case, L471 transmission

1шт.

A61234

HYDRAULIC OIL FILTER

ELEMENT KIT - transmission oil filter, L471 transmission, Includes: Ref. 22 - 24

1шт.

22

A27507

O-RING,0.139" Thk x 3.984" ID, -242, Cl 5, 75 Duro

L471 transmission filter

1шт.

23

G32176

BACK-UP RING,101.22mm ID x 107.32mm OD x 1.4mm Thk

Cap seal, L471 Transmission filter

1шт.

24

NSS

NOT SOLD SEPARAT

ELEMENT - transmission oil filter, L471

1шт.

25

D31212

SPRING

- relief valve, L471 transmission filter

1шт.

26

D37207

VALVE

- relief, L471 transmission filter

1шт.

27

A60767

BODY

CASE - oil filter, L471 transmission

1шт.

28

L47208

KIT

- element and gasket, cold weather, not shown, L471 transmission filter

1шт.

Выбрано товаров: 36