Запчасти Case W24C (216) - TRANSMISSION AND TRANSMISSION MOUNTS (06) - POWER TRAIN

Схема запчастей Case W24C - (216) - TRANSMISSION AND TRANSMISSION MOUNTS (06) - POWER TRAIN
FIT
1:1
100%

Артикул

Название

Примечание

Количество

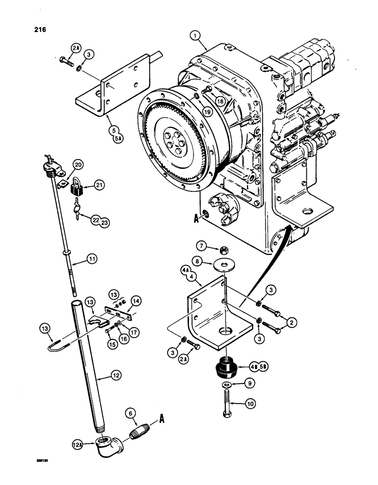
1

L54744

TRANSMISSION

- complete, before tractor SN 9134836 with the exception of SN 9134809 , Allison No. 6880475, no longer available, order L100805 transmission, and L35093 flex disc, Ref. 4A figure 218 - 240

1шт.

1

L100805

TRANSMISSION

- complete, for tractor SN 9134809 and SN 9134836 thru SN 9148913, Allison No. 6885699, parts list figures 218 - 240

1шт.

1

L60857

TRANSMISSION

- complete for tractor SN 9148914 and after, Allison, No. 23014974, parts list figures 218 - 240

1шт.

2

13-1032

BOLT,Hex, 5/8" - 11 x 2", Gr 5

2шт.

2a

13-1028

BOLT,Hex, 5/8" - 11 x 1-3/4", Gr 5, Full Thd

6шт.

3

92-10

LOCK WASHER,5/8"

WASHER, LOCK, 5/8"

8шт.

4

L115433

SUPPORT

BRACKET ASSEMBLY - right-hand, Includes: Ref. 4A and 4B

1шт.

4a

NSS

NOT SOLD SEPARAT

BRACKET - transmission mount

1шт.

4b

A19066

MOUNTING PARTS

MOUNT - transmission , rubber

1шт.

5

L115466

SUPPORT

BRACKET ASSEMBLY - left-hand, Includes: Ref. 5A and 5B

1шт.

5a

NSS

NOT SOLD SEPARAT

BRACKET - transmission mount

1шт.

5b

A19066

MOUNTING PARTS

MOUNT - transmission, rubber

1шт.

16

221-1265

NIPPLE - pipe, 1-1/4" NPT x 3-1/2"

1шт.

7

131-16

LOCK NUT,3/4"-10, GB

LOCKNUT, 3/4"-10, GB

2шт.

8

A19068

WASHER

- special, shock mount retaining

2шт.

9

86511191

WASHER,0.81" ID x 2" OD x 0.15" Thk

2шт.

10

13-1264

BOLT,Hex, 3/4" - 10 x 4", Gr 5

2шт.

11

L112387

DIPSTICK

- transmission oil gauge

1шт.

12

L53873

PIPE

- transmission filter

1шт.

12a

221-1380

ELBOW,90 Degree, 1 1/4" NPT

- 90 degree, 1-1/4" NPT

1шт.

13

A135473

CLAMP

U-BOLT AND HARDWARE - transmission filter

1шт.

14

L72127

BRACKET -, Serial Range: clamp-transmission

1шт.

15

13-722

BOLT,Hex, 7/16" - 14 x 1-3/8", Gr 5

1шт.

16

92-7

LOCK WASHER,7/16"

1шт.

17

95-7

WASHER,7/16"

- flat, 7/16"

1шт.

18

13-620

BOLT,Hex, 3/8" - 16 x 1-1/4", Gr 5, Full Thd

12шт.

19

92-6

LOCK WASHER,3/8"

12шт.

20

L55049

SUPPORT

BRACKET - locking, if used

1шт.

21

D93753

PADLOCK

- includes keys, if used, Includes: Ref. 22 and 23

1шт.

22

D93751

SET OF 2 KEYS

KEY - for Yale padlock only, if used

2шт.

23

R29555

KEY

- for Master padlock only, if used

2шт.

Выбрано товаров: 31