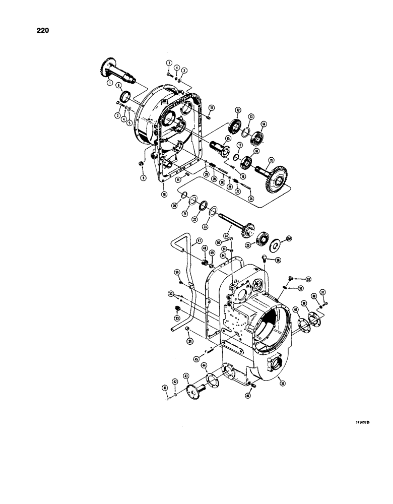
Запчасти Case W24C (220) - TRANSMISSION, TORQUE CONVERTER HOUSING, GEARS, AND TRANSMISSION HOUSING (06) - POWER TRAIN

Схема запчастей Case W24C - (220) - TRANSMISSION, TORQUE CONVERTER HOUSING, GEARS, AND TRANSMISSION HOUSING (06) - POWER TRAIN
FIT
1:1
100%

Артикул

Название

Примечание

Количество

1

L32399

GEAR

DRIVEN GEAR - assembly

1шт.

2

13-744

BOLT,Hex, 7/16" - 14 x 2-3/4", Gr 5

1шт.

3

13-722

BOLT,Hex, 7/16" - 14 x 1-3/8", Gr 5

23шт.

4

92-7

LOCK WASHER,7/16"

24шт.

5

95-7

WASHER,7/16"

- flat, 7/16"

24шт.

L33923

HOUSING

ASSEMBLY - torque converter, Includes: Ref. 6 - 11

1шт.

6

D47509

SLEEVE

- housing

1шт.

7

D47511

PLUG

- housing, upper, if used

2шт.

8

D47510

PLUG

- housing, upper right-hand side, if used

1шт.

9

D47512

PLUG

- housing, center right-hand side

1шт.

10

NSS

NOT SOLD SEPARAT

HOUSING - torque converter

1шт.

11

L31168

PIN

- dowel

2шт.

12

N9816

BALL BEARING,65mm ID x 100mm OD x 18mm W

ROLLER BEARING, housing (Replaced D47567)

1шт.

13

A12663

RING

SNAP RING - external type

1шт.

14

L32867

BEARING ASSY

ROLLER BEARING - housing

1шт.

15

D47444

SLEEVE

- converter ground

1шт.

16

121-104

BOLT,Lock Place, Hex, 5/16" - 18 x 3/4", Gr 8

- hex head, 5/16" - 18 NC x 3/4"

4шт.

17

D47445

SEAL

ING RING - second turbine

1шт.

18

D47568

BALL BEARING,2.1654" ID x 3.5433" OD x 0.7087"

BEARING - gear and shaft

1шт.

19

D75481

DRIVE

GEAR AND SHAFT - second turbine

1шт.

20

D47445

SEAL

ING RING - shaft

1шт.

24

D47569

RACE

- thrust, front

1шт.

22

D47570

BEARING ASSY

THRUST BEARING - gear and shaft

1шт.

23

D47571

RACE

- thrust, rear

1шт.

24

D47447

GEAR

DRIVE GEAR AND SHAFT - first tubine

1шт.

25

L31015

BEARING

BALL BEARING - gear and shaft

1шт.

25a

N8828

RING

THRUST WASHER - bearing

1шт.

26

D47879

PIN

- valve guide

2шт.

27

D47448

SPRING

- lubrication

1шт.

28

L31038

SPRING

- converter regulator, used before transmission SN 92911

1шт.

28

N6383

SPRING

- converter regulator, used on transmission SN 92911 and after

1шт.

29

L31023

WASHER

VALVE - torque converter

2шт.

30

121-205

LOCK BOLT,Lock Place, Hex, 3/8" - 16 x 3/4", Gr 8

BOLT - hex head 3/8" - 16 NC x 3/4"

1шт.

31

L31051

PLUG

- drain

1шт.

32

221-662

PLUG,Hex Hd, 1/4"-18

- add and full position, transmission oil

2шт.

33

221-1017

DRAIN PLUG,Sq Hd, 1 1/4"-11 1/2 NPTF

PLUG - oil filter

1шт.

34

D48358

GASKET

- torque converter to transmission housing

1шт.

35

D78409

HOUSING

- transmission, used on L54744 and L100805 transmission

1шт.

For transmission identification, see Figure 216

1шт.

35

N8405

HOUSING

- transmission, used on L60857 transmission

1шт.

For transmission identification, see Figure 216

1шт.

36

D57822

BREATHER

- transmission

1шт.

37

13-614

BOLT,Hex, 3/8" - 16 x 7/8", Gr 5, Full Thd

6шт.

38

92-6

LOCK WASHER,3/8"

6шт.

39

D47461

COVER

- transmission housing, right-hand side

1шт.

40

D77594

GASKET,1.78mm Thk

- cover

1шт.

41

13-614

BOLT,Hex, 3/8" - 16 x 7/8", Gr 5, Full Thd

6шт.

42

92-6

LOCK WASHER,3/8"

6шт.

43

L31082

STRAINER ELEMENT

STRAINER - transmission suction line

1шт.

44

D77594

GASKET,1.78mm Thk

- strainer

1шт.

45

D47462

PIN

- anchor

1шт.

46

221-5

DRAIN PLUG,Sq Hd, 1/4"-14 NPTF

PLUG - transmission drain

1шт.

47

L32788

TUBE,1.25" OD

- suction

1шт.

48

L31083

NUT

- special

1шт.

49

L31084

SEAL

- nut

1шт.

50

221-1025

PLUG

- square socket head, 3/4" NPT

1шт.

51

L31080

PLUG

- remote filter

1шт.

52

N8406

GASKET

WASHER - special

1шт.

53

N8407

PLUG

- magnetic

1шт.

Выбрано товаров: 59