Запчасти Case W24C (284) - BRAKE SYSTEM, TIRE INFLATION KIT (07) - BRAKES

Схема запчастей Case W24C - (284) - BRAKE SYSTEM, TIRE INFLATION KIT (07) - BRAKES
FIT
1:1
100%

Артикул

Название

Примечание

Количество

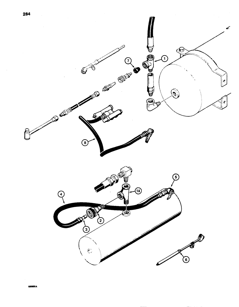
1

217-1064

TEE,1/2" - 14 Female x 1/2" - 14 Male Run

- pipe, if used, use with check valve

1шт.

1a

221-1692

TEE,Street, 3/8" NPT

- pipe, if used, mounted on top of tank

1шт.

2

L13978

VALVE

COUPLER - adapter, female

1шт.

3

L13979

COUPLING

COUPLER - adapter - male

1шт.

4

L15274

HOSE

- inflation

1шт.

5

L78137

SOCKET

VALVE - air conrtrol, if used

1шт.

6

L13977

GAUGE ASSY.

GAUGE - tire pressure, if used

1шт.

7

217-44

REDUCER,1/2" - 14 NPT x 3/8" - 18 NPT

1шт.

8

L113543

SET OF PARTS

TIRE GAUGE - remote

1шт.

Выбрано товаров: 9