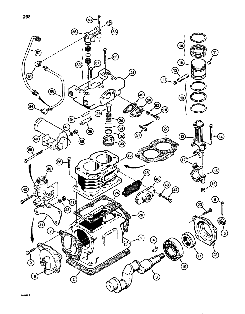
Запчасти Case W24C (298) - BRAKE SYSTEM, L112909 AND L105648 AIR COMPRESSORS (07) - BRAKES

Схема запчастей Case W24C - (298) - BRAKE SYSTEM, L112909 AND L105648 AIR COMPRESSORS (07) - BRAKES
FIT
1:1
100%

Артикул

Название

Примечание

Количество

L112909

COMPRESSOR

AIR COMPRESSOR ASSEMBLY - brake, water cooled, Midland-Ross No. N5303-AB, Includes: Ref. 1 - 60

1шт.

LR112909

REMAN-COMPRESSOR

Compressor Only

1шт.

LC112909

CORE-COMPRESSOR

Return Part Number

1шт.

L105648

COMPRESSOR

AIR COMPRESSOR ASSEMBLY - brake, water cooled, Midland-Ross No. N5303-Z, Includes: Ref. 1 - 60

1шт.

N7283

COMPRESSOR

AIR COMPRESSOR - brake Midland-Ross, service, Includes: Ref. 1 - 39

1шт.

1

N7285

CRANKCASE

- air compressor

1шт.

2

N7284

GASKET

- base

1шт.

3

N7288

CRANKSHAFT

- air compressor

1шт.

4

126-124

WOODRUFF KEY,#15, 1/4" x 1", HT

1шт.

5

86632554

SLOTTED NUT,3/4"-16, G5

NUT - crankshaft

1шт.

6

132-50

COTTER PIN,1/8" x 1 1/4"

Pin, Split (Cotter), 1/8" x 1 1/4"

1шт.

7

N7293

GASKET

- rear bearing cap

1шт.

8

N7289

BALL BEARING,1.3812" ID x 2.8322" OD x 0.94"

BEARING CAP - rear

1шт.

9

113-123

BOLT,Locking, 5/16" - 18 x 1", Gr 5

- hex head, 5/16" - 18 NC x 1"

4шт.

N7287

PISTON

AND ROD ASSEMBLY, Includes: Ref. 10 - 18

2шт.

10

N7297

SET

RING - set, standard

6шт.

10

N7298

RING

- set, .010" (0.254 mm) oversized

6шт.

10

N7299

RING

- set, .020" (0.508 mm) oversized

6шт.

11

N7521

BUTTON

- wrist pin

2шт.

12

N7522

PIN

WRIST PIN - piston

1шт.

N7520

ROD

ASSEMBLY

1шт.

13

NSS

NOT SOLD SEPARAT

ROD - connecting

1шт.

14

NSS

NOT SOLD SEPARAT

BOLT - special, connectiong rod

2шт.

15

NSS

NOT SOLD SEPARAT

CAP - rod

1шт.

16

131-1

LOCK NUT,1/4"-28, GB

NUT - cap

2шт.

17

N7300

BEARING SET

INSERT KIT - set of 2, standard

1шт.

17

N7301

BEARING SET

INSERT KIT - set of 2, .010" (0.254 mm) undersized

1шт.

17

N7302

BEARING

INSERT KIT - set of 2, .020" (0.508 mm) undersized

1шт.

17

N7303

BEARING

INSERT KIT - set of 2, .030" (0.762 mm) undersized

1шт.

18

N7304

PISTON

- standard

1шт.

18

N7305

PISTON

- .010" (0.254 mm) oversized

1шт.

18

N7306

PISTON

- .020" (0.508 mm) oversized

1шт.

19

N7292

BALL BEARING,1.378" ID x 2.8346" OD x 0.6693"

BEARING - crankshaft

1шт.

20

N7293

GASKET

- front bearing cap

1шт.

21

N7291

SEAL

- front cover

1шт.

22

N7290

CAP

BEARING CAP - front

1шт.

23

113-123

BOLT,Locking, 5/16" - 18 x 1", Gr 5

- hex head, 5/16" - 18 NC x 1"

4шт.

24

N7294

GASKET

-, Serial Range: case-block

1шт.

25

N7286

BLOCK ASSY.

BLOCK - cylinder

1шт.

26

113-123

BOLT,Locking, 5/16" - 18 x 1", Gr 5

- hex head, 5/16" - 18 NC x 1"

6шт.

N7295

HEAD

ASSEMBLY - air compressor, includes N7307 Head Repair Kit, see below, Includes: Ref. 27 - 35

1шт.

27

N7310

CYLINDER HEAD GASKET

- head

1шт.

28

NSS

NOT SOLD SEPARAT

HEAD - air compressor

1шт.

29

N7554

SEAT

- exhaust valve

2шт.

30

NSS

NOT SOLD SEPARAT

SPRING - exhaust valve

2шт.

31

NSS

NOT SOLD SEPARAT

VALVE - exhaust

2шт.

32

N7555

WASHER

- special

2шт.

33

N7556

STOP

- exhaust valve

2шт.

34

NSS

NOT SOLD SEPARAT

VALVE - inlet

2шт.

35

N7553

SEAT

GUARD - inlet valve

2шт.

36

113-186

BOLT,Hex, 5/16" - 18 x 2-3/8", Gr 5

- hex head, 5/16" - 18 NC x 2-3/8"

5шт.

37

113-120

BOLT,Hex, 5/16" - 18 x 1-3/4", Gr 5

1шт.

N7296

VALVE

UNLOADER - assembly, Includes: Ref. 38 and 39

1шт.

38

NSS

NOT SOLD SEPARAT

BODY - unloader

1шт.

39

N7311

KIT

- repair, unloader

1шт.

40

N7281

BAR

GOVERNOR - air compressor, used with L105648 air compressor, parts list figure 304

1шт.

41

N8780

SUPPORT

BRACKET - governor to air compressor

1шт.

42

114-122

BOLT,Hex, 5/16" - 24 x 2", Gr 5

Used with L105648 air compressor Hex, 5/16"-24 x 2", G5

2шт.

43

192-20

LOCK WASHER,Helical Spring, 0.318" ID, CST, ZND

WASHER, LOCK, 5/16"

2шт.

44

129-122

NUT,5/16"-24, G5

2шт.

45

N7308

GASKET

- intake manifold

1шт.

46

N7278

FLANGE

PORT - inlet

1шт.

47

113-113

BOLT,Hex, 5/16" - 18 x 7/8", Gr 5

2шт.

48

192-20

LOCK WASHER,Helical Spring, 0.318" ID, CST, ZND

WASHER, LOCK, 5/16"

2шт.

49

N7309

GASKET

- exhaust manifold

1шт.

50

N7279

FLANGE

PORT - outlet

1шт.

51

61-514

BOLT - hex socket head, 5/16" - 18 NC x 7/8", used with L105648 air compressor

2шт.

51a

113-103

BOLT,Hex, 5/16" - 18 x 1", Gr 5

- hex head, 5/16" - 18 NC x 7/8", Used with L112909 air compressor

2шт.

52

192-20

LOCK WASHER,Helical Spring, 0.318" ID, CST, ZND

WASHER, LOCK, 5/16"

2шт.

53

113-4

BOLT,Hex, 1/4" - 20 x 1", Gr 5

2шт.

54

222-1022

ELBOW,90 Degree, 7/16"-24 Inv Fl x 1/8" NPT

- tube

2шт.

55

N7280

TUBE

- unloader, used with L105648 air compressor

1шт.

56

221-843

PLUG,Hex Soc, 3/8"-18

- head

1шт.

57

N8781

TUBE,5.65, 3.68" L

- governor, used with L112909 air compressor

1шт.

58

113-177

BOLT,Hex, 5/16" - 18 x 3", Gr 5

Used with L112909 air compressor Hex, 5/16"-18 x 3", G5

2шт.

59

9635082

NUT,5/16" - 18, Gr 5

Used with L112909 air compressor 5/16"-18, G5

2шт.

60

N8782

REGULATOR

GOVERNOR - air compressor, used with L112909 air compressor, parts list figure 302

1шт.

N7307

KIT

- head repair and gaskets, includes Refs. 27, 30, 31, 34, 45, and 49.

1шт.

Выбрано товаров: 78