Запчасти Case W24C (422) - FRONT FRAME AND FENDERS (09) - CHASSIS/ATTACHMENTS

Схема запчастей Case W24C - (422) - FRONT FRAME AND FENDERS (09) - CHASSIS/ATTACHMENTS
FIT
1:1
100%

Артикул

Название

Примечание

Количество

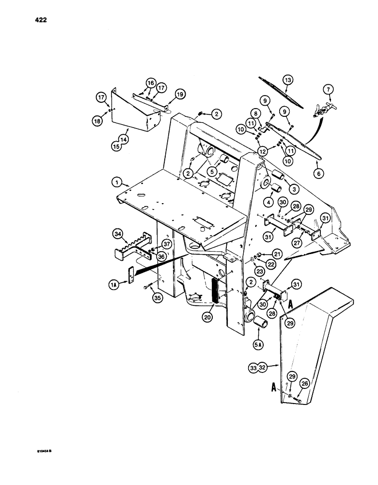
L112415

CHASSIS

- front , used on tractor SN 9152656 and after, includes Refs. 1 and 2 - 5A below, Includes: Ref. 1 - 5A

1шт.

L111427

CHASSIS

- front, used on tractor SN 9152629 thru SN 9152655, includes Refs. 1 and 2 - 5A below, Includes: Ref. 1 - 5A

1шт.

L107155

CHASSIS

- front, no longer available, order L111427 front chassis and Ref. 1A L52658 bracket, used before tractor SN 9152629, Includes: Ref. 1 - 5A

1шт.

1

NSS

NOT SOLD SEPARAT

FRAME, Includes: Ref. 1A

1шт.

1a

L52658

BRACKET

- hose mounting, weld on

1шт.

2

219-1

LUBE NIPPLE,1/8" - 27 NPTF

GREASE FITTING - straight, 1/8" NPT

6шт.

3

L26673

BUSHING

- lift cylinder

2шт.

4

L15526

BUSHING

- lift arm, outer

2шт.

5

L15527

BUSHING

- lift arm, inner

2шт.

5a

L19473

BUSHING

- lift cylinder

2шт.

6

L106858

DOOR

- access

1шт.

7

L48438

HANDLE

- door

1шт.

8

L78015

STOP

- door

1шт.

9

113-207

BOLT,Hex, 3/8" - 16 x 1", Gr 5

8шт.

10

92-6

LOCK WASHER,3/8"

6шт.

11

95-6

WASHER,3/8"

- flat, 3/8"

13шт.

12

25-106

NUT,3/8"-16, G5

- hex, 3/8" - 16 NC

8шт.

13

L73043

HINGE

- door

1шт.

14

L71792

SUPPORT

BRACKET - right-hand, lamp mounting

1шт.

15

L71791

BRACKET

- left-hand, lamp mounting

1шт.

16

113-207

BOLT,Hex, 3/8" - 16 x 1", Gr 5

8шт.

17

92-6

LOCK WASHER,3/8"

8шт.

18

25-106

NUT,3/8"-16, G5

- hex, 3/8" - 16 NC

2шт.

19

L72174

BRACKET

- support

2шт.

20

L47997

ELASTIC STOP

CUSHION - rubber stop

2шт.

21

25-146

JAM NUT,Jam, 3/8"-16, G5

JAM NUT - 3/8" -16 NC

4шт.

22

92-6

LOCK WASHER,3/8"

4шт.

23

95-6

WASHER,3/8"

- flat, 3/8"

4шт.

26

113-208

BOLT,Hex, 3/8" - 16 x 1-1/4", Gr 5

12шт.

27

113-209

BOLT,Hex, 3/8" - 16 x 1-1/2", Gr 5

12шт.

28

92-6

LOCK WASHER,3/8"

24шт.

29

95-6

WASHER,3/8"

- flat, 3/8"

48шт.

30

25-106

NUT,3/8"-16, G5

- hex, 3/8" - 16 NC

24шт.

31

L17070

PIPE

BRACKET - fender

6шт.

32

L16988

FENDER - RH

1шт.

33

L16989

FENDER ASSY.

FENDER - LH

1шт.

34

L77602

STEP

- tractor

6шт.

35

113-421

BOLT,Hex, 1/2" - 13 x 2", Gr 5

12шт.

36

92-8

LOCK WASHER,1/2"

12шт.

37

129-105

NUT,Hex, 1/2" - 13, Gr 5

12шт.

Выбрано товаров: 40