Запчасти Case W24C (184) - STEERING HYDRAULIC CIRCUIT - WITH COOLER, MODELS WITHOUT AUXILIARY STEERING (05) - STEERING

Схема запчастей Case W24C - (184) - STEERING HYDRAULIC CIRCUIT - WITH COOLER, MODELS WITHOUT AUXILIARY STEERING (05) - STEERING
FIT
1:1
100%

Артикул

Название

Примечание

Количество

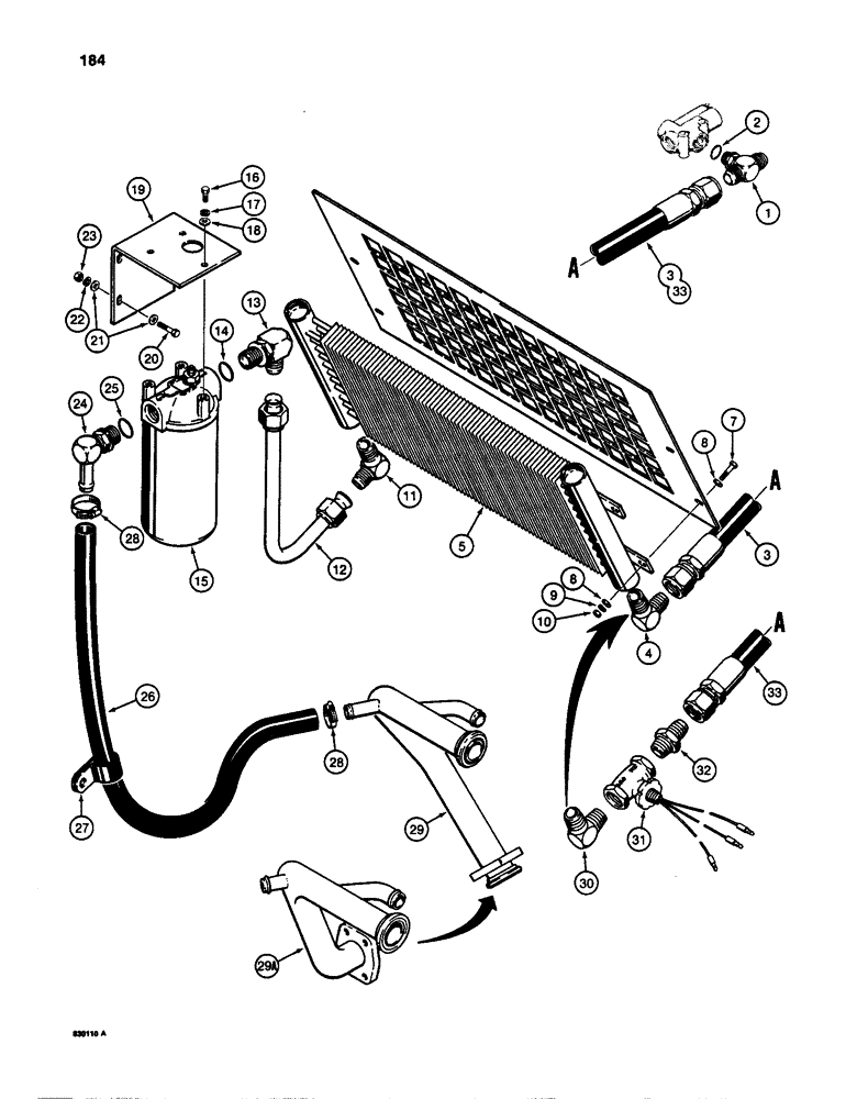
1

218-5503

TEE,1 1/16"-12, 37 Degree x 7/8"-14, O-Ring Br

- at flow control valve, for flow control valve and connecting lines, see figure 182, Includes: Ref. 2

1шт.

2

237-6010

O-RING,0.097" Thk x 0.755" ID, -910, Cl 6, 90 Duro

- tee

1шт.

3

L109725

HOSE - to oil cooler, 58" (1473 mm) long

1шт.

4

218-488

ELBOW,90 Degree Elbow, 1-5/16" - 12 Male JIC x 1" - 11-1/2 Male NPTF

- 90 degree, male

1шт.

5

L107484

COOLER

- hydraulic oil

1шт.

6

L109439

GRILLE

- oil cooler

1шт.

7

13-616

BOLT,Hex, 3/8" - 16 x 1", Gr 5, Full Thd

4шт.

8

95-6

WASHER,3/8"

- flat, 3/8"

8шт.

9

92-6

LOCK WASHER,3/8"

4шт.

10

25-106

NUT,3/8"-16, G5

- hex, 3/8" - 16 NC

4шт.

11

218-488

ELBOW,90 Degree Elbow, 1-5/16" - 12 Male JIC x 1" - 11-1/2 Male NPTF

- 90 degree, male

1шт.

12

L109732

TUBE - oil cooler to filter 1" OD x 18.46, 10.46" L

1шт.

13

218-5110

ELBOW,90 Degree Elbow, 1-5/16" - 12 Male JIC x 1-5/16" - 12 Male ORB

filter, in part, Incl. Ref. 14 and 15 90º, 1 5/16"-12, 37º x 1 5/16"-12, O-Ring

1шт.

14

218-5010

O-RING,0.116" Thk x 1.171" ID, -916, Cl 6, 90 Duro

- elbow

1шт.

15

L114122

FILTER

- hydraulic oil, parts list figure 196

1шт.

16

13-616

BOLT,Hex, 3/8" - 16 x 1", Gr 5, Full Thd

3шт.

17

92-6

LOCK WASHER,3/8"

3шт.

18

95-6

WASHER,3/8"

- flat, 3/8"

3шт.

19

L109206

BRACKET

- filter mounting

1шт.

20

13-620

BOLT,Hex, 3/8" - 16 x 1-1/4", Gr 5, Full Thd

4шт.

21

95-6

WASHER,3/8"

- flat, 3/8"

8шт.

22

92-6

LOCK WASHER,3/8"

4шт.

23

25-106

NUT,3/8"-16, G5

- hex, 3/8" - 16 NC

4шт.

24

217-352

FITTING,90 Degree Elbow, 1" Hose Barb x 1-5/16" - 12 Male ORB

STEM FITTING - 90 degree, Includes: Ref. 25

1шт.

25

218-5010

O-RING,0.116" Thk x 1.171" ID, -916, Cl 6, 90 Duro

- stem fitting

1шт.

26

H66779

LARGE HOSE

HOSE - return, 1" (25 mm) ID x 54" (1372 mm) long

1шт.

27

49773

CLAMP

- hose

1шт.

28

214-257

HOSE CLAMP,#24, 1.06" - 2", Type F Worm

2шт.

29

L109733

TUBE - suction, used before tractor SN 9152629

1шт.

29a

L111423

MANIFOLD

TUBE - suction, used on tractor SN9152629 and after, for connecting parts in basic hydraulic system, see figure 356

1шт.

30

217-1228

ELBOW,90 Degree, 1"- 11 1/2 Male

- 90 degree, special parts for models with auxilliary steering and external filter located in rear chassis

1шт.

31

L58400

PRESSURE SWITCH

SWITCH - flow control, special parts for models with auxilliary steering and external filter located in rear chassis

1шт.

32

218-448

HYD CONNECTOR,1-5/16" - 12 Male JIC x 1" - 11-1/2 Male NPTF

ADAPTER - straight, special parts for models with auxilliary steering and external filter located in rear chassis

1шт.

33

L109724

HOSE ASSY.

HOSE - cooler to flow control valve, 54" (1372 mm), special parts for models with auxilliary steering and external filter located in rear chassis

1шт.

Выбрано товаров: 34