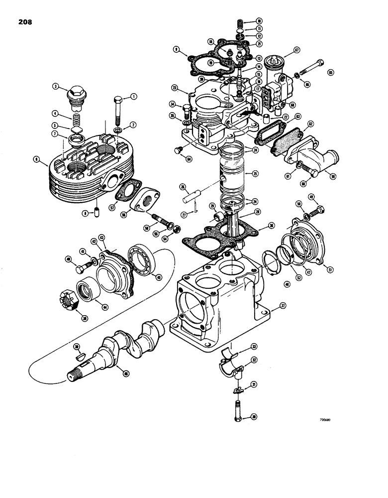
Запчасти Case W26B (208) - L17683 AIR COMPRESSOR (07) - BRAKES

Схема запчастей Case W26B - (208) - L17683 AIR COMPRESSOR (07) - BRAKES
FIT
1:1
100%

Артикул

Название

Примечание

Количество

L17683

COMPRESSOR

ASSEMBLY - air, Includes: Ref. 1 - 32

1шт.

1

113-110

BOLT,Hex, 5/16" - 18 x 2-1/4", Gr 5

Hex, 5/16"-18 x 2 1/4", G5, Cylinder head mounting

8шт.

2

L32917

WASHER

- special

8шт.

L32899

CYLINDER

DISCHARGE VALVE AND HEAD ASSEMBLY - cylinder, Includes: Ref. 3 - 8

1шт.

3

L32916

CYLINDER END CAP

CAP - discharge valve

2шт.

4

L31451

SPRING

- valve

2шт.

5

L32915

LOCK VALVE

VALVE - discharge

2шт.

NSS

NOT SOLD SEPARAT

HEAD ASSEMBLY - cylinder, Includes: Ref. 6 - 8

1шт.

6

NSS

NOT SOLD SEPARAT

HEAD - cylinder

1шт.

7

L32909

SEAT

- discharge valve

2шт.

8

L32914

DOWEL

STOP - valve

2шт.

9

L32898

GASKET

- head to cylinder block

1шт.

10

L31442

SPRING

- inlet valve

2шт.

11

L31441

VALVE

- inlet

2шт.

12

L31440

GUIDE

- inlet valve

2шт.

L32880

CYLINDER

BLOCK ASSEMBLY - cylinder, Includes: Ref. 13 - 23

1шт.

13

L31409

GUIDE

- plunger

2шт.

14

L31408

PLUNGER

- unloader

2шт.

L31404

PISTON

ASSEMBLY - unloader, Includes: Ref. 15 - 17

2шт.

15

NSS

NOT SOLD SEPARAT

PISTON - unloader

1шт.

16

L31406

BACK-UP RING

- backup, unloader piston seal

1шт.

17

L31407

O-RING

SEAL - "O" ring, unloader piston

1шт.

18

L31412

SEAT

- spring, unloader

1шт.

19

L31413

SPRING

- unloader

1шт.

20

L32885

SADDLE

- spring, unloader

1шт.

L32881

BLOCK

- cylinder, 2.063" (52.4 mm) cylinder I.D., Includes: Ref. 21 - 23

1шт.

L32882

BLOCK

- cylinder, 2.073" (52.6 mm) cylinder I.D., Includes: Ref. 21 - 23

1шт.

L32883

BLOCK

- cylinder, 2.083" (52.9 mm) cylinder I.D., Includes: Ref. 21 - 23

1шт.

L32884

BLOCK

- cylinder, 2.093" (53.1 mm) cylinder I.D., Includes: Ref. 21 - 23

1шт.

21

L39948

SEAT

- inlet valve

2шт.

22

L33174

BUSHING

- cylinder block

2шт.

23

NSS

NOT SOLD SEPARAT

BODY - cylinder block

1шт.

24

L32910

RING

- piston, standard, 2.0625" (52.3 mm)

8шт.

24

L32911

RING

- piston, oversized, 2.0725" (52.6 mm)

8шт.

24

L32912

RING

- piston, oversized, 2.0825" (52.8 mm)

8шт.

24

L32913

RING

- piston, oversized, 2.0825" (53.1 mm)

8шт.

L32904

PISTON

AND WRIST PIN ASSEMBLY - standard, Includes: Ref. 25 and 26

2шт.

L32905

PISTON

AND WRIST PIN ASSEMBLY - .010" (0.25 mm) oversized, Includes: Ref. 25 and 26

2шт.

L32906

AXLE PIN

PISTON AND WRIST PIN ASSEMBLY - .020" (0.5 mm) oversized, Includes: Ref. 25 and 26

2шт.

L32907

AXLE PIN

PISTON AND WRIST PIN ASSEMBLY - .030" (0.76 mm) oversized, Includes: Ref. 25 and 26

2шт.

25

NSS

NOT SOLD SEPARAT

PISTON - air compressor

1шт.

26

NSS

NOT SOLD SEPARAT

WRIST PIN - piston

1шт.

27

L31437

ELECTRICAL WIRE

LOCKWIRE - wrist pin

2шт.

L32894

ROD

ASSEMBLY - connecting, standard, 1.1253" (28.5 mm), Includes: Ref. 28 - 32

2шт.

L32895

ROD, CONNECTING

ROD ASSEMBLY - connecting, undersized 1.1153" (28.3 mm), Includes: Ref. 28 - 32

2шт.

L32896

ROD, CONNECTING

ROD ASSEMBLY - connecting, undersized, 1.1053" (28 mm), Includes: Ref. 28 - 32

2шт.

L32897

EXCHANGE CONROD

ROD ASSEMBLY - connecting, undersized, 1.0953" (27.8 mm), Includes: Ref. 28 - 32

2шт.

28

NSS

NOT SOLD SEPARAT

ROD - connecting

1шт.

29

NSS

NOT SOLD SEPARAT

BUSHING - wrist pin

1шт.

30

L31427

BOLT

BOLT - special, connecting rod

2шт.

31

L31426

LOCK WASHER

WASHER - special, connecting rod

2шт.

32

NSS

NOT SOLD SEPARAT

CAP - rod

1шт.

33

L33720

INSERT

KIT - bearing, L32894 rod, .05210" to .05185" (1.32 to 1.31 mm) thick, Includes: Ref. 34 - 68

1шт.

33

L33721

RING

INSERT KIT - bearing, L32895 rod, .05710" to .05685" (1.45 to 1.44 mm) thick, Includes: Ref. 34 - 68

1шт.

33

L33722

INSERT

KIT - bearing, L32896 rod, .06210" to .06185" (1.577 to 1.570 mm) thick, Includes: Ref. 34 - 68

1шт.

33

L33723

KIT

INSERT KIT - bearing, L32897 rod, .06710" to .06685" (1.70 to 1.69 mm) thick, Includes: Ref. 34 - 68

1шт.

34

113-228

X

HHCS - 3/8" - 16 NC x 7/8"

6шт.

35

92-6

LOCK WASHER,3/8"

6шт.

36

L32879

GASKET

- cylinder, Serial Range: block-crankcase

1шт.

37

L32878

CRANKCASE

- air compressor

1шт.

38

25-1912

SLOTTED NUT,3/4"-16, G5, Thk

NUT - crankshaft (3/4" - 16 NF)

1шт.

REPLACED BY N7683 (NOT A SUB)

1шт.

39

126-216

WOODRUFF KEY,Hi-Pro, 1" Dia x 1/4" x 1 1/16"

KEY - Woodruff, special

1шт.

40

13-514

BOLT,Hex, 5/16" - 18 x 7/8", Gr 5

4шт.

41

192-110

LOCK WASHER,5/16"

WASHER - light sect. lock () 5/16"

4шт.

42

L32889

COVER ASSY

COVER - end, front

1шт.

43

L32888

GASKET

- cover, front end

1шт.

44

A50423

OIL SEAL

- oil, front cover

1шт.

45

L32887

BEARING

- ball

1шт.

46

L32886

CRANKSHAFT

- air compressor

1шт.

47

A57116

O-RING,2.612 mm ID x 2.818 mm OD x -H288 mm

SEAL - "O" ring, rear cover

1шт.

48

L31414

THRUST WASHER

WASHER - thrust, crankshaft

1шт.

49

13-512

BOLT,Hex, 5/16" - 18 x 3/4", Gr 5

4шт.

50

192-110

LOCK WASHER,5/16"

WASHER - light sect. lock () 5/16"

4шт.

51

L32890

COVER ASSY

COVER - rear, crankcase, 1.381" (35 mm) I.D., Includes: Ref. 52

1шт.

52

L32824

BUSHING

- crankshaft

1шт.

51

L32891

COVER ASSY

COVER - rear, crankcase, 1.371" (34.8 mm) I.D., Includes: Ref. 52

1шт.

52

L32825

BUSHING

- crankshaft

1шт.

51

L32892

COVER ASSY

COVER - rear, crankcase, 1.361" (34.5 mm) I.D., Includes: Ref. 52

1шт.

52

L32826

BUSHING

- crankshaft

1шт.

51

L32893

COVER ASSY

COVER - rear, crankcase, 1.351" (34.3 mm) I.D., Includes: Ref. 52

1шт.

52

L32827

BUSHING

- crankshaft

1шт.

54

25-115

NUT,5/16"-24, G5

- hex (5/16"-24 NF)

2шт.

55

192-110

LOCK WASHER,5/16"

WASHER - light section lock () 5/16"

2шт.

56

L13524

CLAMP

FITTING - discharge

1шт.

57

L31456

GASKET

- discharge

1шт.

58

L32919

STUD

- discharge

1шт.

59

L32921

ELBOW UNION

ELBOW - inlet

1шт.

60

13-514

BOLT,Hex, 5/16" - 18 x 7/8", Gr 5

2шт.

61

192-110

LOCK WASHER,5/16"

WASHER - light section lock () 5/16"

2шт.

62

L32920

PLATE ASSY.

PLATE - strainer

1шт.

63

L31457

GASKET

- strainer

2шт.

64

221-1662

PLUG

- pipe, hex. head (1/4" NPT)

1шт.

65

113-142

BOLT,Hex, 5/16" - 18 x 2-7/8", Gr 5

(Governor mounting) Hex, 5/16"-18 x 2 7/8", G5

2шт.

66

192-110

LOCK WASHER,5/16"

WASHER - light section lock () 5/16"

2шт.

67

REF

INSTRUCTION

GOVERNOR ASSEMBLY - compressor (Parts list page 213)

1шт.

68

L13526

GASKET

- governor mounting

1шт.

Выбрано товаров: 97