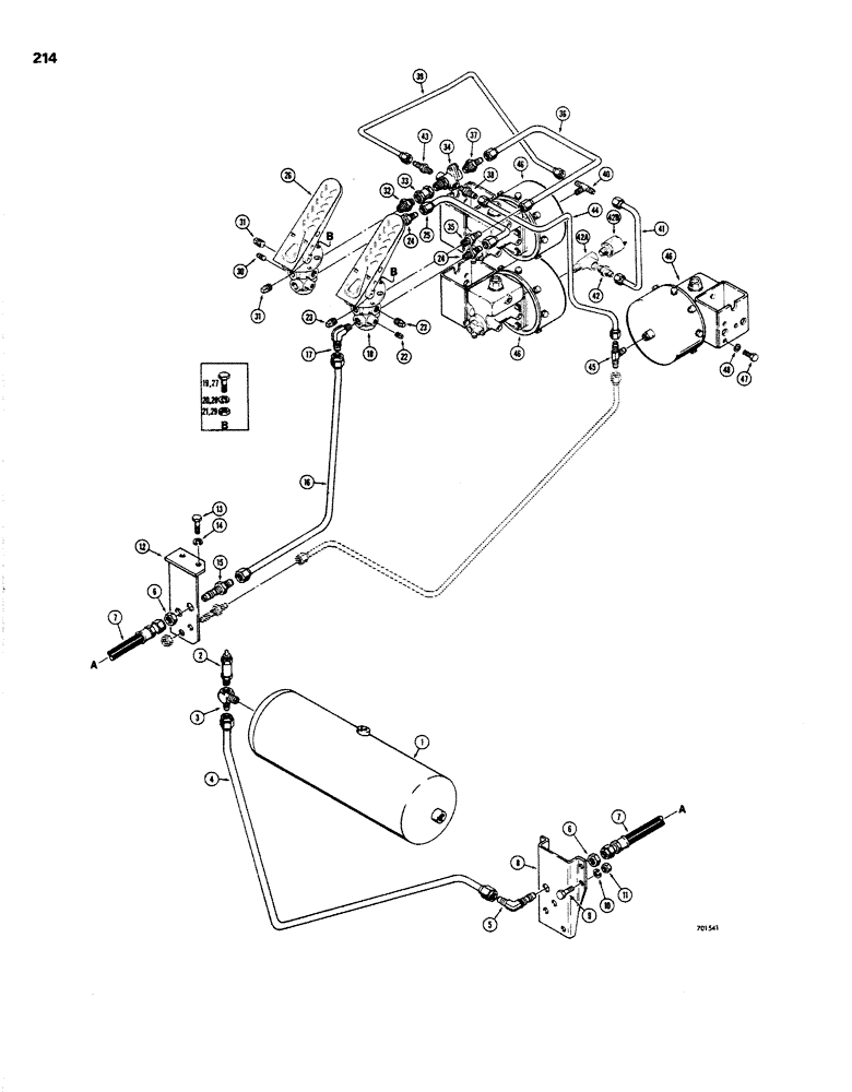
Запчасти Case W26B (214) - BRAKE SYSTEM, RESERVOIR TO TREADLES AND MASTER CYLINDERS (07) - BRAKES

Схема запчастей Case W26B - (214) - BRAKE SYSTEM, RESERVOIR TO TREADLES AND MASTER CYLINDERS (07) - BRAKES
FIT
1:1
100%

Артикул

Название

Примечание

Количество

1

L43018

RESERVOIR

- air, brake system

1шт.

2

L48992

VALVE,1/4"

ASSEMBLY - safety

1шт.

3

L40869

RADAR

FITTING - air, 3 - way

1шт.

4

L40167

TUBE - air reservoir to brake control 0.625" OD

1шт.

5

218-695

ELBOW,90 Degree Blkhd, 7/8"-14, 37 Degree x 7/8"-14, 37 Degree

UNION - tube bulkhead, 90 degrees

1шт.

6

25-1514

JAM NUT,Jam, 7/8"-14, G5

- hex., jam (7/8" - NF)

2шт.

7

L12597

HOSE ASSY.

HOSE - reservoir to brake control

1шт.

8

L40336

BRACKET - hose and tube support, rear

1шт.

9

13-624

BOLT,Hex, 3/8" - 16 x 1-1/2", Gr 5

HHCS - 3/8" - 16 NC x 1/2"

4шт.

10

92-6

LOCK WASHER,3/8"

4шт.

11

25-106

NUT,3/8"-16, G5

- hex (3/8" - 16 NC)

4шт.

12

L12599

BRACKET - hose and tube support, front

1шт.

13

13-812

BOLT,Hex, 1/2" - 13 x 3/4", Gr 5

HHCS - 1/2" - 13 NC x 3/4"

2шт.

14

80679

LOCK WASHER,1/20.507 CST ZND

WASHER, LOCK, 1/2"

2шт.

15

218-675

FITTING,Blkhd, 7/8"-14, 37 Degree x 7/8"-14, 37 Degree

FIT STL BULKHD .625MJ .625MJ

1шт.

16

L12603

TUBE

- reservoir to R.H. brake treadle

1шт.

17

218-485

ELBOW,90 Degree Elbow, 7/8" - 14 Male JIC x 1/2" - 14 Male NPTF

- male, 90 degrees

1шт.

18

REF

INSTRUCTION

TREADLE AND VALVE ASSEMBLY - R.H. brake (See figure 236)

1шт.

19

13-516

BOLT,Hex, 5/16" - 18 x 1", Gr 5

3шт.

20

92-5

LOCK WASHER,5/16"

3шт.

21

9635082

NUT,5/16" - 18, Gr 5

- hex. (5/16" - 18 NF)

3шт.

22

221-2

DRAIN PLUG,Sq Hd, 1/4"-18 NPTF

PLUG - pipe, square head (1/4" NPT)

2шт.

23

221-4

DRAIN PLUG,Sq Hd, 1/2"-14 NPTF

PLUG - pipe, square head (1/2" NPT)

3шт.

24

218-456

HYD CONNECTOR,3/4" - 16 Male JIC x 1/2" - 14 Male NPTF

CONNECTOR - male, straight

2шт.

25

L12605

TUBE - R.H. brake control to L.H. brake and clutch control 16.5, 2.65" L

1шт.

26

REF

INSTRUCTION

TREADLE AND VALVE ASSEMBLY - L.H. brake and clutch control (See figure 236)

1шт.

27

13-516

BOLT,Hex, 5/16" - 18 x 1", Gr 5

3шт.

28

92-5

LOCK WASHER,5/16"

3шт.

29

9635082

NUT,5/16" - 18, Gr 5

- hex. (5/16" - 18 NC)

3шт.

30

221-2

DRAIN PLUG,Sq Hd, 1/4"-18 NPTF

PLUG - pipe, square head (1/4" NPT)

1шт.

31

221-4

DRAIN PLUG,Sq Hd, 1/2"-14 NPTF

PLUG - pipe, square head (1/2 NPT)

2шт.

32

217-1072

HYD CONNECTOR,1/2" - 14 NPTF

NIPPLE - pipe (1/2" NPT)

1шт.

33

221-329

X

COUPLING - pipe, hex. (1/2" NPT)

1шт.

34

L12635

VALVE

- check, double (Parts list figure 242)

1шт.

35

218-456

HYD CONNECTOR,3/4" - 16 Male JIC x 1/2" - 14 Male NPTF

CONNECTOR - male, straight

1шт.

36

L12606

TUBE - R.H. brake control to check valve 12.18, 10.5" L

1шт.

37

218-444

HYD CONNECTOR,3/4" - 16 Male JIC x 3/8" - 18 Male NPTF

CONNECTOR - male, straight

1шт.

38

218-1024

HYD CONNECTOR,9/16"-18, 37 Degree x 3/8"-18, NPTF

CONNECTOR, HYD., 9/16"-18, 37° x 3/8"-18, NPTF

1шт.

39

L12607

TUBE - check valve to rear master cylinder

1шт.

40

218-553

TEE,9/16"-18, 37 Degree x 1/4"-18, NPTF Br

- tube to rear master cylinder

1шт.

41

L16755

TUBE

- tee to L.H. front master cylinder

1шт.

42

218-443

HYD CONNECTOR,9/16" - 18 Male JIC x 1/4" - 18 Male NPTF

ADAPTER - straight (3/8" tube x 1/4" pipe)

1шт.

42a

221-1691

TEE,Street, 1/4" NPT

- Street, 1/4" NPT

1шт.

42b

L47989

SWITCH

SWITHC - stop light

1шт.

43

218-1024

HYD CONNECTOR,9/16"-18, 37 Degree x 3/8"-18, NPTF

CONNECTOR, HYD., 9/16"-18, 37° x 3/8"-18, NPTF

1шт.

44

L12608

TUBE - check valve R.H. front master cylinder 0.375" OD

1шт.

45

218-553

TEE,9/16"-18, 37 Degree x 1/4"-18, NPTF Br

- tube to R.H. front master cylinder (If used)

1шт.

45

218-483

ELBOW,90 Degree Elbow, 9/16" - 18 Male JIC x 1/4" - 18 Male NPTF

- male, 90 degrees (Not shown) If used

1шт.

46

REF

INSTRUCTION

MASTER CYLINDER - brake, front and rear (See figures 238 and 240 for proper cylinder)

3шт.

47

13-616

BOLT,Hex, 3/8" - 16 x 1", Gr 5, Full Thd

9шт.

48

92-6

LOCK WASHER,3/8"

9шт.

Выбрано товаров: 51