Запчасти Case W26B (414) - D49325 AND D49326 LOADER TILT CYLINDERS GLAND HAS STEP-TYPE OUTER ROD WIPER (08) - HYDRAULICS

Схема запчастей Case W26B - (414) - D49325 AND D49326 LOADER TILT CYLINDERS GLAND HAS STEP-TYPE OUTER ROD WIPER (08) - HYDRAULICS
6
5
3
1
10
10
14
3
15
7
5
9
8
17
12
18
14
13
16
2
11
4
FIT
1:1
100%

Артикул

Название

Примечание

Количество

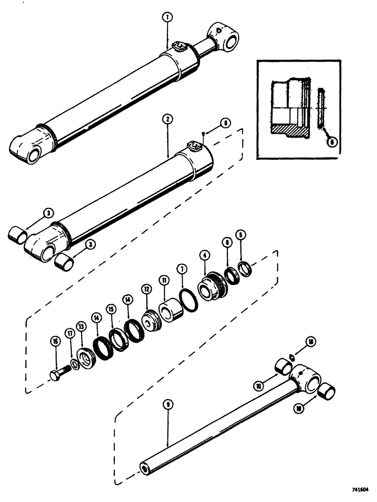
1

D49325

CYLINDER ASSY.

CYLINDER ASSEMBLY - tilt, L.H., 5" dia. x 31-1/2" stroke (127 mm dia. x 800 mm stroke), Includes: Ref. 2 - 18

1шт.

1

D49326

CYLINDER

ASSEMBLY - tilt, R.H., 5" dia. x 31-1/2" stroke (127 mm dia. x 800 stroke), Includes: Ref. 2 - 18

1шт.

2

D49336

CYLINDER

TUBE ASSY. - cylinder body, left hand, Includes: Ref. 3

1шт.

2

D49337

CYLINDER

TUBE ASSY. - cylinder body, right hand, Includes: Ref. 3

1шт.

3

D49312

BUSHING

- cylinder tube

2шт.

4

D49331

GLAND

ASSEMBLY - cylinder

1шт.

5

D43162

WIPER

- piston rod, outer (step type) (See Inset)

1шт.

Part of Seal Kit, P/N G32457

1шт.

6

D45571

ROD

SEAL - piston rod

1шт.

Part of Seal Kit, P/N G32457

1шт.

7

D44723

SEAL

RING - gland sealing

1шт.

Part of Seal Kit, P/N G32457

1шт.

8

187-1031

SELF-TAP SCREW,Pan, 0.164"-32 x 1/4"

SCREW - gland lock (#8-32 x 1/4" self-tapping)

1шт.

9

D49327

ROD ASSEMBLY - piston, 2-1/2" dia. (63 mm), Includes: Ref. 10

1шт.

10

D49312

BUSHING

- piston rod

2шт.

11

D49333

SPACER - bearing

1шт.

12

D49334

PISTON

- split (rod end)

1шт.

13

D49335

PISTON

- split (bolt end)

1шт.

14

D47206

PACKING

ASSY. - piston ("V" type)

2шт.

Part of Seal Kit, P/N G32457

1шт.

15

D47211

BEARING WASHER,95.28mm ID x 126.69mm OD x 19mm Thk

RING - center bearing

1шт.

16

D36104

BOLT

- piston

1шт.

17

D95034

WASHER - hardened

1шт.

18

219-1

LUBE NIPPLE,1/8" - 27 NPTF

FITTING - grese (1/8" P.T. str.)

1шт.

G32457

PACKAGE, REPAIR

SEAL KIT - cylinder repair, Includes: Ref. 5 - 7 and 14

1шт.

G100800

SEAL

- piston rod (Service option -extreme heat or cold)

1шт.

Выбрано товаров: 0