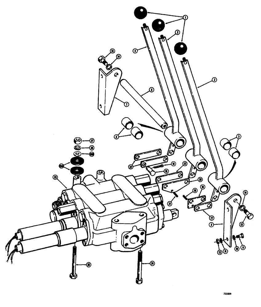
Запчасти Case W26B (428) - LOADER CONTROL VALVE AND LEVERS (3 SPOOL) (08) - HYDRAULICS

Схема запчастей Case W26B - (428) - LOADER CONTROL VALVE AND LEVERS (3 SPOOL) (08) - HYDRAULICS
27
14
22
17
10
2
12
2
16
25b
18
1
20
8
24
11
26
13
23
21
19
22
25a
7
15
3
9
4
5
1
25
13
14
FIT
1:1
100%

Артикул

Название

Примечание

Количество

1

31375

WASHER

- control lever

3шт.

2

L13119

LEVER

- control, lift and tilt (Handle from 3/8" ((mm) bar stock), Includes: Ref. 3

2шт.

2

L53556

LEVER

- control, lift nad tilt (Handle from 1" (25 mm) tubing), Includes: Ref. 3

2шт.

3

A31172

BUSHING

- lever

2шт.

4

L13166

LEVER - control, clam (Handle from 3/8" (9 mm) bar stock), Includes: Ref. 5

1шт.

4

L53557

LEVER - control, clam (Handle from 1" (25 mm) tubing), Includes: Ref. 5

1шт.

5

A31172

BUSHING

- lever

2шт.

6

L13124

AXLE PIN

PIN - pivot, control lever

1шт.

7

L13118

BRACKET - lever mounting, L.H.

1шт.

8

L13117

BRACKET - lever mounting, R.H.

1шт.

9

13-616

BOLT,Hex, 3/8" - 16 x 1", Gr 5, Full Thd

4шт.

10

95-6

WASHER,3/8"

- plan () 3/8"

4шт.

11

92-6

LOCK WASHER,3/8"

med. sect. 3/8"

4шт.

12

25-106

NUT,3/8"-16, G5

- hex. (3/8" - 16 NC)

4шт.

13

13-816

BOLT,Hex, 1/2" - 13 x 1", Gr 5, Full Thd

Pivot pin to mounting bracket Hex, 1/2"-13 x 1", G5, Full Thd

2шт.

14

92-8

LOCK WASHER,1/2"

med. sect. 1/2"

2шт.

15

L13129

CLEVIS PIN,15.77mm OD x 41.15mm L

PIN - link to lever and valve

6шт.

16

132-50

COTTER PIN,1/8" x 1 1/4"

Pin, Split (Cotter), 1/8" x 1 1/4"

6шт.

17

L13130

LINK - lift control (Used as outer link only before tractor Sn. 9110116, used as both inner and outer links on tractors Sn. 9110116 and after)

1-2шт.

L13131

LINK

ASSEMBLY - lift control, inner (used before tractor Sn. 9110116 only), Includes: Ref. 18 and 19

1шт.

18

NSS

NOT SOLD SEPARAT

LINK - lift control

1шт.

19

138-57

LOCK PIN,1/8" x 3/4", Slotted

PIN, 1/8" x 3/4", Slotted

1шт.

L13127

LINK ASSEMBLY - tilt control, inner (used before tractor Sn. 9110116 only), Includes: Ref. 20 and 21

1шт.

20

NSS

NOT SOLD SEPARAT

LINK - tilt control

1шт.

21

138-57

LOCK PIN,1/8" x 3/4", Slotted

PIN, 1/8" x 3/4", Slotted

1шт.

22

L13126

LINK - control, tilt and clam (Used as outer Inks only before tractor Sn. 9110116, Used as both inner and outer links on tractors Sn. 9110116 and after)

1-2шт.

23

REF

INSTRUCTION

VALVE - loader control, 3 spool (See figures 436 and 438 or figure 450 for proper valve)

1шт.

24

61-896

CAP SCREW - hex. socket head (1/2" - 13 NC x 6")

2шт.

25

13-896

BOLT,Hex, 1/2" - 13 x 6", Gr 5

2шт.

25a

L57117

WASHER

- rubber, valve mounting

8шт.

25b

95-8

WASHER,1/2"

plain 1/2"

4шт.

26

92-8

LOCK WASHER,1/2"

med. sect. 1/2"

4шт.

27

25-108

NUT,1/2"-13, G5

- hex. (1/2" - 13 NC)

4шт.

Выбрано товаров: 0