Запчасти Case W26B (272) - REAR FRAME AND TRUNNION (09) - CHASSIS

Схема запчастей Case W26B - (272) - REAR FRAME AND TRUNNION (09) - CHASSIS
a19
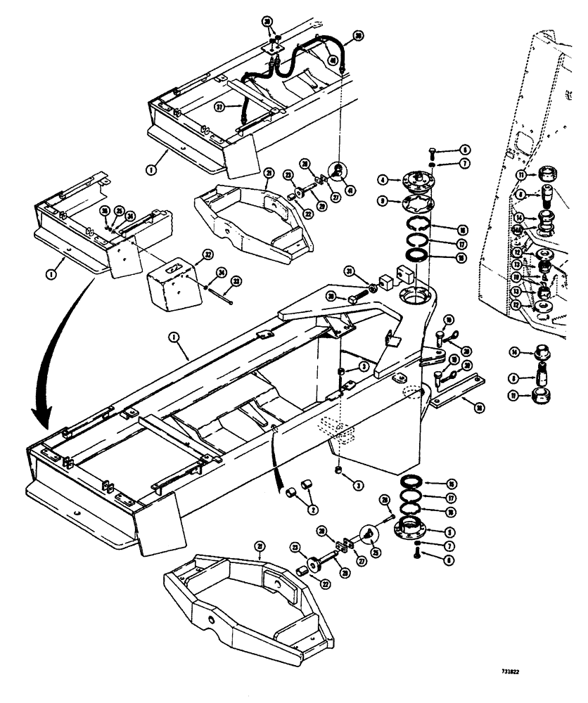
1
21
4
31
34
34
33
9
16
1
27
21
22
5
19
3
22
2
17
11
36
30
41
27
17
20
26
38
8
29
29
32
15
28
6
35
1
28
8
7
3
39
40
37
25
28
15
23
14
18
16
23
7
FIT
1:1
100%

Артикул

Название

Примечание

Количество

1

L45089

REAR FRAME ASSEMBLY - loader (Tractors with three filters in hydraulic tank), Includes: Ref. 2 and 3

1шт.

1

L54467

REAR FRAME ASSEMBLY - loader (Tractors with two filters in hydraulic tank) When stock is exhausted, order L55848 frame for service, Includes: Ref. 2 and 3

1шт.

1

L55848

REAR FRAME ASSEMBLY - loader (Tractors with two filters in hydraulic tank), Includes: Ref. 2 and 3

1шт.

2

L12794

BUSHING

- trunnion pivot

4шт.

3

L12701

BUSHING

- steering cylinder pivot

4шт.

4

L12864

PIN

- pivot, frame (Upper)

1шт.

5

L12863

PIN

- pivot, frame (Lower)

1шт.

6

26-1236

BOLT,Hex, 3/4" - 10 x 2-1/4", Gr 8

16шт.

7

92-12

LOCK WASHER,3/4"

WASHER, LOCK, 3/4"

16шт.

8

L12869

PIN

- pivot, frame (Inner)

2шт.

9

L12865

SHIM

- pivot pin for frame, .0598" (1.51 mm)

1шт.

9

L12866

BLOCK

SHIM - pivot pin to frame, .0359" (0.91 mm)

1шт.

9

L12867

SHIM

- pivot pin to frame, .0149" (0.037 mm)

1шт.

10

219-55

LUBE NIPPLE,90 Degree Elbow, 1/8" - 27 NPTF

NIPPLE, LUBE, 90º, 1/8" NPT x .84" lg

2шт.

11

L12868

BEARING

- self - aligning

2шт.

12

L12871

WASHER

- pivot pin

2шт.

13

131-76

LOCK NUT,2"-12

NUT - hex., lock

2шт.

14

L12872

LOCK

- pivot, Serial Range: pin-chassis

2шт.

14a

L55793

SPACER

- center pivot

1шт.

15

L12875

SEAL

SEAL - dust

2шт.

16

L12873

SPRING

- dust seal

2шт.

17

L12874

RING

- back up, spring

2шт.

18

L12810

BAR

- safety link, front to rear frame

1шт.

19

L12811

PIN -, Serial Range: link-frame

2шт.

20

A30338

PIN

- lock, quick release

2шт.

21

L13541

TRUNNION

ASSEMBLY - rear frame, Includes: Ref. 22

1шт.

22

L12814

TRUNNION

BUSHING - trunnion pivot

2шт.

23

L47422

WASHER,51.3mm ID x 114mm OD x 6.35mm Thk

- thrust, trunnion, 1/4" (6.3 mm)

1шт.

23

L47423

WASHER

- thrust, trunnion, 1/8" (3.1 mm)

1шт.

23

L47424

WASHER,51.3mm ID x 114mm OD x 4.76mm Thk

- thrust, trunnion, 3/16" (4.7 mm)

1шт.

25

219-55

LUBE NIPPLE,90 Degree Elbow, 1/8" - 27 NPTF

NIPPLE, LUBE, , If used 90º, 1/8" NPT x .84" lg

2шт.

26

13-1020

BOLT,Hex, 5/8" - 11 x 1-1/4", Gr 5, Full Thd

4шт.

27

L72014

LOCK ASSY

PLATE - bolt locking

2шт.

28

L12824

LOCK ASSY

PLATE - pin locking

2шт.

29

L12822

AXLE PIN

PIN - trunnion pivot

2шт.

30

181-762

SCREW,Sq Hd, 1" - 8 x 3 1/2"

- set, square head (1" - 8 NC x 3-1/2")

2шт.

31

25-1416

NUT,Jam, 1"-8, G5

- hex., jam (1" - 8 NC)

2шт.

32

L46306

COUNTERWEIGHT - rear. 1000 Ibs. (453.6 kg)

2шт.

33

15-16200

HHCS - 1" - 8 NC x 12-1/2"

6шт.

34

195-53

WASHER,1" x 2" x .134"

- plain (1")

12шт.

35

92-16

LOCK WASHER,1"

WASHER, LOCK, 1"

6шт.

36

25-1016

NUT,1"-8, G5

6шт.

37

L54694

HOSE,4.8mm ID x 1041mm L

- grease, trunnion, 41" long (1041 mm)

1шт.

38

L54695

HOSE

- grease, trunnion, 55" long (1397 mm)

1шт.

39

F53473

LOCK NUT,1/8-27 NPSM

- lock, special

2шт.

40

L11541

CABLE TIE,203.2mm L, Nylon

STRAP - grease hose retaining

3шт.

41

219-416

ELBOW,1/8"-27 NPT x 1/8"-27 NPT Sw

- 90 degrees, swivel

2шт.

Выбрано товаров: 47