Запчасти Case W26B (312) - CAB HEATER AND DEFROSTER BEFORE TRACTOR SN 9107522 (09) - CHASSIS

Схема запчастей Case W26B - (312) - CAB HEATER AND DEFROSTER BEFORE TRACTOR SN 9107522 (09) - CHASSIS
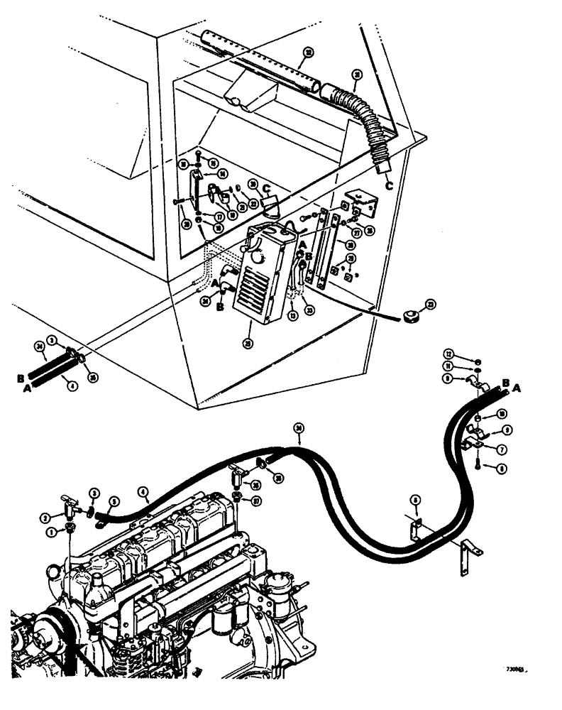
3
11
5
4
21
10
35
12
34
18
28
33
25
30
17
35
13
34
1
27
14
32
23
34
16
4
31
2
19
9
36
3
8
28
29
5
22
26
9
15
37
7
FIT
1:1
100%

Артикул

Название

Примечание

Количество

1

221-89

REDUCER,Hex, 1/2" x 3/8" NPT

BUSHING - reducing (1/2" NPT to 3/8" NPT)

1шт.

2

A16764

VALVE

- shut off, water

1шт.

3

214-253

HOSE CLAMP,#10, 0.56" - 1.06", Type F Worm

CLAMP - hose

2шт.

4

L15338

HOSE ASSY.

HOSE - low pressure, heater inlet

1шт.

5

A19775

CLAMP - hose

1шт.

6

A13029

CLIP

BRACKET - hose clamping

1шт.

7

L15337

BRACKET - hose

1шт.

8

13-628

BOLT,Hex, 3/8" - 16 x 1-3/4", Gr 5

1шт.

9

R15257

CLAMP

- hose

2шт.

10

L15342

SPACER - hose

1шт.

11

92-6

LOCK WASHER,3/8"

1шт.

12

25-106

NUT,3/8"-16, G5

- hex. (3/8" - 16 NC)

1шт.

13

L15956

TUBE - heater, inlet 0.035" OD

1шт.

14

L15335

BRACKET - heater tube mounting

1шт.

15

13-616

BOLT,Hex, 3/8" - 16 x 1", Gr 5, Full Thd

2шт.

16

95-6

WASHER,3/8"

- standard wrot () 3/8"

2шт.

17

92-6

LOCK WASHER,3/8"

2шт.

18

25-106

NUT,3/8"-16, G5

- hex. (3/8" - 16 NC)

2шт.

19

A12497

CLIP - tube

2шт.

20

13-612

BOLT,Hex, 3/8" - 16 x 3/4", Gr 5, Full Thd

1шт.

21

92-6

LOCK WASHER,3/8"

1шт.

22

25-106

NUT,3/8"-16, G5

- hex. (3/8" - 16 NC)

1шт.

23

L15339

GROMMET,5/16" ID x 1 1/4" Groove Dia

- tube protection

2шт.

24

218-1057

ELBOW,90 Degree, 7/8"-14, 37 Degree x 3/8"-18, NPTF

- male, 90 degrees

2шт.

25

L16339

HEATER - cab (Parts list figure 318)

1шт.

26

13-412

BOLT,Hex, 1/4" - 20 x 3/4", Gr 5, Full Thd

8шт.

27

92-4

LOCK WASHER,1/4"

WASHER, LOCK, 1/4"

8шт.

28

L15340

BAR - heater mounting

2шт.

29

L15336

SPACER - heater mounting

4шт.

30

L15346

HOSE - defroster, 45 degrees elbow

1шт.

31

L19268

HOSE -, Serial Range: heater-defroster

1шт.

32

L15350

TUBE

- defroster (When stock is exhuasted, order L15163 tube for service)

1шт.

32

L15163

DEFROSTER

TUBE - defroster

1шт.

33

L15955

TUBE - heater outlet 0.035" OD

1шт.

34

A19943

HOSE

- heater outlet

1шт.

35

214-253

HOSE CLAMP,#10, 0.56" - 1.06", Type F Worm

CLAMP - hose

2шт.

36

A16764

VALVE

- shut off, water

1шт.

37

221-89

REDUCER,Hex, 1/2" x 3/8" NPT

BUSHING - reducing (1/2" NPT to 3/8" NPT)

1шт.

Выбрано товаров: 38